• 15 000 artiklar Över 9 000 artiklar i lager
  • Utleverans samma dag Pris, lagersaldo och weborder direkt här på hemsidan
  • Lager Vi samarbetar med ledande tillverkare

LS

Ledlager GEBK..S stål/brons

Ledlager är standardiserade lager som är särskilt lämpliga i applikationer där det förekommer pendel- och krängningsrörelser med relativt låga varvtal. Tack vare självinställande förmåga som tillåter inställningsrörelser i olika riktningar är de lämpliga där snedinställningsmöjlighet krävs. Innerringen har en yttre sfärisk konvex mantelyta som motsvarar ytterringens sfäriska men konkava inre mantelyta. Lagertypen kan ta belastningar av oscillerande och växlande typ såväl som statiska.
Glidytan stål/brons är behandlad med smörjmedel för enkel inkörning. För att underlätta smörjning har produkten ett spår och smörjhål i inner- och ytterring. Smörjning krävs bl a för att minska friktionen och öka lagrets livslängd.

 EFFEKTIVARE TÄTNINGSKONSTRUKTION –2GS FÖR LEDLAGER

Vi kanleverera ledlager tätade med en mycket effektiv 3-läppstätning med beteckningen -2GS, en tätningskonstruktion speciellt lämpad för applikationer i svåra och smutsiga miljöer.

 

Denna tätning garanterar då en maximal lagerlivslängd, avsevärt längre jämfört med en standardtätning.

 

x

 

 

Ledlager och länkhuvuden

Konstruktionsunderlag

 

Axel

Rekommenderade toleranser

Montering

 

Lagertyp

Lagret axiellt skjutbart

Kräver underhåll

Underhållsfri

Lagret fixerat

m6

k6

 

 

 Lagerhus

Rekommenderade toleranser

Montering

Lagertyp

Lätt last lagret axiellt skjutbart

H7

H7

Tung last lagret fixerat

M7

K7

Lagerhuset i lätta legeringar

N7

M7

 

MONTERING

Vid montering skall slitsen inte placeras där lasten angriper. (Rek. 90 ˚ lastriktningen)

x

 

MONTERINGSEXEMPEL

När ledlagret monteras i lagerhuset skall lasten anbringas på ytterringen

 

När ledlagret monteras på axeln skall lasten anbringas på innerringen. Samtidig montering i lagerhuset och på axeln är möjlig då lasten anbringas på både inner- och ytterring.

 

Att tänka på

  • Belastningsriktning: radiell/axiell
  • Den maxlast som anges i tabeller för radialledlager är rent radiell last
  • Belastningstyp: statisk, dynamisk, pendlande, frekvens, miljö, smuts, fukt, temperatur, utrymmesbehov, monteringssätt
Läs mer
  • Radialledlager
  • Glidytskombination stål hårdkrom, brons
  • Bättre nötningsegenskaper samt renare produkt än stål, stål
  • Behöver inte lika bra miljö som PTFE
LS_GE..BK

Radialledlager stål-hårdkrom/brons

Vald variant

Vald variant

Teknisk data

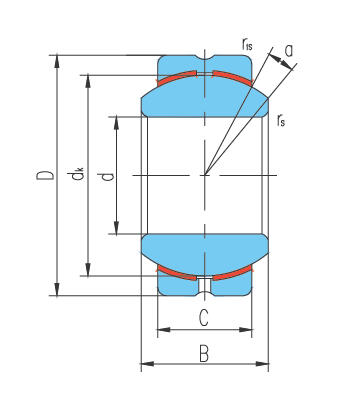
a 13 mm
C 6
d (innerdiameter) 5 mm
D (ytterdiameter) 16 mm
dk 11,112 mm
Dyn (Dynamiskt bärighetstal) 3.3
r1s min 0,3 mm
rs min 0,3 mm
Stat (Statiskt bärighetstal) 7.8
Vikt 0,009 kg

Nedladdning av CAD

GEBK05S

Nedladdning av CAD När du ser en grön  Solid component icon på en artikel i listan betyder det att du kan ladda ner dess CAD-ritning i det format som du först väljer i listan här. Klicka sedan på ikonen så genereras CAD-filen och nedladdning påbörjas direkt. 

 

Mått och inkopplingar

Produktbeskrivning

Ledlager är standardiserade lager som är särskilt lämpliga i applikationer där det förekommer pendel- och krängningsrörelser med relativt låga varvtal. Tack vare självinställande förmåga som tillåter inställningsrörelser i olika riktningar är de lämpliga där snedinställningsmöjlighet krävs. Innerringen har en yttre sfärisk konvex mantelyta som motsvarar ytterringens sfäriska men konkava inre mantelyta. Lagertypen kan ta belastningar av oscillerande och växlande typ såväl som statiska.
Glidytan stål/brons är behandlad med smörjmedel för enkel inkörning. För att underlätta smörjning har produkten ett spår och smörjhål i inner- och ytterring. Smörjning krävs bl a för att minska friktionen och öka lagrets livslängd.

 EFFEKTIVARE TÄTNINGSKONSTRUKTION –2GS FÖR LEDLAGER

Vi kanleverera ledlager tätade med en mycket effektiv 3-läppstätning med beteckningen -2GS, en tätningskonstruktion speciellt lämpad för applikationer i svåra och smutsiga miljöer.

 

Denna tätning garanterar då en maximal lagerlivslängd, avsevärt längre jämfört med en standardtätning.

 

x

 

 

Ledlager och länkhuvuden

Konstruktionsunderlag

 

Axel

Rekommenderade toleranser

Montering

 

Lagertyp

Lagret axiellt skjutbart

Kräver underhåll

Underhållsfri

Lagret fixerat

m6

k6

 

 

 Lagerhus

Rekommenderade toleranser

Montering

Lagertyp

Lätt last lagret axiellt skjutbart

H7

H7

Tung last lagret fixerat

M7

K7

Lagerhuset i lätta legeringar

N7

M7

 

MONTERING

Vid montering skall slitsen inte placeras där lasten angriper. (Rek. 90 ˚ lastriktningen)

x

 

MONTERINGSEXEMPEL

När ledlagret monteras i lagerhuset skall lasten anbringas på ytterringen

 

När ledlagret monteras på axeln skall lasten anbringas på innerringen. Samtidig montering i lagerhuset och på axeln är möjlig då lasten anbringas på både inner- och ytterring.

 

Att tänka på

  • Belastningsriktning: radiell/axiell
  • Den maxlast som anges i tabeller för radialledlager är rent radiell last
  • Belastningstyp: statisk, dynamisk, pendlande, frekvens, miljö, smuts, fukt, temperatur, utrymmesbehov, monteringssätt

Tillbehör

Relaterade produkter

TechKnow - kunskap, kundcase och företagsnytt

Varianter Nedladdning av CAD a C d (innerdiameter) D (ytterdiameter) dk Dyn (Dynamiskt bärighetstal) r1s min Stat (Statiskt bärighetstal) Vikt Pris/enhet
13 mm
6
5 mm
16 mm
11,112 mm
3.3
0,3 mm
7.8
0,009 kg
13 mm
6.75
6 mm
18 mm
12,7 mm
4.3
0,3 mm
9.8000000000000007
0,013 kg
13 mm
12
12 mm
30 mm
22,23 mm
13
0,6 mm
31
0,058 kg
16 mm
13.5
14 mm
34 mm
25,4 mm
17
0,6 mm
40
0,084 kg
15 mm
15
16 mm
38 mm
28,58 mm
21
0,6 mm
50
0,118 kg

Nedladdning av CAD När du ser en grön  Solid component icon på en artikel i listan betyder det att du kan ladda ner dess CAD-ritning i det format som du först väljer i listan här. Klicka sedan på ikonen så genereras CAD-filen och nedladdning påbörjas direkt. 

 

Vald variant

Välj en variant i listan

Kundsupport
Vi finns här för att hjälpa till och om det finns frågor
075-24 24 956
Skicka e-post
Vanliga frågor
+ Hur blir man kund hos er?
+ Kan jag köpa produkter hos er som privatperson?
+ Kan jag se lagersaldo?
+ Vilka priser ser jag?
+ Kan jag se min orderhistorik på er hemsida?

Skicka ett mail

Hittar du inte det du söker eller kan vi hjälpa dig på något annat vis? Fyll i formuläret nedan så återkommer vi så snart vi bara kan!

Vänligen inkludera ett telefonnummer om du önskar bli uppringd.

Tack för ditt meddelande!

Tack för att du kontaktar oss på Internordic! Vi återkommer till dig så snart vi kan.

Hoppsan, något gick fel!

Något verkar ha gått fel. Vänligen kontrollera din information eller försök igen senare.
Behöver du hjälp?
Logo

Cookieinställningar för internordic.com

Cookies hjälper oss förbättra din upplevelse hos oss. Så för att kunna analysera trafiken, hantera inloggningsuppgifter, erbjuda dig personlig information och för att grundläggande funktionalitet ska fungera på webbplatsen behöver vi använda oss av lite cookies.

 

Psst! Vi säljer självklart inte vidare information om dig.

Nödvändiga cookies

Dessa cookies är nödvändiga för att webbplatsen ska fungera och kan inte stängas av i våra system. De används vanligtvis endast som svar på åtgärder som du har gjort i anslutning till en tjänstebegäran, till exempel när du ställer in personliga preferenser, loggar in eller fyller i ett formulär.

Analys och mätning

Dessa cookies tillåter oss att räkna antal besök och trafikkällor så att vi kan mäta och förbättra vår webbplatsprestanda. De hjälper oss att veta vilka sidor som är mer eller mindre populära och hur besökare navigerar runt på webbplatsen. Informationen som dessa cookies samlar in är aggregerad och därför helt anonym. Om du inte tillåter dessa cookies vet vi inte när du har besökt vår webbplats.

Marknadsföring

Dessa cookies kan läggas till av våra partners. De kan använda dem för att skapa en profil av dig, baserad på dina intressen, för att visa dig mer relevant information. De sparar ingen personlig information – endast information om din webbläsare och enhet. Om du inte godkänner dessa cookies, kommer du att få en mer allmän och mindre anpassad användarupplevelse.