• 15 000 artiklar Över 9 000 artiklar i lager
  • Utleverans samma dag Pris, lagersaldo och weborder direkt här på hemsidan
  • Lager Vi samarbetar med ledande tillverkare

NTN Europe

Insatslager UK SNR

Insatslager till lagerenheter är av samma typ som spårkullager 62-63 serien. De har sfärisk ytterdiameter för att få en självinställande funktion i huset som kompenserar för snedställningar. Den förlängda innerringen som finns på vissa typer underlättar vid montering och för att kunna låsa fast lagret på axeln med stoppskruv eller exentrisk låsring. Det finns även med koniskt hål för montering med passande klämhylsa. Tätningen av nitril, täcks av en avkastarbricka för att skydda mot yttre påverkan. Denna tätning fungerar som en spalttätning. Det finns även 3-läppstätning för riktigt tuffa och orena miljöer. Denna tätning medför högre friktion vilket innebär den inte klarar lika höga hastigheter.

 

För att förenkla montering har insatslager plustolerans i lagrets axelhål. Lagret fästs på axel med antingen stoppskruvar i innerringen, låsring eller klämhylsa. Lagren har C3 glapp som standard. Normal arbetstemperatur är -20 °C till +100 °C. För att klara temperaturer under eller över detta område har NTN/SNR olika alternativ. Lager med L04 som efterbeteckning klarar ned till -40 °C, och med T20 är för arbetstemperatur upp till +200 °C. Det finns två olika storleksserier inom insatslager och lagerenheter 200- eller 300 serien.

 

Olika efterbeteckningar hos NTN/SNR

  • L3 3 läppstätning för förorenad arbetsmiljö
  • T04 arbetstemperatur ned till -40 °C
  • T20 arbetstemperatur upp till +200 °C
  • G2 återsmörjningsbara (SNR)

 

Att tänka på

 

• Val av hustyp

• Belastning, speciellt om axiell belastning förekommer då begränsningar generellt finns för denna typ av enheter för att undvika att lager inte kläms vid värmeutvidgning av axeln.

• Typ av miljö

• Varvtal

• Fixeringsmetod på axel, stoppskruv/excentrisk låsring/klämhylsa

• Axeltolerans

 

Vid montering, var noggrann med uppriktning mellan husen. Snedställning medför minskad livslängd.

 

 

Läs mer
  • Montering med klämhylsa
  • För växlande rotationsriktning samt högre hastigheter

Vald variant

Vald variant

Teknisk data

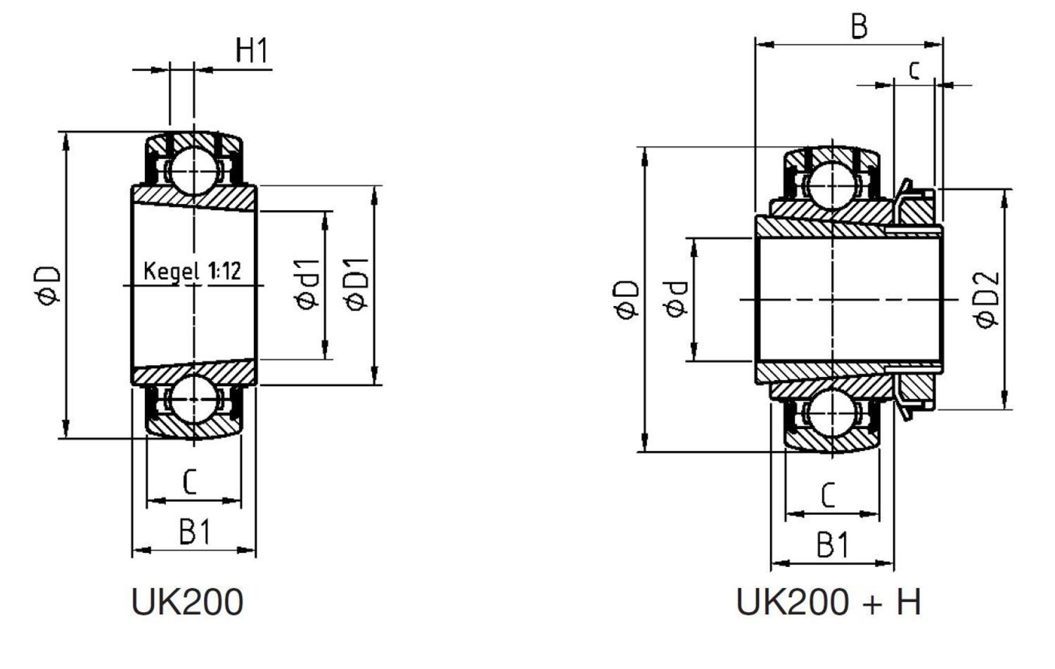
Axeldiameter 20 mm
B 35 mm
c 8 mm
C 17 mm
D (ytterdiameter) 52 mm
d1 25 mm
D1 34 mm
D2 38 mm
Dyn (Dynamiskt bärighetstal) 14
H1 4,3 mm
Hylsa H2305
Stat (Statiskt bärighetstal) 7.88
Vikt 0,24 kg

Nedladdning av CAD

UK205

Nedladdning av CAD När du ser en grön  Solid component icon på en artikel i listan betyder det att du kan ladda ner dess CAD-ritning i det format som du först väljer i listan här. Klicka sedan på ikonen så genereras CAD-filen och nedladdning påbörjas direkt. 

 

Mått och inkopplingar

Produktbeskrivning

Insatslager till lagerenheter är av samma typ som spårkullager 62-63 serien. De har sfärisk ytterdiameter för att få en självinställande funktion i huset som kompenserar för snedställningar. Den förlängda innerringen som finns på vissa typer underlättar vid montering och för att kunna låsa fast lagret på axeln med stoppskruv eller exentrisk låsring. Det finns även med koniskt hål för montering med passande klämhylsa. Tätningen av nitril, täcks av en avkastarbricka för att skydda mot yttre påverkan. Denna tätning fungerar som en spalttätning. Det finns även 3-läppstätning för riktigt tuffa och orena miljöer. Denna tätning medför högre friktion vilket innebär den inte klarar lika höga hastigheter.

 

För att förenkla montering har insatslager plustolerans i lagrets axelhål. Lagret fästs på axel med antingen stoppskruvar i innerringen, låsring eller klämhylsa. Lagren har C3 glapp som standard. Normal arbetstemperatur är -20 °C till +100 °C. För att klara temperaturer under eller över detta område har NTN/SNR olika alternativ. Lager med L04 som efterbeteckning klarar ned till -40 °C, och med T20 är för arbetstemperatur upp till +200 °C. Det finns två olika storleksserier inom insatslager och lagerenheter 200- eller 300 serien.

 

Olika efterbeteckningar hos NTN/SNR

  • L3 3 läppstätning för förorenad arbetsmiljö
  • T04 arbetstemperatur ned till -40 °C
  • T20 arbetstemperatur upp till +200 °C
  • G2 återsmörjningsbara (SNR)

 

Att tänka på

 

• Val av hustyp

• Belastning, speciellt om axiell belastning förekommer då begränsningar generellt finns för denna typ av enheter för att undvika att lager inte kläms vid värmeutvidgning av axeln.

• Typ av miljö

• Varvtal

• Fixeringsmetod på axel, stoppskruv/excentrisk låsring/klämhylsa

• Axeltolerans

 

Vid montering, var noggrann med uppriktning mellan husen. Snedställning medför minskad livslängd.

 

 

Tillbehör

Relaterade produkter

TechKnow - kunskap, kundcase och företagsnytt

Varianter Nedladdning av CAD Axeldiameter B c C D (ytterdiameter) d1 D1 D2 Dyn (Dynamiskt bärighetstal) H1 Hylsa Stat (Statiskt bärighetstal) Vikt Pris/enhet
20 mm
35 mm
8 mm
17 mm
52 mm
25 mm
34 mm
38 mm
14
4,3 mm
H2305
7.88
0,24 kg
25 mm
38 mm
8 mm
19 mm
62 mm
30 mm
40,3 mm
45 mm
19.5
5 mm
H2306
11.2
0,38 kg
30 mm
43 mm
9 mm
20 mm
72 mm
35 mm
48 mm
51 mm
25.7
5,8 mm
H2307
15.2
0,54 kg
35 mm
46 mm
10 mm
21 mm
80 mm
40 mm
53 mm
58 mm
29.6
6,3 mm
H2308
18.2
0,7 kg
40 mm
50 mm
11 mm
22 mm
85 mm
45 mm
57,2 mm
65 mm
31.85
6,8 mm
H2309
20.8
0,81 kg
45 mm
55 mm
12 mm
23 mm
90 mm
50 mm
61,8 mm
70 mm
35.1
6,5 mm
H2310
23.2
0,95 kg
50 mm
59 mm
12,5 mm
25 mm
100 mm
55 mm
69 mm
75 mm
43.55
7,2 mm
H2311
29.2
1,19 kg
55 mm
62 mm
13 mm
27 mm
110 mm
60 mm
74,9 mm
80 mm
52.5
8,2 mm
H2312
32.799999999999997
1,51 kg
60 mm
65 mm
14 mm
28 mm
120 mm
65 mm
82 mm
85 mm
57.2
8 mm
H2313
40
1,92 kg
65 mm
73 mm
15 mm
30 mm
130 mm
75 mm
91,5 mm
98 mm
66
9 mm
H2315
49.5
2,72 kg
70 mm
78 mm
17 mm
33 mm
140 mm
80 mm
98 mm
105 mm
72.5
10,3 mm
H2316
54.2
3,24 kg
75 mm
82 mm
18 mm
35 mm
150 mm
85 mm
105,1 mm
110 mm
83.2
11 mm
H2317
63.8
3,87 kg
80 mm
86 mm
18 mm
37 mm
160 mm
90 mm
110 mm
120 mm
96
12 mm
H2318
71.5
4,69 kg

Nedladdning av CAD När du ser en grön  Solid component icon på en artikel i listan betyder det att du kan ladda ner dess CAD-ritning i det format som du först väljer i listan här. Klicka sedan på ikonen så genereras CAD-filen och nedladdning påbörjas direkt. 

 

Vald variant

Välj en variant i listan

Har du frågor?

Fredrik Scholander

Säljkontakt & produktansvarig

075-24 24 971
Skicka e-post
Kundsupport
Vi finns här för att hjälpa till och om det finns frågor
075-24 24 956
Skicka e-post
Vanliga frågor
+ Hur blir man kund hos er?
+ Kan jag köpa produkter hos er som privatperson?
+ Kan jag se lagersaldo?
+ Vilka priser ser jag?
+ Kan jag se min orderhistorik på er hemsida?

Skicka ett mail

Hittar du inte det du söker eller kan vi hjälpa dig på något annat vis? Fyll i formuläret nedan så återkommer vi så snart vi bara kan!

Vänligen inkludera ett telefonnummer om du önskar bli uppringd.

Tack för ditt meddelande!

Tack för att du kontaktar oss på Internordic! Vi återkommer till dig så snart vi kan.

Hoppsan, något gick fel!

Något verkar ha gått fel. Vänligen kontrollera din information eller försök igen senare.
Behöver du hjälp?
Logo

Cookieinställningar för internordic.com

Cookies hjälper oss förbättra din upplevelse hos oss. Så för att kunna analysera trafiken, hantera inloggningsuppgifter, erbjuda dig personlig information och för att grundläggande funktionalitet ska fungera på webbplatsen behöver vi använda oss av lite cookies.

 

Psst! Vi säljer självklart inte vidare information om dig.

Nödvändiga cookies

Dessa cookies är nödvändiga för att webbplatsen ska fungera och kan inte stängas av i våra system. De används vanligtvis endast som svar på åtgärder som du har gjort i anslutning till en tjänstebegäran, till exempel när du ställer in personliga preferenser, loggar in eller fyller i ett formulär.

Analys och mätning

Dessa cookies tillåter oss att räkna antal besök och trafikkällor så att vi kan mäta och förbättra vår webbplatsprestanda. De hjälper oss att veta vilka sidor som är mer eller mindre populära och hur besökare navigerar runt på webbplatsen. Informationen som dessa cookies samlar in är aggregerad och därför helt anonym. Om du inte tillåter dessa cookies vet vi inte när du har besökt vår webbplats.

Marknadsföring

Dessa cookies kan läggas till av våra partners. De kan använda dem för att skapa en profil av dig, baserad på dina intressen, för att visa dig mer relevant information. De sparar ingen personlig information – endast information om din webbläsare och enhet. Om du inte godkänner dessa cookies, kommer du att få en mer allmän och mindre anpassad användarupplevelse.