• 15 000 artiklar Över 9 000 artiklar i lager
  • Utleverans samma dag Pris, lagersaldo och weborder direkt här på hemsidan
  • Lager Vi samarbetar med ledande tillverkare

NTN Europe

Lagerenhet UCT SNR

Användningsområde

T-lagerenhet används där man vill justera axelplacering. T ex transportband där bandet kräver justerbarhet.

Tabell visar med UC-insatslager, finns med andra insatslager.

Lagerenheter består av ett lagerhus med sfäriskt lagerläge och ett spårkullager med en motsvarande sfärsik ytterdiameter. Lagret får därmed en självinställande förmåga och kan kompensera för eventuella uppriktningsfel av axeln.

  • Lätta att montera på axel tack vare plustolerans i lagrets innerdiameter
  • Självinställande förmåga
  • Tål stötbelastningar

Typiska applikationer är transportanordningar, lantbruks-, byggnads-, livsmedels- och trädgårdsmaskiner. Lagerenheter kan under vissa förhållanden betraktas som livstidssmorda, men onormalt hög driftstemperatur, varvtal eller förorenade miljöer kräver eftersmörjning, därför medlevereras smörjnippel. Insatslager kan förses med lock och tätningar för extrema miljöer. Specialgängor för automatisk smörjning samt tumdimensioner kan levereras. Lagerenheter finns med olika typer av insatslager; stoppskruvar, excentrisk låsring eller klämhylsa.

  • UC/US – stoppskruv
  • ES/EX – låsring
  • UK - klämhylsa

 

Att tänka på

Vid montering, var noggrann med uppriktning mellan husen. Snedställning medför minskad livslängd.

 

ATT TÄNKA PÅ VID VAL AV LAGERENHET


Val av hustyp
Belastning, speciellt om axiell belastning förekommer då begränsningar generellt finns för denna typ av enheter för att undvika att lager inte kläms vid värmeutvidgning av axeln.
Typ av miljö.
Varvtal.
Fixeringsmetod på axel, stoppskruv/excentrisk låsring/klämhylsa.
Axeltolerans.

 

Åtdragningsmoment stoppskruv

 

Insatslager

 

 

Stoppskruv

UC/CUC

US/CUS

ES/CES

EX/CEX

Åtdragninsmoment Nm

Hexagon storlek mm

M5x0,8

 

 

201-203

 

 

 

3,5

2,5

M6x1

201-206

305-306

204-207

201-206

201-206

 

5,5

3,0

M8x1

207-209

307

208-210

207-210

207-210

305-307

11,5

4,0

M10x1,25

210-212

308-309

211-212

211-212

211-215

308-312

22,0

5,0

M12x1,25

213-218

310-314

 

 

216-218

313-314

33,0

6,0

M14x1,5

 

315-316

 

 

 

 

42,0

7,0

M16x1,5

 

317-319

 

 

 

315-317

64,0

8,0

M18x1,5

 

320-324

 

 

 

 

75,0

9,0

M20x1,5

 

326-328

 

 

 

318-320

120,0

10,0

 

Läs mer
  • Spännlagerenhet i gjutjärn
  • Radiellt inställbara med spår i huset för styrning
NTN/SNR_UCT

Spännlagerenhet, radiellt inställbara gjutjärnshus med spår i huset för styrning

Vald variant

Vald variant

Teknisk data

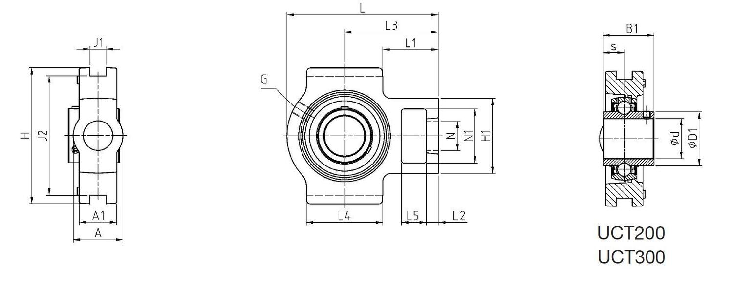
A 32 mm
A1 21 mm
d (innerdiameter) 12 mm
Dyn (Dynamiskt bärighetstal) 12.8
Gänga M6x1
H 89 mm
H1 51 mm
Hus nummer T204
Insatslager nummer UC201
J1 12 mm
J2 76 mm
L 94 mm
L1 35,5 mm
L2 10 mm
L3 61 mm
L4 51 mm
L5 16 mm
N 19 mm
N1 32 mm
Stat (Statiskt bärighetstal) 6.65
Vikt 0,8 kg

Nedladdning av CAD

UCT201

Nedladdning av CAD När du ser en grön  Solid component icon på en artikel i listan betyder det att du kan ladda ner dess CAD-ritning i det format som du först väljer i listan här. Klicka sedan på ikonen så genereras CAD-filen och nedladdning påbörjas direkt. 

 

Mått och inkopplingar

Produktbeskrivning

Användningsområde

T-lagerenhet används där man vill justera axelplacering. T ex transportband där bandet kräver justerbarhet.

Tabell visar med UC-insatslager, finns med andra insatslager.

Lagerenheter består av ett lagerhus med sfäriskt lagerläge och ett spårkullager med en motsvarande sfärsik ytterdiameter. Lagret får därmed en självinställande förmåga och kan kompensera för eventuella uppriktningsfel av axeln.

  • Lätta att montera på axel tack vare plustolerans i lagrets innerdiameter
  • Självinställande förmåga
  • Tål stötbelastningar

Typiska applikationer är transportanordningar, lantbruks-, byggnads-, livsmedels- och trädgårdsmaskiner. Lagerenheter kan under vissa förhållanden betraktas som livstidssmorda, men onormalt hög driftstemperatur, varvtal eller förorenade miljöer kräver eftersmörjning, därför medlevereras smörjnippel. Insatslager kan förses med lock och tätningar för extrema miljöer. Specialgängor för automatisk smörjning samt tumdimensioner kan levereras. Lagerenheter finns med olika typer av insatslager; stoppskruvar, excentrisk låsring eller klämhylsa.

  • UC/US – stoppskruv
  • ES/EX – låsring
  • UK - klämhylsa

 

Att tänka på

Vid montering, var noggrann med uppriktning mellan husen. Snedställning medför minskad livslängd.

 

ATT TÄNKA PÅ VID VAL AV LAGERENHET


Val av hustyp
Belastning, speciellt om axiell belastning förekommer då begränsningar generellt finns för denna typ av enheter för att undvika att lager inte kläms vid värmeutvidgning av axeln.
Typ av miljö.
Varvtal.
Fixeringsmetod på axel, stoppskruv/excentrisk låsring/klämhylsa.
Axeltolerans.

 

Åtdragningsmoment stoppskruv

 

Insatslager

 

 

Stoppskruv

UC/CUC

US/CUS

ES/CES

EX/CEX

Åtdragninsmoment Nm

Hexagon storlek mm

M5x0,8

 

 

201-203

 

 

 

3,5

2,5

M6x1

201-206

305-306

204-207

201-206

201-206

 

5,5

3,0

M8x1

207-209

307

208-210

207-210

207-210

305-307

11,5

4,0

M10x1,25

210-212

308-309

211-212

211-212

211-215

308-312

22,0

5,0

M12x1,25

213-218

310-314

 

 

216-218

313-314

33,0

6,0

M14x1,5

 

315-316

 

 

 

 

42,0

7,0

M16x1,5

 

317-319

 

 

 

315-317

64,0

8,0

M18x1,5

 

320-324

 

 

 

 

75,0

9,0

M20x1,5

 

326-328

 

 

 

318-320

120,0

10,0

 

Tillbehör

Relaterade produkter

TechKnow - kunskap, kundcase och företagsnytt

Varianter Nedladdning av CAD A A1 d (innerdiameter) Dyn (Dynamiskt bärighetstal) Gänga H H1 Hus nummer Insatslager nummer J1 J2 L L1 L2 L3 L4 L5 N N1 Stat (Statiskt bärighetstal) Vikt Pris/enhet
32 mm
21 mm
12 mm
12.8
M6x1
89 mm
51 mm
T204
UC201
12 mm
76 mm
94 mm
35,5 mm
10 mm
61 mm
51 mm
16 mm
19 mm
32 mm
6.65
0,8 kg
32 mm
21 mm
15 mm
12.8
M6x1
89 mm
51 mm
T204
UC202
12 mm
76 mm
94 mm
35,5 mm
10 mm
61 mm
51 mm
16 mm
19 mm
32 mm
6.65
0,8 kg
32 mm
21 mm
17 mm
12.8
M6x1
89 mm
51 mm
T204
UC203
12 mm
76 mm
94 mm
35,5 mm
10 mm
61 mm
51 mm
16 mm
19 mm
32 mm
6.65
0,7 kg
32 mm
21 mm
20 mm
12.8
M6x1
89 mm
51 mm
T204
UC204
12 mm
76 mm
94 mm
35,5 mm
10 mm
61 mm
51 mm
16 mm
19 mm
32 mm
6.65
0,7 kg
32 mm
24 mm
25 mm
14
M6x1
89 mm
51 mm
T205
UC205
12 mm
76 mm
97 mm
36,5 mm
10 mm
62 mm
51 mm
16 mm
19 mm
32 mm
7.88
0,8 kg
37 mm
28 mm
30 mm
19.5
M6x1
102 mm
56 mm
T206
UC206
12 mm
89 mm
113 mm
41,5 mm
10 mm
70 mm
57 mm
16 mm
22 mm
37 mm
11.2
1,2 kg
37 mm
30 mm
35 mm
25.7
M6x1
102 mm
64 mm
T207
UC207
12 mm
89 mm
129 mm
46 mm
13 mm
78 mm
64 mm
16 mm
22 mm
37 mm
15.2
1,6 kg
49 mm
33 mm
40 mm
29.6
M6x1
114 mm
83 mm
T208
UC208
16 mm
102 mm
144 mm
46,5 mm
16 mm
88 mm
83 mm
19 mm
29 mm
49 mm
18.2
2,3 kg
49 mm
35 mm
45 mm
31.85
M6x1
117 mm
83 mm
T209
UC209
16 mm
102 mm
144 mm
45,5 mm
16 mm
87 mm
83 mm
19 mm
29 mm
49 mm
20.8
2,3 kg
49 mm
37 mm
50 mm
35.1
M6x1
117 mm
83 mm
T210
UC210
16 mm
102 mm
149 mm
47 mm
16 mm
90 mm
86 mm
19 mm
29 mm
49 mm
23.2
2,5 kg
64 mm
38 mm
55 mm
43.55
M6x1
146 mm
102 mm
T211
UC211
22 mm
130 mm
171 mm
58,5 mm
19 mm
106 mm
95 mm
25 mm
35 mm
64 mm
29.2
3,9 kg
64 mm
42 mm
60 mm
52.5
M6x1
146 mm
102 mm
T212
UC212
22 mm
130 mm
194 mm
68 mm
19 mm
119 mm
102 mm
32 mm
35 mm
64 mm
32.799999999999997
4,7 kg
70 mm
44 mm
65 mm
57.2
M6x1
167 mm
111 mm
T213
UC213
26 mm
151 mm
224 mm
76,5 mm
21 mm
137 mm
121 mm
32 mm
41 mm
70 mm
40
6,8 kg
70 mm
46 mm
70 mm
62
M10x1
167 mm
111 mm
T214
UC214
26 mm
151 mm
224 mm
76,5 mm
21 mm
137 mm
121 mm
32 mm
41 mm
70 mm
45
6,9 kg
70 mm
48 mm
75 mm
66
M10x1
167 mm
111 mm
T215
UC215
26 mm
151 mm
232 mm
79,5 mm
21 mm
140 mm
121 mm
32 mm
41 mm
70 mm
49.5
7,2 kg
70 mm
51 mm
80 mm
72.5
M10x1
184 mm
111 mm
T216
UC216
26 mm
165 mm
235 mm
79,5 mm
21 mm
140 mm
121 mm
32 mm
41 mm
70 mm
54.2
8,2 kg
73 mm
54 mm
85 mm
83.2
M10x1
198 mm
124 mm
T217
UC217
30 mm
173 mm
260 mm
83,5 mm
29 mm
162 mm
157 mm
38 mm
48 mm
73 mm
63.8
10,8 kg

Nedladdning av CAD När du ser en grön  Solid component icon på en artikel i listan betyder det att du kan ladda ner dess CAD-ritning i det format som du först väljer i listan här. Klicka sedan på ikonen så genereras CAD-filen och nedladdning påbörjas direkt. 

 

Vald variant

Välj en variant i listan

Har du frågor?

Fredrik Scholander

Säljkontakt & produktansvarig

075-24 24 971
Skicka e-post
Kundsupport
Vi finns här för att hjälpa till och om det finns frågor
075-24 24 956
Skicka e-post
Vanliga frågor
+ Hur blir man kund hos er?
+ Kan jag köpa produkter hos er som privatperson?
+ Kan jag se lagersaldo?
+ Vilka priser ser jag?
+ Kan jag se min orderhistorik på er hemsida?

Skicka ett mail

Hittar du inte det du söker eller kan vi hjälpa dig på något annat vis? Fyll i formuläret nedan så återkommer vi så snart vi bara kan!

Vänligen inkludera ett telefonnummer om du önskar bli uppringd.

Tack för ditt meddelande!

Tack för att du kontaktar oss på Internordic! Vi återkommer till dig så snart vi kan.

Hoppsan, något gick fel!

Något verkar ha gått fel. Vänligen kontrollera din information eller försök igen senare.
Behöver du hjälp?
Logo

Cookieinställningar för internordic.com

Cookies hjälper oss förbättra din upplevelse hos oss. Så för att kunna analysera trafiken, hantera inloggningsuppgifter, erbjuda dig personlig information och för att grundläggande funktionalitet ska fungera på webbplatsen behöver vi använda oss av lite cookies.

 

Psst! Vi säljer självklart inte vidare information om dig.

Nödvändiga cookies

Dessa cookies är nödvändiga för att webbplatsen ska fungera och kan inte stängas av i våra system. De används vanligtvis endast som svar på åtgärder som du har gjort i anslutning till en tjänstebegäran, till exempel när du ställer in personliga preferenser, loggar in eller fyller i ett formulär.

Analys och mätning

Dessa cookies tillåter oss att räkna antal besök och trafikkällor så att vi kan mäta och förbättra vår webbplatsprestanda. De hjälper oss att veta vilka sidor som är mer eller mindre populära och hur besökare navigerar runt på webbplatsen. Informationen som dessa cookies samlar in är aggregerad och därför helt anonym. Om du inte tillåter dessa cookies vet vi inte när du har besökt vår webbplats.

Marknadsföring

Dessa cookies kan läggas till av våra partners. De kan använda dem för att skapa en profil av dig, baserad på dina intressen, för att visa dig mer relevant information. De sparar ingen personlig information – endast information om din webbläsare och enhet. Om du inte godkänner dessa cookies, kommer du att få en mer allmän och mindre anpassad användarupplevelse.