• 15 000 artiklar Över 9 000 artiklar i lager
  • Utleverans samma dag Pris, lagersaldo och weborder direkt här på hemsidan
  • Lager Vi samarbetar med ledande tillverkare

SFERO

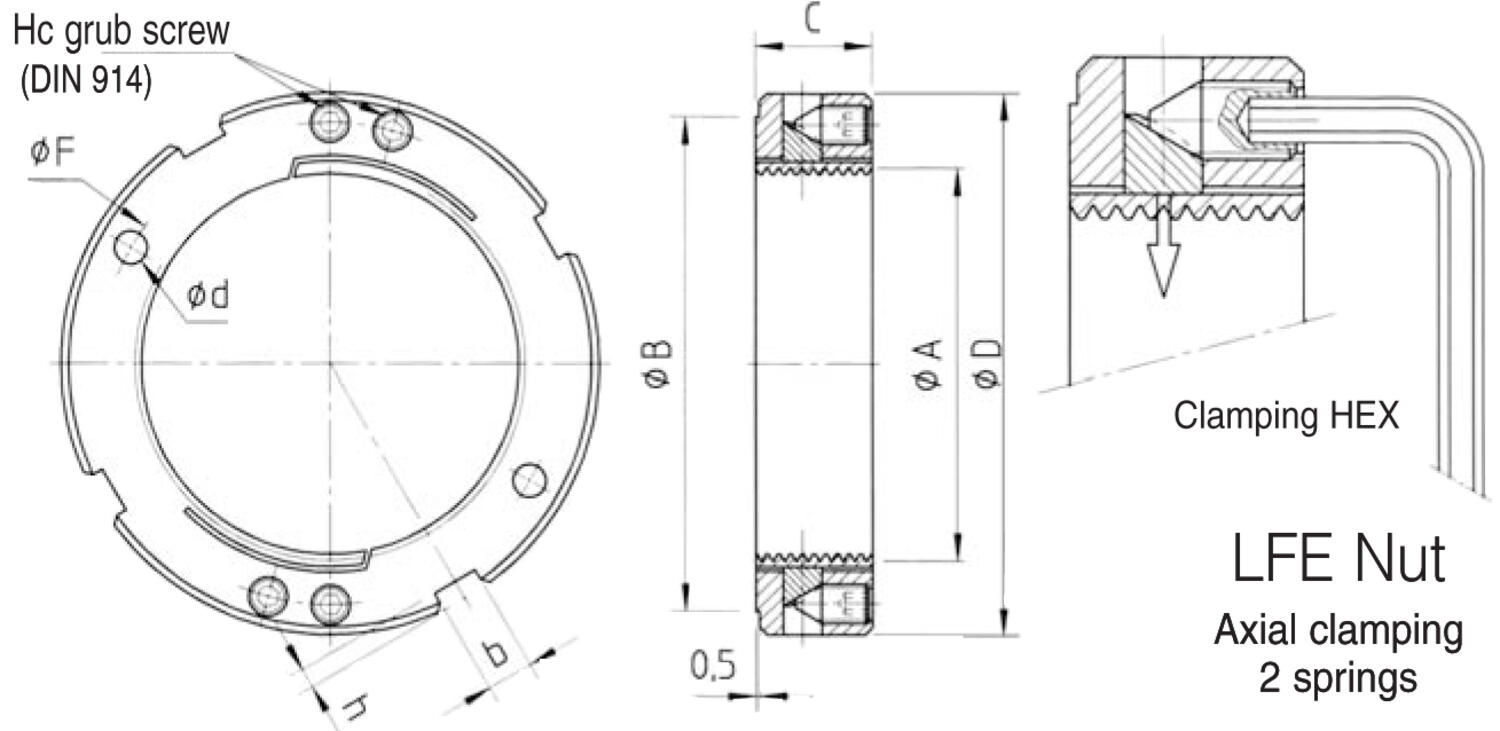
LFE Balanserad frontlåsning

LFE Balanserad frontlåsning

För applikationer med hög hastighet och hög låseffekt eftersträvas och montering inte tillåter radiell låsning tillhandahåller SFERO LFE mutter. Låsskruvarna är monterade på gaveln av muttern och därmed kan muttern appliceras i trånga utrymmen. De två låsslitsarna är symmetriskt placerade 180° mot varandra, LFE muttern är därmed balanserad och välanpassad för höga hastigheter. De två låsslitsarna ger också dubbellåseffekt gentemot LF muttern med en låsslits.Den vinkelräta kontaktytan ger en precis och säker låsning där hög precision eftersträvas. Även här finns det hål på gaveln för enkel montering med låsnyckel.

PERFEKT FÖR FÖLJANDE BRANSCHER OCH ANVÄNDNINGSOMRÅDEN

  • Fixering och injustering av alla typer av lager
  • Montering av kulskruvar
  • Roterande höghastighetsspindlar
  • System med högfrekventa växlingar av rörelseriktning
  • Kalibrering av fjädersystem
  • Konstruktioner som utsätts för höga temperaturer och/eller vibrationer
  • Konstruktioner som regelbundet demonteras eller återmonteras

 

Exempel på branscher är fordons-, flyg-, process-, offshore/marinindustri, vals/järnverk.
Men också alla typer av maskintillverkare som t.ex. tryckeri, emballage, samt motorer, turbiner, kompressorer etc.

 

Teknisk fakta & Att tänka på

  • Muttrarna är tillverkade i 20MV6, ett stål med hög sträck- & brottgräns
  • Gängtolerans 4H, andra låsmuttrar har vanligen endast 5H eller 6H
  • Slitsarna är laserskurna
  • Svarteloxerad
  • Slipad och polerad anläggningsyta
  • Vinkelräthet, framsida mot hål; 0,005
  • 4 st urfräsningar i 90 grader för haknyckel
  • Kundanpassning kan erbjudas med tillverkning i ett flertal olika material och gängtyper

 

Åtdragningsmoment stoppskruvar

M4 skruv 2,5 Nm M8 skruv 18 Nm

M5 skruv 5 Nm M10 skruv 36 Nm

M6 skruv 8 Nm

 

 

 

 

 

NOTERAS! Stoppskruvarna får EJ röras när muttern ej är monterad på axel.

Läs mer
  • Frontlåsning för trånga utrymmen
  • 2st låsslitsar för balansering av mutter tillåter ökad rotationshastighet
  • Dubbelt så hög låseffekt jämfört med mutter i samma storlek

Vald variant

Vald variant

Teknisk data

Axiell last max 37800 N
b+h 4x2
Bredd C 15 mm
Diameter B 34 mm
Diameter d 3,2 mm
Diameter F 30 mm
Lossningsmoment 24
Stoppskruv 4xM4
Vikt 0,09 kg
Ytterdiameter D 39 mm

Nedladdning av CAD

LFE07

Nedladdning av CAD När du ser en grön  Solid component icon på en artikel i listan betyder det att du kan ladda ner dess CAD-ritning i det format som du först väljer i listan här. Klicka sedan på ikonen så genereras CAD-filen och nedladdning påbörjas direkt. 

 

Mått och inkopplingar

Produktbeskrivning

LFE Balanserad frontlåsning

För applikationer med hög hastighet och hög låseffekt eftersträvas och montering inte tillåter radiell låsning tillhandahåller SFERO LFE mutter. Låsskruvarna är monterade på gaveln av muttern och därmed kan muttern appliceras i trånga utrymmen. De två låsslitsarna är symmetriskt placerade 180° mot varandra, LFE muttern är därmed balanserad och välanpassad för höga hastigheter. De två låsslitsarna ger också dubbellåseffekt gentemot LF muttern med en låsslits.Den vinkelräta kontaktytan ger en precis och säker låsning där hög precision eftersträvas. Även här finns det hål på gaveln för enkel montering med låsnyckel.

PERFEKT FÖR FÖLJANDE BRANSCHER OCH ANVÄNDNINGSOMRÅDEN

  • Fixering och injustering av alla typer av lager
  • Montering av kulskruvar
  • Roterande höghastighetsspindlar
  • System med högfrekventa växlingar av rörelseriktning
  • Kalibrering av fjädersystem
  • Konstruktioner som utsätts för höga temperaturer och/eller vibrationer
  • Konstruktioner som regelbundet demonteras eller återmonteras

 

Exempel på branscher är fordons-, flyg-, process-, offshore/marinindustri, vals/järnverk.
Men också alla typer av maskintillverkare som t.ex. tryckeri, emballage, samt motorer, turbiner, kompressorer etc.

 

Teknisk fakta & Att tänka på

  • Muttrarna är tillverkade i 20MV6, ett stål med hög sträck- & brottgräns
  • Gängtolerans 4H, andra låsmuttrar har vanligen endast 5H eller 6H
  • Slitsarna är laserskurna
  • Svarteloxerad
  • Slipad och polerad anläggningsyta
  • Vinkelräthet, framsida mot hål; 0,005
  • 4 st urfräsningar i 90 grader för haknyckel
  • Kundanpassning kan erbjudas med tillverkning i ett flertal olika material och gängtyper

 

Åtdragningsmoment stoppskruvar

M4 skruv 2,5 Nm M8 skruv 18 Nm

M5 skruv 5 Nm M10 skruv 36 Nm

M6 skruv 8 Nm

 

 

 

 

 

NOTERAS! Stoppskruvarna får EJ röras när muttern ej är monterad på axel.

Tillbehör

Relaterade produkter

TechKnow - kunskap, kundcase och företagsnytt

Varianter Nedladdning av CAD Axiell last max b+h Bredd C Diameter B Diameter d Diameter F Lossningsmoment Stoppskruv Vikt Ytterdiameter D Pris/enhet
37800 N
4x2
15 mm
34 mm
3,2 mm
30 mm
24
4xM4
0,09 kg
39 mm
49400 N
5x2
15 mm
38 mm
4,2 mm
33 mm
30
4xM5
0,1 kg
43 mm
67100 N
5x2
15 mm
43 mm
4,2 mm
39 mm
40
4xM5
0,12 kg
48 mm
83600 N
5x2
15 mm
45 mm
4,2 mm
41 mm
48
4xM5
0,125 kg
50 mm
87400 N
5x2
15 mm
48 mm
4,2 mm
44 mm
58
4xM5
0,14 kg
53 mm
91700 N
5x2
15 mm
51 mm
4,2 mm
47 mm
70
4xM5
0,145 kg
56 mm
96500 N
6x2,5
15 mm
52 mm
4,2 mm
50 mm
82
4xM5
0,15 kg
58 mm
96800 N
6x2,5
15 mm
56 mm
4,2 mm
52 mm
90
4xM5
0,175 kg
62 mm
108800 N
6x2,5
15 mm
59 mm
4,2 mm
55 mm
110
4xM5
0,185 kg
65 mm
132200 N
6x2,5
15 mm
63 mm
4,2 mm
59 mm
140
4xM5
0,19 kg
69 mm
137600 N
6x2,5
15 mm
66 mm
4,2 mm
62 mm
170
4xM5
0,215 kg
72 mm
193000 N
7x3
15 mm
68 mm
4,2 mm
65 mm
210
4xM5
0,23 kg
75 mm
211000 N
7x3
20 mm
73 mm
4,2 mm
72 mm
260
4xM5
0,33 kg
80 mm
238600 N
7x3
20 mm
78 mm
4,2 mm
76 mm
320
4xM5
0,35 kg
85 mm
257300 N
8x3,5
20 mm
82 mm
4,2 mm
81 mm
400
4xM5
0,36 kg
90 mm
298100 N
8x3,5
20 mm
87 mm
4,2 mm
86 mm
440
4xM5
0,39 kg
95 mm
318300 N
8x3,5
20 mm
97 mm
5,2 mm
93 mm
480
4xM6
0,55 kg
105 mm
338600 N
8x3,5
20 mm
102 mm
5,2 mm
98 mm
500
4xM6
0,57 kg
110 mm
366700 N
10x4
20 mm
107 mm
5,2 mm
104 mm
530
4xM6
0,6 kg
115 mm
387400 N
10x4
20 mm
111 mm
5,2 mm
107 mm
590
4xM6
0,63 kg
120 mm
408100 N
10x4
20 mm
117 mm
5,2 mm
114 mm
650
4xM6
0,65 kg
125 mm
428800 N
12x5
20 mm
119 mm
5,2 mm
118 mm
730
4xM6
0,68 kg
130 mm
449500 N
12x5
20 mm
124 mm
5,2 mm
122 mm
810
4xM6
0,72 kg
135 mm
476900 N
12x5
20 mm
129 mm
5,2 mm
127 mm
900
4xM6
0,75 kg
140 mm
508600 N
12x5
20 mm
134 mm
5,2 mm
132 mm
1000
4xM6
0,78 kg
145 mm
530000 N
12x5
20 mm
139 mm
5,2 mm
137 mm
1120
4xM6
0,8 kg
150 mm
559200 N
12x5
20 mm
144 mm
5,2 mm
142 mm
1270
4xM6
0,85 kg
155 mm
645400 N
14x6
22 mm
152 mm
6,2 mm
150 mm
1359
4xM8
1,15 kg
165 mm
692600 N
14x6
22 mm
157 mm
6,2 mm
155 mm
2130
4xM8
1,2 kg
170 mm
717600 N
14x6
22 mm
162 mm
6,2 mm
160 mm
2130
4xM8
1,25 kg
175 mm
752500 N
14x6
22 mm
167 mm
6,2 mm
165 mm
2130
4xM8
1,3 kg
180 mm

Nedladdning av CAD När du ser en grön  Solid component icon på en artikel i listan betyder det att du kan ladda ner dess CAD-ritning i det format som du först väljer i listan här. Klicka sedan på ikonen så genereras CAD-filen och nedladdning påbörjas direkt. 

 

Vald variant

Välj en variant i listan

Har du frågor?

Torbjörn Gustafsson

Kundsupportchef och Produktansvarig Nässjö

075 - 24 24 944
Skicka e-post
Kundsupport
Vi finns här för att hjälpa till och om det finns frågor
075-24 24 956
Skicka e-post
Vanliga frågor
+ Hur blir man kund hos er?
+ Kan jag köpa produkter hos er som privatperson?
+ Kan jag se lagersaldo?
+ Vilka priser ser jag?
+ Kan jag se min orderhistorik på er hemsida?

Skicka ett mail

Hittar du inte det du söker eller kan vi hjälpa dig på något annat vis? Fyll i formuläret nedan så återkommer vi så snart vi bara kan!

Vänligen inkludera ett telefonnummer om du önskar bli uppringd.

Tack för ditt meddelande!

Tack för att du kontaktar oss på Internordic! Vi återkommer till dig så snart vi kan.

Hoppsan, något gick fel!

Något verkar ha gått fel. Vänligen kontrollera din information eller försök igen senare.
Behöver du hjälp?
Logo

Cookieinställningar för internordic.com

Cookies hjälper oss förbättra din upplevelse hos oss. Så för att kunna analysera trafiken, hantera inloggningsuppgifter, erbjuda dig personlig information och för att grundläggande funktionalitet ska fungera på webbplatsen behöver vi använda oss av lite cookies.

 

Psst! Vi säljer självklart inte vidare information om dig.

Nödvändiga cookies

Dessa cookies är nödvändiga för att webbplatsen ska fungera och kan inte stängas av i våra system. De används vanligtvis endast som svar på åtgärder som du har gjort i anslutning till en tjänstebegäran, till exempel när du ställer in personliga preferenser, loggar in eller fyller i ett formulär.

Analys och mätning

Dessa cookies tillåter oss att räkna antal besök och trafikkällor så att vi kan mäta och förbättra vår webbplatsprestanda. De hjälper oss att veta vilka sidor som är mer eller mindre populära och hur besökare navigerar runt på webbplatsen. Informationen som dessa cookies samlar in är aggregerad och därför helt anonym. Om du inte tillåter dessa cookies vet vi inte när du har besökt vår webbplats.

Marknadsföring

Dessa cookies kan läggas till av våra partners. De kan använda dem för att skapa en profil av dig, baserad på dina intressen, för att visa dig mer relevant information. De sparar ingen personlig information – endast information om din webbläsare och enhet. Om du inte godkänner dessa cookies, kommer du att få en mer allmän och mindre anpassad användarupplevelse.