NTN Europe
Användningsområde:
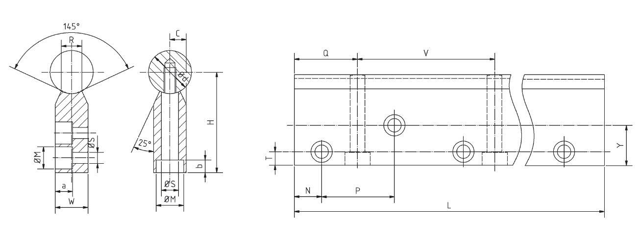
Supportskena SR40 för sidoinfästning med dubbla hålrader är anpassade att användas med vårt öppna kulbussningssortiment.
Att tänka på:
Solid eller hålad axel beställs separat
Används med fördel i applikationer tillsammans med linjärenheter med öppen bussning, ex. LSE…-SOP eller LSE…-SAO.
Dubbla rader monteringshål ger ökad stabilitet i applikationen

Art. Nr | Dimensioner (mm) | ||||||||||||||||
Ød | H | W | T | C | Y | R | ØS | ØM | b | a | P | N | Q | V | L max | vikt/m (g) | |
SR40-20 | 20 | 52 | 15 | 8 | 7,5 | 22 | 8,3 | 6,6 | 11 | 8,5 | 8,5 | 37,5 | 18,75 | 37,5 | 75 | 599,5 | 1668 |
SR40-25 | 25 | 62 | 20 | 10 | 10 | 26 | 10,8 | 9 | 15 | 15 | 11 | 2168 | |||||
SR40-30 | 30 | 72 | 25 | 12 | 12,5 | 30 | 11 | 11 | 18 | 15,3 | 13,5 | 50 | 25 | 50 | 100 | 3169 | |
SR40-40 | 40 | 88 | 30 | 15 | 38 | 15 | 14 | 20 | 19 | 16 | 4503 | ||||||
SR40-50 | 50 | 105 | 35 | 15 | 17,5 | 45 | 19 | 16 | 24 | 21,5 | 18,5 | 6172 | |||||
SR40-16-1199-N37,5-P1-W-0-04-04
1 2 3 4 5 6 7 8 9
1 | SR40 | Typ av supportskena |
2 | 16 | Diameter på axel |
3 | 1199 | Längd supportskena |
4 | N37,5 | N mått (mm) |
5 | P1 | P mått (mm) |
P0 Standardmått enl. katalog för SR10, SR30, SR40 | ||
P1 Standardmått enl. katalog för SR20 | ||
P2 Standardmått enl. katalog för SR20 | ||
6 | W | Without utan axel |
W solid axel | ||
HW hålad axel | ||
7 | 0 | Material/ytbehandling |
0 Cf53 (solid axel) C60 (hålad axel) | ||
1 X90CrMoV18 | ||
2 Cf53 hårdförkromad | ||
3 X46Cr13 | ||
8 | 04 | Typ ändbearbetning (00…06, XX- enligt kundritning) |
9 | 04 | Typ ändbearbetning (00…06, XX- enligt kundritning) |
Pos 6-9 endast för beställning med axel
För cadfiler, se Tracepartsonline.net
Nedladdning av CAD När du ser en grön
på en artikel i listan betyder det att du kan ladda ner dess CAD-ritning i det format som du först väljer i listan här. Klicka sedan på ikonen så genereras CAD-filen och nedladdning påbörjas direkt.
Användningsområde:
Supportskena SR40 för sidoinfästning med dubbla hålrader är anpassade att användas med vårt öppna kulbussningssortiment.
Att tänka på:
Solid eller hålad axel beställs separat
Används med fördel i applikationer tillsammans med linjärenheter med öppen bussning, ex. LSE…-SOP eller LSE…-SAO.
Dubbla rader monteringshål ger ökad stabilitet i applikationen

Art. Nr | Dimensioner (mm) | ||||||||||||||||
Ød | H | W | T | C | Y | R | ØS | ØM | b | a | P | N | Q | V | L max | vikt/m (g) | |
SR40-20 | 20 | 52 | 15 | 8 | 7,5 | 22 | 8,3 | 6,6 | 11 | 8,5 | 8,5 | 37,5 | 18,75 | 37,5 | 75 | 599,5 | 1668 |
SR40-25 | 25 | 62 | 20 | 10 | 10 | 26 | 10,8 | 9 | 15 | 15 | 11 | 2168 | |||||
SR40-30 | 30 | 72 | 25 | 12 | 12,5 | 30 | 11 | 11 | 18 | 15,3 | 13,5 | 50 | 25 | 50 | 100 | 3169 | |
SR40-40 | 40 | 88 | 30 | 15 | 38 | 15 | 14 | 20 | 19 | 16 | 4503 | ||||||
SR40-50 | 50 | 105 | 35 | 15 | 17,5 | 45 | 19 | 16 | 24 | 21,5 | 18,5 | 6172 | |||||
SR40-16-1199-N37,5-P1-W-0-04-04
1 2 3 4 5 6 7 8 9
1 | SR40 | Typ av supportskena |
2 | 16 | Diameter på axel |
3 | 1199 | Längd supportskena |
4 | N37,5 | N mått (mm) |
5 | P1 | P mått (mm) |
P0 Standardmått enl. katalog för SR10, SR30, SR40 | ||
P1 Standardmått enl. katalog för SR20 | ||
P2 Standardmått enl. katalog för SR20 | ||
6 | W | Without utan axel |
W solid axel | ||
HW hålad axel | ||
7 | 0 | Material/ytbehandling |
0 Cf53 (solid axel) C60 (hålad axel) | ||
1 X90CrMoV18 | ||
2 Cf53 hårdförkromad | ||
3 X46Cr13 | ||
8 | 04 | Typ ändbearbetning (00…06, XX- enligt kundritning) |
9 | 04 | Typ ändbearbetning (00…06, XX- enligt kundritning) |
Pos 6-9 endast för beställning med axel
För cadfiler, se Tracepartsonline.net
|
|
|
|
|
|
||
|---|---|---|---|---|---|---|
|
|
|
|
|
|
||
|
|
|
|
|
|
||
|
|
|
|
|
|
||
|
|
|
|
|
|
||
|
|
|
|
|
|
||
|
|
|
|
|
|
| Varianter | Nedladdning av CAD | Pris/enhet | ||
|---|---|---|---|---|
|
Art.nr.
SR40-20
Kopierad :-)
|
| |||
|
Art.nr.
SR40-25
Kopierad :-)
|
| |||
|
Art.nr.
SR40-30
Kopierad :-)
|
| |||
|
Art.nr.
SR40-40
Kopierad :-)
|
| |||
|
Art.nr.
SR40-50
Kopierad :-)
|
|
Nedladdning av CAD När du ser en grön
på en artikel i listan betyder det att du kan ladda ner dess CAD-ritning i det format som du först väljer i listan här. Klicka sedan på ikonen så genereras CAD-filen och nedladdning påbörjas direkt.
Välj en variant i listan
Fredrik Scholander
Hittar du inte det du söker eller kan vi hjälpa dig på något annat vis? Fyll i formuläret nedan så återkommer vi så snart vi bara kan!
Vänligen inkludera ett telefonnummer om du önskar bli uppringd.