NTN Europe
Användningsområde:
Supportskena SR20 med fläns är anpassade att användas med vårt öppna kulbussningssortiment.
Används där utrymme finns för infästning från baksida.
Att tänka på:
Solid eller hålad axel beställs separat
Infästning med fläns ger supportskena god stabilitet

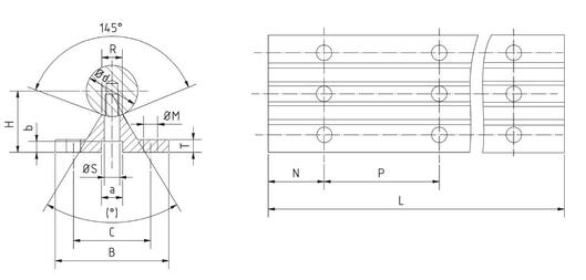
Art. Nr | Dimensioner (mm) | |||||||||||||||||
Ød | H±0,02 | h | B | C±0,15 | T | R | a | b | M | S | (°) | P1 | P1 | N1 | N2 | L max | vikt/m (g) | |
SR20-12 | 12 | 22 | 15,5 | 40 | 29 | 5 | 5,8 | 8 | 5 | 4,5 | 4,5 | 50 | 75 | 120 | 37,5 | 60 | 599,5 | 867 |
SR20-16 | 16 | 26 | 16 | 45 | 33 | 7 | 9,5 | 6 | 5,5 | 5,5 | 100 | 150 | 50 | 75 | 1067 | |||
SR20-20 | 20 | 32 | 20 | 52 | 37 | 6 | 8,3 | 11 | 6,5 | 6,6 | 6,6 | 1500 | ||||||
SR20-25 | 25 | 36 | 25 | 57 | 42 | 10,3 | 14 | 8,5 | 9 | 120 | 200 | 60 | 100 | 1801 | ||||
SR20-30 | 30 | 42 | 30 | 69 | 51 | 7 | 11 | 17 | 10,5 | 9 | 11 | 150 | 75 | 2385 | ||||
SR20-40 | 40 | 50 | 38 | 73 | 55 | 8 | 15 | 200 | 300 | 100 | 150 | 3019 | ||||||
SR20-50 | 50 | 60 | 45 | 84 | 63 | 9 | 19 | 19 | 12,5 | 11 | 13 | 40 | 4086 | |||||
SR20-16-1199-N37,5-P1-W-0-04-04
1 2 3 4 5 6 7 8 9
1 | SR20 | Typ av supportskena |
2 | 16 | Diameter på axel |
3 | 1199 | Längd supportskena |
4 | N37,5 | N mått (mm) |
5 | P1 | P mått (mm) |
P0 Standardmått enl. katalog för SR10, SR30, SR40 | ||
P1 Standardmått enl. katalog för SR20 | ||
P2 Standardmått enl. katalog för SR20 | ||
6 | W | Without utan axel |
W solid axel | ||
HW hålad axel | ||
7 | 0 | Material/ytbehandling |
0 Cf53 (solid axel) C60 (hålad axel) | ||
1 X90CrMoV18 | ||
2 Cf53 hårdförkromad | ||
3 X46Cr13 | ||
8 | 04 | Typ ändbearbetning (00…06, XX- enligt kundritning) |
9 | 04 | Typ ändbearbetning (00…06, XX- enligt kundritning) |
Pos 6-9 endast för beställning med axel
För cadfiler, se Tracepartsonline.net
Nedladdning av CAD När du ser en grön
på en artikel i listan betyder det att du kan ladda ner dess CAD-ritning i det format som du först väljer i listan här. Klicka sedan på ikonen så genereras CAD-filen och nedladdning påbörjas direkt.
Användningsområde:
Supportskena SR20 med fläns är anpassade att användas med vårt öppna kulbussningssortiment.
Används där utrymme finns för infästning från baksida.
Att tänka på:
Solid eller hålad axel beställs separat
Infästning med fläns ger supportskena god stabilitet

Art. Nr | Dimensioner (mm) | |||||||||||||||||
Ød | H±0,02 | h | B | C±0,15 | T | R | a | b | M | S | (°) | P1 | P1 | N1 | N2 | L max | vikt/m (g) | |
SR20-12 | 12 | 22 | 15,5 | 40 | 29 | 5 | 5,8 | 8 | 5 | 4,5 | 4,5 | 50 | 75 | 120 | 37,5 | 60 | 599,5 | 867 |
SR20-16 | 16 | 26 | 16 | 45 | 33 | 7 | 9,5 | 6 | 5,5 | 5,5 | 100 | 150 | 50 | 75 | 1067 | |||
SR20-20 | 20 | 32 | 20 | 52 | 37 | 6 | 8,3 | 11 | 6,5 | 6,6 | 6,6 | 1500 | ||||||
SR20-25 | 25 | 36 | 25 | 57 | 42 | 10,3 | 14 | 8,5 | 9 | 120 | 200 | 60 | 100 | 1801 | ||||
SR20-30 | 30 | 42 | 30 | 69 | 51 | 7 | 11 | 17 | 10,5 | 9 | 11 | 150 | 75 | 2385 | ||||
SR20-40 | 40 | 50 | 38 | 73 | 55 | 8 | 15 | 200 | 300 | 100 | 150 | 3019 | ||||||
SR20-50 | 50 | 60 | 45 | 84 | 63 | 9 | 19 | 19 | 12,5 | 11 | 13 | 40 | 4086 | |||||
SR20-16-1199-N37,5-P1-W-0-04-04
1 2 3 4 5 6 7 8 9
1 | SR20 | Typ av supportskena |
2 | 16 | Diameter på axel |
3 | 1199 | Längd supportskena |
4 | N37,5 | N mått (mm) |
5 | P1 | P mått (mm) |
P0 Standardmått enl. katalog för SR10, SR30, SR40 | ||
P1 Standardmått enl. katalog för SR20 | ||
P2 Standardmått enl. katalog för SR20 | ||
6 | W | Without utan axel |
W solid axel | ||
HW hålad axel | ||
7 | 0 | Material/ytbehandling |
0 Cf53 (solid axel) C60 (hålad axel) | ||
1 X90CrMoV18 | ||
2 Cf53 hårdförkromad | ||
3 X46Cr13 | ||
8 | 04 | Typ ändbearbetning (00…06, XX- enligt kundritning) |
9 | 04 | Typ ändbearbetning (00…06, XX- enligt kundritning) |
Pos 6-9 endast för beställning med axel
För cadfiler, se Tracepartsonline.net
|
|
|
|
|
|
||
|---|---|---|---|---|---|---|
|
|
|
|
|
|
||
|
|
|
|
|
|
||
|
|
|
|
|
|
||
|
|
|
|
|
|
||
|
|
|
|
|
|
||
|
|
|
|
|
|
| Varianter | Nedladdning av CAD | Pris/enhet | ||
|---|---|---|---|---|
|
Art.nr.
SR20-12
Kopierad :-)
|
| |||
|
Art.nr.
SR20-16
Kopierad :-)
|
| |||
|
Art.nr.
SR20-20
Kopierad :-)
|
| |||
|
Art.nr.
SR20-25
Kopierad :-)
|
| |||
|
Art.nr.
SR20-30
Kopierad :-)
|
| |||
|
Art.nr.
SR20-40
Kopierad :-)
|
| |||
|
Art.nr.
SR20-50
Kopierad :-)
|
|
Nedladdning av CAD När du ser en grön
på en artikel i listan betyder det att du kan ladda ner dess CAD-ritning i det format som du först väljer i listan här. Klicka sedan på ikonen så genereras CAD-filen och nedladdning påbörjas direkt.
Välj en variant i listan
Fredrik Scholander
Hittar du inte det du söker eller kan vi hjälpa dig på något annat vis? Fyll i formuläret nedan så återkommer vi så snart vi bara kan!
Vänligen inkludera ett telefonnummer om du önskar bli uppringd.