NTN Europe
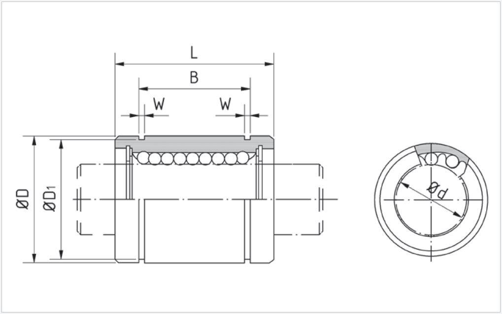
JIS Kulbussning BB är en cylindrisk bussning enl JIS (mm-standard, japanska dimensioner)
Användningsområde:
Kulbussning BB lämpar sig bra i konstruktioner där lägsta axiell och radiell friktion önskas, och där inte belastningarna är alltför höga. Används med fördel för linjära rörelser t e x inom automation, plock och placeringsmaskiner, materialhanteringsutrustning mm
Att tänka på: Fungerar med bibehållen precision i arbetsområden från -20°C till 80°C (kulhållare i plast) alternativt -20°C till 110°C (kulhållare i stål)

Art.nr. | Dimensioner | ||||||||||||
Standard | Rostfritt | Ød | Tolerans | ØD | Tolerans | L | Tolerans | B | Tolerans | W | ØD1 | ||
Material kulhållare | |||||||||||||
Plast | Stål | Plast | Stål | ||||||||||
BB3 | BB3A | BBS3 | BBS3A | 3 | 0 -0,008 | 7 | 0 -0,009 | 10 | 0 - 0,12 | -- | - | - | - |
BB4 | BB4A | BBS4 | BBS4A | 4 | 8 | 12 | |||||||
BB5 | BB5A | BBS5 | BBS5A | 5 | 10 | 15 | 10,2 | 0 -0,2 | 1,1 | 9,6 | |||
BB6 | BB6A | BBS6 | BBS6A | 6 | 0 -0,009 | 12 | 0 -0,011 | 19 | 0 -0,2 | 13,5 | 11,5 | ||
BB8S | BB8sA | BBS8s | BBS8sA | 8 | 15 | 17 | 11,5 | 14,3 | |||||
BB8 | BB8A | BBS8 | BBS8A | 8 | 15 | 24 | 17,5 | ||||||
BB10 | BB10A | BBS10 | BBS10A | 10 | 19 | 0 -0,013 | 29 | 22 | 1,3 | 18 | |||
BB12 | BB12A | BBS12 | BBS12A | 12 | 21 | 30 | 23 | 20 | |||||
BB13 | BB13A | BBS13 | BBS13A | 13 | 23 | 32 | 23 | 22 | |||||
BB16 | BB16A | BBS16 | BBS16A | 16 | 28 | 37 | 26,5 | 1,6 | 27 | ||||
BB20 | BB20A | BBS20 | BBS20A | 20 | 0 -0,010 | 32 | 0 -0,016 | 42 | 30,5 | 30,5 | |||
BB25 | BB25A | BBS25 | BBS25A | 25 | 40 | 59 | 0 -0,3 | 41 | 0 -0,3 | 1,85 | 38 | ||
BB30 | BB30A | BBS30 | BBS30A | 30 | 45 | 64 | 44,5 | 43 | |||||
BB35 | BB35A | BBS35 | BBS35A | 35 | 0 -0,012 | 52 | 0 -0,019 | 70 | 49,5 | 2,1 | 49 | ||
BB40 | BB40A | BBS40 | BBS40A | 40 | 60 | 80 | 60,5 | 57 | |||||
BB50 | BB50A | BBS50 | BBS50A | 50 | 80 | 100 | 74 | 2,65 | 76,5 | ||||
BB60 | BB60A | BBS60 | BBS60A | 60 | 0 -0,015 | 90 | 0 -0,022 | 110 | 85 | 3,15 | 86,5 | ||
BB80 | BB80A | BBS80 | BBS80A | 80 | 120 | 140 | 0 -0,4 | 105,5 | 0 -0,4 | 4,15 | 116 | ||
-- | BB100A | -- | -- | 100 | 0 -0,020 | 150 | 0 -0,025 | 175 | 125,5 | 145 | |||
-- | BB120A | -- | -- | 120 | 180 | 200 | 158,6 | 175 | |||||
-- | BB150A | -- | -- | 150 | 0 -0,025 | 210 | 1 -0,029 | 240 | 170,6 | 5,15 | 204 | ||
Art.nr. | Antal kulrader | Max excentricitet (µm) | Max radiellt spel (µm) | bärighetstal dynamisk belastning (N) | Bärighetstal statisk belastning (N) | Vikt (g) | ||||
Standard | Rostfritt | |||||||||
Material kulhållare | ||||||||||
Plast | Stål | Plast | Stål | |||||||
BB3 | BB3A | BBS3 | BBS3A | 4 | 8 | -3 | 44 | 105 | 1,4 | |
BB4 | BB4A | BBS4 | BBS4A | 47 | 127 | 2 | ||||
BB5 | BB5A | BBS5 | BBS5A | 82 | 206 | 4 | ||||
BB6 | BB6A | BBS6 | BBS6A | 12 | 131 | 265 | 8,5 | |||
BB8S | BB8sA | BBS8s | BBS8sA | 153 | 216 | 11 | ||||
BB8 | BB8A | BBS8 | BBS8A | 194 | 392 | 17 | ||||
BB10 | BB10A | BBS10 | BBS10A | -4 | 286 | 594 | 36 | |||
BB12 | BB12A | BBS12 | BBS12A | 415 | 784 | 42 | ||||
BB13 | BB13A | BBS13 | BBS13A | 421 | 784 | 49 | ||||
BB16 | BB16A | BBS16 | BBS16A | -6 | 676 | 1180 | 76 | |||
BB20 | BB20A | BBS20 | BBS20A | 5 | 15 | 792 | 1370 | 100 | ||
BB25 | BB25A | BBS25 | BBS25A | 6 | 1073 | 1570 | 240 | |||
BB30 | BB30A | BBS30 | BBS30A | -8 | 1584 | 2740 | 270 | |||
BB35 | BB35A | BBS35 | BBS35A | 20 | 1875 | 3140 | 425 | |||
BB40 | BB40A | BBS40 | BBS40A | -10 | 2357 | 4020 | 654 | |||
BB50 | BB50A | BBS50 | BBS50A | -13 | 4702 | 7940 | 1700 | |||
BB60 | BB60A | BBS60 | BBS60A | 25 | 5606 | 10000 | 2000 | |||
BB80 | BB80A | BBS80 | BBS80A | -20 | 10347 | 16000 | 4520 | |||
-- | BB100A | -- | -- | 30 | 17323 | 34800 | 8600 | |||
-- | BB120A | -- | -- | 8 | -25 | 24571 | 40000 | 15000 | ||
-- | BB150A | -- | -- | 40 | 33701 | 54300 | 20250 | |||
Art.nr. | Inre Ø | Exempel på ordernummer | ||||
Standard | Rostfritt | |||||
Material kulhållare | ||||||
Plast | Stål | Plast | Stål | |||
BB3 | BB3A | BBS3 | BBS3A | 3 | Kulbussning med dubbelsidig tätning standard | |
BB4 | BB4A | BBS4 | BBS4A | 4 | ||
BB5 | BB5A | BBS5 | BBS5A | 5 | ||
BB6 | BB6A | BBS6 | BBS6A | 8 | ||
BB8s | BB8sA | BBS8s | BBS8As | 8 | ||
BB8 | BB8A | BBS8 | BBS8A | 8 | ||
BB10 | BB10A | BBS10 | BBS10A | 10 | ||
BB12 | BB12A | BBS12 | BBS12A | 12 | ||
BB13 | BB13A | BBS13 | BBS13A | 13 | ||
BB16 | BB16A | BBS16 | BBS16A | 16 | ||
BB20 | BB20A | BBS20 | BBS20A | 20 | ||
BB25 | BB25A | BBS25 | BBS25A | 25 | ||
BB30 | BB30A | BBS30 | BBS30A | 30 | ||
BB35 | BB35A | BBS35 | BBS35A | 35 | ||
BB40 | BB40A | BBS40 | BBS40A | 40 | ||
BB50 | BB50A | BBS50 | BBS50A | 50 | ||
BB60 | BB60A | BBS60 | BBS60A | 60 | ||
BB80 | BB80A | BBS80 | BBS80A | 80 | ||
-- | BB100A | -- | -- | 100 | ||
-- | BB120A | -- | -- | 120 | ||
-- | BB150A | -- | -- | 150 | ||
För cadfiler, se Tracepartsonline.net
| d (innerdiameter) | 3 mm |
|---|---|
| D (ytterdiameter) | 7 mm |
| L | 10 mm |
| Vikt | 0,001 kg |
|---|
Nedladdning av CAD När du ser en grön
på en artikel i listan betyder det att du kan ladda ner dess CAD-ritning i det format som du först väljer i listan här. Klicka sedan på ikonen så genereras CAD-filen och nedladdning påbörjas direkt.
JIS Kulbussning BB är en cylindrisk bussning enl JIS (mm-standard, japanska dimensioner)
Användningsområde:
Kulbussning BB lämpar sig bra i konstruktioner där lägsta axiell och radiell friktion önskas, och där inte belastningarna är alltför höga. Används med fördel för linjära rörelser t e x inom automation, plock och placeringsmaskiner, materialhanteringsutrustning mm
Att tänka på: Fungerar med bibehållen precision i arbetsområden från -20°C till 80°C (kulhållare i plast) alternativt -20°C till 110°C (kulhållare i stål)

Art.nr. | Dimensioner | ||||||||||||
Standard | Rostfritt | Ød | Tolerans | ØD | Tolerans | L | Tolerans | B | Tolerans | W | ØD1 | ||
Material kulhållare | |||||||||||||
Plast | Stål | Plast | Stål | ||||||||||
BB3 | BB3A | BBS3 | BBS3A | 3 | 0 -0,008 | 7 | 0 -0,009 | 10 | 0 - 0,12 | -- | - | - | - |
BB4 | BB4A | BBS4 | BBS4A | 4 | 8 | 12 | |||||||
BB5 | BB5A | BBS5 | BBS5A | 5 | 10 | 15 | 10,2 | 0 -0,2 | 1,1 | 9,6 | |||
BB6 | BB6A | BBS6 | BBS6A | 6 | 0 -0,009 | 12 | 0 -0,011 | 19 | 0 -0,2 | 13,5 | 11,5 | ||
BB8S | BB8sA | BBS8s | BBS8sA | 8 | 15 | 17 | 11,5 | 14,3 | |||||
BB8 | BB8A | BBS8 | BBS8A | 8 | 15 | 24 | 17,5 | ||||||
BB10 | BB10A | BBS10 | BBS10A | 10 | 19 | 0 -0,013 | 29 | 22 | 1,3 | 18 | |||
BB12 | BB12A | BBS12 | BBS12A | 12 | 21 | 30 | 23 | 20 | |||||
BB13 | BB13A | BBS13 | BBS13A | 13 | 23 | 32 | 23 | 22 | |||||
BB16 | BB16A | BBS16 | BBS16A | 16 | 28 | 37 | 26,5 | 1,6 | 27 | ||||
BB20 | BB20A | BBS20 | BBS20A | 20 | 0 -0,010 | 32 | 0 -0,016 | 42 | 30,5 | 30,5 | |||
BB25 | BB25A | BBS25 | BBS25A | 25 | 40 | 59 | 0 -0,3 | 41 | 0 -0,3 | 1,85 | 38 | ||
BB30 | BB30A | BBS30 | BBS30A | 30 | 45 | 64 | 44,5 | 43 | |||||
BB35 | BB35A | BBS35 | BBS35A | 35 | 0 -0,012 | 52 | 0 -0,019 | 70 | 49,5 | 2,1 | 49 | ||
BB40 | BB40A | BBS40 | BBS40A | 40 | 60 | 80 | 60,5 | 57 | |||||
BB50 | BB50A | BBS50 | BBS50A | 50 | 80 | 100 | 74 | 2,65 | 76,5 | ||||
BB60 | BB60A | BBS60 | BBS60A | 60 | 0 -0,015 | 90 | 0 -0,022 | 110 | 85 | 3,15 | 86,5 | ||
BB80 | BB80A | BBS80 | BBS80A | 80 | 120 | 140 | 0 -0,4 | 105,5 | 0 -0,4 | 4,15 | 116 | ||
-- | BB100A | -- | -- | 100 | 0 -0,020 | 150 | 0 -0,025 | 175 | 125,5 | 145 | |||
-- | BB120A | -- | -- | 120 | 180 | 200 | 158,6 | 175 | |||||
-- | BB150A | -- | -- | 150 | 0 -0,025 | 210 | 1 -0,029 | 240 | 170,6 | 5,15 | 204 | ||
Art.nr. | Antal kulrader | Max excentricitet (µm) | Max radiellt spel (µm) | bärighetstal dynamisk belastning (N) | Bärighetstal statisk belastning (N) | Vikt (g) | ||||
Standard | Rostfritt | |||||||||
Material kulhållare | ||||||||||
Plast | Stål | Plast | Stål | |||||||
BB3 | BB3A | BBS3 | BBS3A | 4 | 8 | -3 | 44 | 105 | 1,4 | |
BB4 | BB4A | BBS4 | BBS4A | 47 | 127 | 2 | ||||
BB5 | BB5A | BBS5 | BBS5A | 82 | 206 | 4 | ||||
BB6 | BB6A | BBS6 | BBS6A | 12 | 131 | 265 | 8,5 | |||
BB8S | BB8sA | BBS8s | BBS8sA | 153 | 216 | 11 | ||||
BB8 | BB8A | BBS8 | BBS8A | 194 | 392 | 17 | ||||
BB10 | BB10A | BBS10 | BBS10A | -4 | 286 | 594 | 36 | |||
BB12 | BB12A | BBS12 | BBS12A | 415 | 784 | 42 | ||||
BB13 | BB13A | BBS13 | BBS13A | 421 | 784 | 49 | ||||
BB16 | BB16A | BBS16 | BBS16A | -6 | 676 | 1180 | 76 | |||
BB20 | BB20A | BBS20 | BBS20A | 5 | 15 | 792 | 1370 | 100 | ||
BB25 | BB25A | BBS25 | BBS25A | 6 | 1073 | 1570 | 240 | |||
BB30 | BB30A | BBS30 | BBS30A | -8 | 1584 | 2740 | 270 | |||
BB35 | BB35A | BBS35 | BBS35A | 20 | 1875 | 3140 | 425 | |||
BB40 | BB40A | BBS40 | BBS40A | -10 | 2357 | 4020 | 654 | |||
BB50 | BB50A | BBS50 | BBS50A | -13 | 4702 | 7940 | 1700 | |||
BB60 | BB60A | BBS60 | BBS60A | 25 | 5606 | 10000 | 2000 | |||
BB80 | BB80A | BBS80 | BBS80A | -20 | 10347 | 16000 | 4520 | |||
-- | BB100A | -- | -- | 30 | 17323 | 34800 | 8600 | |||
-- | BB120A | -- | -- | 8 | -25 | 24571 | 40000 | 15000 | ||
-- | BB150A | -- | -- | 40 | 33701 | 54300 | 20250 | |||
Art.nr. | Inre Ø | Exempel på ordernummer | ||||
Standard | Rostfritt | |||||
Material kulhållare | ||||||
Plast | Stål | Plast | Stål | |||
BB3 | BB3A | BBS3 | BBS3A | 3 | Kulbussning med dubbelsidig tätning standard | |
BB4 | BB4A | BBS4 | BBS4A | 4 | ||
BB5 | BB5A | BBS5 | BBS5A | 5 | ||
BB6 | BB6A | BBS6 | BBS6A | 8 | ||
BB8s | BB8sA | BBS8s | BBS8As | 8 | ||
BB8 | BB8A | BBS8 | BBS8A | 8 | ||
BB10 | BB10A | BBS10 | BBS10A | 10 | ||
BB12 | BB12A | BBS12 | BBS12A | 12 | ||
BB13 | BB13A | BBS13 | BBS13A | 13 | ||
BB16 | BB16A | BBS16 | BBS16A | 16 | ||
BB20 | BB20A | BBS20 | BBS20A | 20 | ||
BB25 | BB25A | BBS25 | BBS25A | 25 | ||
BB30 | BB30A | BBS30 | BBS30A | 30 | ||
BB35 | BB35A | BBS35 | BBS35A | 35 | ||
BB40 | BB40A | BBS40 | BBS40A | 40 | ||
BB50 | BB50A | BBS50 | BBS50A | 50 | ||
BB60 | BB60A | BBS60 | BBS60A | 60 | ||
BB80 | BB80A | BBS80 | BBS80A | 80 | ||
-- | BB100A | -- | -- | 100 | ||
-- | BB120A | -- | -- | 120 | ||
-- | BB150A | -- | -- | 150 | ||
För cadfiler, se Tracepartsonline.net
|
|
|
|
|
|
||
|---|---|---|---|---|---|---|
|
|
|
|
|
|
||
|
|
|
|
|
|
||
|
|
|
|
|
|
||
|
|
|
|
|
|
||
|
|
|
|
|
|
||
|
|
|
|
|
|
| Varianter | Nedladdning av CAD | B | d (innerdiameter) | D (ytterdiameter) | L | Vikt | Pris/enhet | ||
|---|---|---|---|---|---|---|---|---|---|
JIS standard kulbussning
Art.nr.
BB3UU
Kopierad :-)
|
|
3 mm
|
7 mm
|
10 mm
|
0,001 kg
|
|
|||
JIS standard kulbussning
Art.nr.
BB4UU
Kopierad :-)
|
|
4 mm
|
8 mm
|
12 mm
|
0,002 kg
|
|
|||
JIS standard kulbussning
Art.nr.
BB5UU
Kopierad :-)
|
10,2 mm
|
5 mm
|
10 mm
|
15 mm
|
0,004 kg
|
|
|||
JIS standard kulbussning
Art.nr.
BB6UU
Kopierad :-)
|
13,5 mm
|
6 mm
|
12 mm
|
19 mm
|
0,0085 kg
|
|
|||
JIS standard kulbussning
Art.nr.
BB8SUU
Kopierad :-)
|
11,5 mm
|
8 mm
|
15 mm
|
17 mm
|
0,011 kg
|
|
|||
KULBUSSNING JIS
Art.nr.
BB8UU
Kopierad :-)
|
17,5 mm
|
8 mm
|
15 mm
|
17,5 mm
|
0,017 kg
|
|
|||
JIS standard kulbussning
Art.nr.
BB10UU
Kopierad :-)
|
22 mm
|
10 mm
|
19 mm
|
29 mm
|
0,036 kg
|
|
|||
JIS standard kulbussning
Art.nr.
BB12UU
Kopierad :-)
|
23 mm
|
12 mm
|
21 mm
|
30 mm
|
0,042 kg
|
|
|||
JIS standard kulbussning
Art.nr.
BB13UU
Kopierad :-)
|
23 mm
|
13 mm
|
23 mm
|
32 mm
|
0,049 kg
|
|
|||
KULBUSSNING JIS
Art.nr.
BB16UU
Kopierad :-)
|
26,5 mm
|
16 mm
|
28 mm
|
37 mm
|
0,076 kg
|
|
|||
KULBUSSNING JIS
Art.nr.
BB20UU
Kopierad :-)
|
30,5 mm
|
20 mm
|
32 mm
|
42 mm
|
0,001 kg
|
|
|||
KULBUSSNING JIS
Art.nr.
BB25UU
Kopierad :-)
|
41 mm
|
25 mm
|
40 mm
|
59 mm
|
0,24 kg
|
|
|||
KULBUSSNING JIS
Art.nr.
BB30UU
Kopierad :-)
|
44,5 mm
|
30 mm
|
45 mm
|
64 mm
|
0,27 kg
|
|
|||
JIS standard kulbussning
Art.nr.
BB35UU
Kopierad :-)
|
|
35 mm
|
52 mm
|
70 mm
|
0,425 kg
|
|
|||
KULBUSSNING JIS
Art.nr.
BB40UU
Kopierad :-)
|
60,5 mm
|
40 mm
|
60 mm
|
80 mm
|
0,0654 kg
|
|
|||
JIS standard kulbussning
Art.nr.
BB50UU
Kopierad :-)
|
74 mm
|
50 mm
|
80 mm
|
100 mm
|
1,7 kg
|
|
|||
JIS standard kulbussning
Art.nr.
BB60UU
Kopierad :-)
|
85 mm
|
60 mm
|
90 mm
|
110 mm
|
2 kg
|
|
|||
JIS standard kulbussning
Art.nr.
BB80UU
Kopierad :-)
|
105,5 mm
|
80 mm
|
120 mm
|
140 mm
|
4,52 kg
|
|
|||
JIS standard kulbussning
Art.nr.
BB100AUU
Kopierad :-)
|
125,5 mm
|
100 mm
|
150 mm
|
175 mm
|
8,6 kg
|
|
|||
JIS standard kulbussning
Art.nr.
BB120AUU
Kopierad :-)
|
158,6 mm
|
120 mm
|
180 mm
|
200 mm
|
15 kg
|
|
|||
JIS standard kulbussning
Art.nr.
BB150AUU
Kopierad :-)
|
170,6 mm
|
150 mm
|
210 mm
|
240 mm
|
20,25 kg
|
|
Nedladdning av CAD När du ser en grön
på en artikel i listan betyder det att du kan ladda ner dess CAD-ritning i det format som du först väljer i listan här. Klicka sedan på ikonen så genereras CAD-filen och nedladdning påbörjas direkt.
Välj en variant i listan
Hittar du inte det du söker eller kan vi hjälpa dig på något annat vis? Fyll i formuläret nedan så återkommer vi så snart vi bara kan!
Vänligen inkludera ett telefonnummer om du önskar bli uppringd.