NTN Europe
Linjärenhet med standard öppen cylindrisk kulbussning
Erbjuder följande fördelar:
Normalt när en öppen kulbussning används, om lasten appliceras mot den öppna sidan reduceras lastkapaciteten avsevärt. Linjärenheten LSEUU-SAO är konstruerad för att hantera krafter i alla riktningar utan att minska lastkapaciteten. Dessutom passar den till till alla typer av applikationer som behöver nollspel eller med förspänning.
Det radiella spelet ändras med hjälp av en justerskruv
Att tänka på:
Linjärenheter i LSEUU-SAO serien erbjuder reducerade konstruktionskostnader och en enkel montering i applikationen.
Minskad vikt erhålls genom användande av höghållfast aluminium vilket möjliggör större accelerationer och högre hastigheter
Om flera linjärenheter används tätt tillsammans i en applikation kan rörelsemomentet och livslängden påverkas av precisionen i montering, då i dessa fall en jämn lastfördelning är svår att uppnå

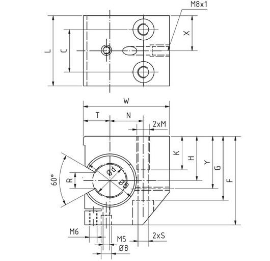
Art.nr | Dimensioner (mm) | |||||||||
Ød | ØD H6 | H +0,01 -0,02 | W | L +0,3 | F | G | T | ±0,02 | C | |
LSE20UU-SAO | 20 | 32 | 30 | 60 | 54 | 60 | 42 | 17 | 30 | |
LSE25UU-SAO | 25 | 40 | 35 | 75 | 67 | 72 | 50 | 21 | 36 | |
LSE30UU-SAO | 30 | 47 | 40 | 86 | 79 | 82 | 55 | 25 | 42 | |
LSE40UU-SAO | 40 | 62 | 45 | 110 | 91 | 100 | 67 | 32 | 48 | |
|
|
|
|
|
|
|
|
|
|
|
|
|
|
|
|
|
|
|
|
|
|
Art.nr | Dimensioner (mm) |
|
|
|
| |||||
M | K | S | R+0,6 | x | y |
|
|
|
| |
LSE20UU-SAO | M10 | 22 | 8,6 | 10,2 | 23,5 | 32 |
|
|
|
|
LSE25UU-SAO | M12 | 26 | 10,3 | 12,5 | 29 | 38 |
|
|
|
|
LSE30UU-SAO | M16 | 34 | 13,5 | 13,9 | 34 | 44 |
|
|
|
|
LSE40UU-SAO | M20 | 43 | 17,5 | 18 | 40 | 50 |
|
|
|
|
Art.nr | bärighetstal dynamisk belastning (N) | Bärighetstal statisk belastning (N) | Vikt (g) |
LSE20UU-SAO | 877 | 1370 | 504 |
LSE25UU-SAO | 908 | 1570 | 995 |
LSE30UU-SAO | 1584 | 2740 | 1510 |
LSE40UU-SAO | 2357 | 4020 | 2665 |
Art./Ordernr |
LSE20UU-SAO |
LSE25UU-SAO |
LSE30UU-SAO |
LSE40UU-SAO |
För cadfiler, se Tracepartsonline.net
Linjärenhet med standard öppen cylindrisk kulbussning
Erbjuder följande fördelar:
Normalt när en öppen kulbussning används, om lasten appliceras mot den öppna sidan reduceras lastkapaciteten avsevärt. Linjärenheten LSEUU-SAO är konstruerad för att hantera krafter i alla riktningar utan att minska lastkapaciteten. Dessutom passar den till till alla typer av applikationer som behöver nollspel eller med förspänning.
Det radiella spelet ändras med hjälp av en justerskruv
Att tänka på:
Linjärenheter i LSEUU-SAO serien erbjuder reducerade konstruktionskostnader och en enkel montering i applikationen.
Minskad vikt erhålls genom användande av höghållfast aluminium vilket möjliggör större accelerationer och högre hastigheter
Om flera linjärenheter används tätt tillsammans i en applikation kan rörelsemomentet och livslängden påverkas av precisionen i montering, då i dessa fall en jämn lastfördelning är svår att uppnå

Art.nr | Dimensioner (mm) | |||||||||
Ød | ØD H6 | H +0,01 -0,02 | W | L +0,3 | F | G | T | ±0,02 | C | |
LSE20UU-SAO | 20 | 32 | 30 | 60 | 54 | 60 | 42 | 17 | 30 | |
LSE25UU-SAO | 25 | 40 | 35 | 75 | 67 | 72 | 50 | 21 | 36 | |
LSE30UU-SAO | 30 | 47 | 40 | 86 | 79 | 82 | 55 | 25 | 42 | |
LSE40UU-SAO | 40 | 62 | 45 | 110 | 91 | 100 | 67 | 32 | 48 | |
|
|
|
|
|
|
|
|
|
|
|
|
|
|
|
|
|
|
|
|
|
|
Art.nr | Dimensioner (mm) |
|
|
|
| |||||
M | K | S | R+0,6 | x | y |
|
|
|
| |
LSE20UU-SAO | M10 | 22 | 8,6 | 10,2 | 23,5 | 32 |
|
|
|
|
LSE25UU-SAO | M12 | 26 | 10,3 | 12,5 | 29 | 38 |
|
|
|
|
LSE30UU-SAO | M16 | 34 | 13,5 | 13,9 | 34 | 44 |
|
|
|
|
LSE40UU-SAO | M20 | 43 | 17,5 | 18 | 40 | 50 |
|
|
|
|
Art.nr | bärighetstal dynamisk belastning (N) | Bärighetstal statisk belastning (N) | Vikt (g) |
LSE20UU-SAO | 877 | 1370 | 504 |
LSE25UU-SAO | 908 | 1570 | 995 |
LSE30UU-SAO | 1584 | 2740 | 1510 |
LSE40UU-SAO | 2357 | 4020 | 2665 |
Art./Ordernr |
LSE20UU-SAO |
LSE25UU-SAO |
LSE30UU-SAO |
LSE40UU-SAO |
För cadfiler, se Tracepartsonline.net
|
|
|
|
|
|
||
|---|---|---|---|---|---|---|
|
|
|
|
|
|
||
|
|
|
|
|
|
||
|
|
|
|
|
|
||
|
|
|
|
|
|
||
|
|
|
|
|
|
||
|
|
|
|
|
|
| Varianter | Nedladdning av CAD | Pris/enhet | ||
|---|---|---|---|---|
Lagerenhet med standard kulbussning sidöppning justerbar
Art.nr.
LSE20UUSAO
Kopierad :-)
|
| |||
Lagerenhet med standard kulbussning sidöppning justerbar
Art.nr.
LSE25UUSAO
Kopierad :-)
|
| |||
Lagerenhet med standard kulbussning sidöppning justerbar
Art.nr.
LSE30UUSAO
Kopierad :-)
|
| |||
Lagerenhet med standard kulbussning sidöppning justerbar
Art.nr.
LSE40UUSAO
Kopierad :-)
|
|
Nedladdning av CAD När du ser en grön
på en artikel i listan betyder det att du kan ladda ner dess CAD-ritning i det format som du först väljer i listan här. Klicka sedan på ikonen så genereras CAD-filen och nedladdning påbörjas direkt.
Välj en variant i listan
Fredrik Scholander
Hittar du inte det du söker eller kan vi hjälpa dig på något annat vis? Fyll i formuläret nedan så återkommer vi så snart vi bara kan!
Vänligen inkludera ett telefonnummer om du önskar bli uppringd.