NTN Europe
Linjärenhet med super kulbussning
De erbjuder följande fördelar:
Tack vare dess optimerade konstruktion kan linjärenheter i LSET-UU-OP serien rekommenderas till alla typer av applikationer som kräver hög lastkapacitet, längre serviceintervaller och hög driftshastighet.
Används med fördel till applikationer med lång rörelse, då support av axel för att undvika böjning måste användas. Fördel är att en styvare konstruktion kan uppnås.
Att tänka på:
Linjärenheter i LSET-UU-OP serien erbjuder reducerade konstruktionskostnader och en enkel montering i applikationen.
Minskad vikt erhålls genom användande av höghållfast aluminium vilket möjliggör större accelarationer och högre hastigheter

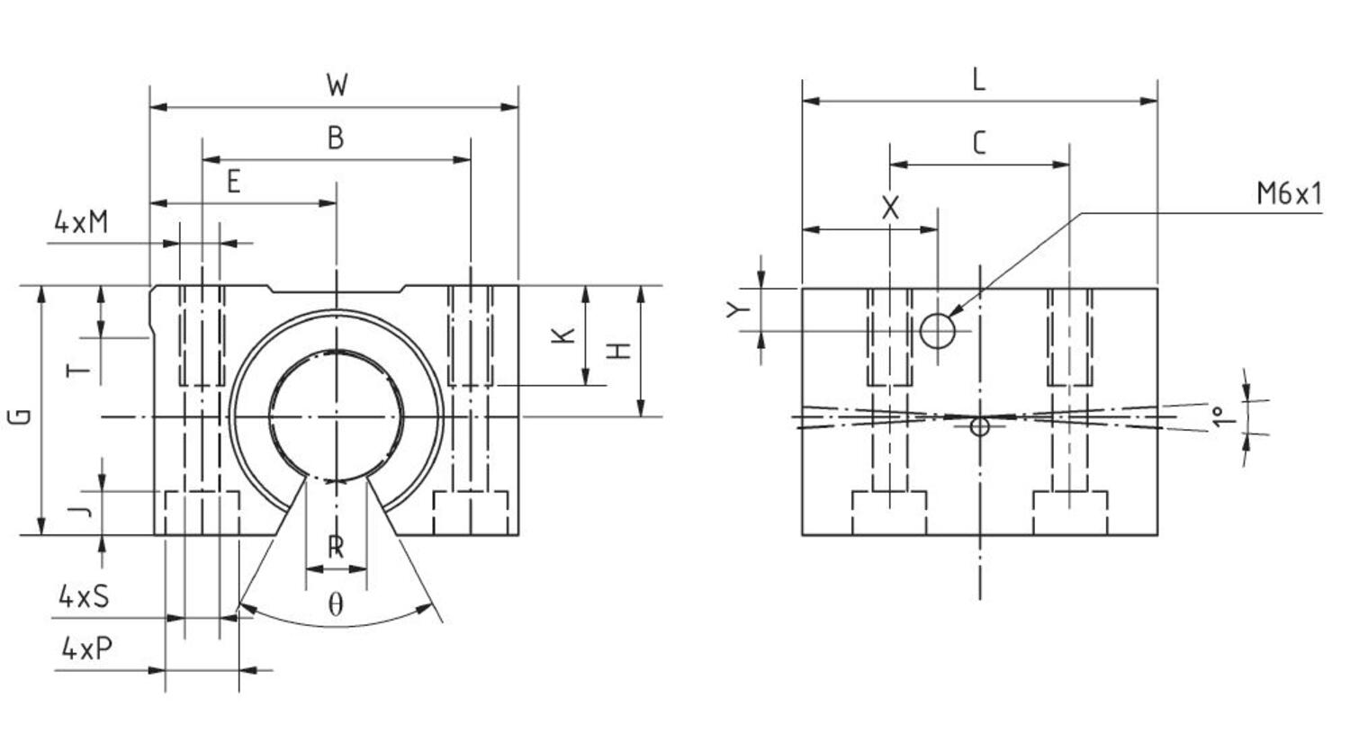
Art.nr | Dimensioner (mm) | |||||||||||||||||
Ød | H±0,015 | E±0,015 | W | L | G | T | R | ذ | X | Y | B | C | M | K | S | P | J | |
LSET12UU-OP | 12 | 18 | 21,5 | 43 | 39 | 28 | 5 | 6,5 | 66 | 14,5 | 7,5 | 32 | 23 | M5 | 11 | 4,3 | 8 | 4,5 |
LSET16UU-OP | 16 | 22 | 26,5 | 53 | 43 | 35 | 5 | 9 | 68 | 15,5 | 9,5 | 40 | 26 | M6 | 13 | 5,3 | 9,5 | 5,5 |
LSET20UU-OP | 20 | 25 | 30 | 60 | 54 | 42 | 5 | 9 | 55 | 19 | 9 | 45 | 32 | M8 | 18 | 6,6 | 11 | 6,5 |
LSET25UU-OP | 25 | 30 | 39 | 78 | 67 | 51 | 7 | 11,5 | 57 | 22,5 | 10 | 60 | 40 | M10 | 22 | 8,4 | 14 | 8,6 |
LSET30UU-OP | 30 | 35 | 43,5 | 87 | 79 | 60 | 8 | 14 | 57 | 26 | 11,5 | 68 | 45 | M10 | 22 | 8,4 | 14 | 8,6 |
LSET40UU-OP | 40 | 45 | 54 | 108 | 91 | 77 | 10 | 19,5 | 56 | 26,5 | 14 | 86 | 58 | M12 | 26 | 10,5 | 17,5 | 10,8 |
Art.nr | bärighetstal dynamisk belastning (N) | Bärighetstal statisk belastning (N) | Vikt (g) |
LSET12UU-OP | 1020 | 1290 | 99 |
LSET16UU-OP | 1250 | 1550 | 175 |
LSET20UU-OP | 2090 | 2630 | 275 |
LSET25UU-OP | 3780 | 4720 | 558 |
LSET30UU-OP | 5470 | 6810 | 860 |
LSET40UU-OP | 6590 | 8230 | 1490 |
Art./Ordernr |
LSET12UU-OP |
LSET16UU-OP |
LSET20UU-OP |
LSET25UU-OP |
LSET30UU-OP |
LSET40UU-OP |
För cadfiler, se Tracepartsonline.net
Linjärenhet med super kulbussning
De erbjuder följande fördelar:
Tack vare dess optimerade konstruktion kan linjärenheter i LSET-UU-OP serien rekommenderas till alla typer av applikationer som kräver hög lastkapacitet, längre serviceintervaller och hög driftshastighet.
Används med fördel till applikationer med lång rörelse, då support av axel för att undvika böjning måste användas. Fördel är att en styvare konstruktion kan uppnås.
Att tänka på:
Linjärenheter i LSET-UU-OP serien erbjuder reducerade konstruktionskostnader och en enkel montering i applikationen.
Minskad vikt erhålls genom användande av höghållfast aluminium vilket möjliggör större accelarationer och högre hastigheter

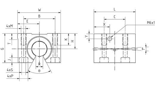
Art.nr | Dimensioner (mm) | |||||||||||||||||
Ød | H±0,015 | E±0,015 | W | L | G | T | R | ذ | X | Y | B | C | M | K | S | P | J | |
LSET12UU-OP | 12 | 18 | 21,5 | 43 | 39 | 28 | 5 | 6,5 | 66 | 14,5 | 7,5 | 32 | 23 | M5 | 11 | 4,3 | 8 | 4,5 |
LSET16UU-OP | 16 | 22 | 26,5 | 53 | 43 | 35 | 5 | 9 | 68 | 15,5 | 9,5 | 40 | 26 | M6 | 13 | 5,3 | 9,5 | 5,5 |
LSET20UU-OP | 20 | 25 | 30 | 60 | 54 | 42 | 5 | 9 | 55 | 19 | 9 | 45 | 32 | M8 | 18 | 6,6 | 11 | 6,5 |
LSET25UU-OP | 25 | 30 | 39 | 78 | 67 | 51 | 7 | 11,5 | 57 | 22,5 | 10 | 60 | 40 | M10 | 22 | 8,4 | 14 | 8,6 |
LSET30UU-OP | 30 | 35 | 43,5 | 87 | 79 | 60 | 8 | 14 | 57 | 26 | 11,5 | 68 | 45 | M10 | 22 | 8,4 | 14 | 8,6 |
LSET40UU-OP | 40 | 45 | 54 | 108 | 91 | 77 | 10 | 19,5 | 56 | 26,5 | 14 | 86 | 58 | M12 | 26 | 10,5 | 17,5 | 10,8 |
Art.nr | bärighetstal dynamisk belastning (N) | Bärighetstal statisk belastning (N) | Vikt (g) |
LSET12UU-OP | 1020 | 1290 | 99 |
LSET16UU-OP | 1250 | 1550 | 175 |
LSET20UU-OP | 2090 | 2630 | 275 |
LSET25UU-OP | 3780 | 4720 | 558 |
LSET30UU-OP | 5470 | 6810 | 860 |
LSET40UU-OP | 6590 | 8230 | 1490 |
Art./Ordernr |
LSET12UU-OP |
LSET16UU-OP |
LSET20UU-OP |
LSET25UU-OP |
LSET30UU-OP |
LSET40UU-OP |
För cadfiler, se Tracepartsonline.net
|
|
|
|
|
|
||
|---|---|---|---|---|---|---|
|
|
|
|
|
|
||
|
|
|
|
|
|
||
|
|
|
|
|
|
||
|
|
|
|
|
|
||
|
|
|
|
|
|
||
|
|
|
|
|
|
| Varianter | Nedladdning av CAD | Pris/enhet | ||
|---|---|---|---|---|
|
SUPER KULBUSSNING m HUS ÖPPEN
Art.nr.
LSET12UU-OP
Kopierad :-)
|
|
|||
|
SUPER KULBUSSNING m HUS ÖPPEN
Art.nr.
LSET16UU-OP
Kopierad :-)
|
|
|||
|
SUPER KULBUSSNING m HUS ÖPPEN
Art.nr.
LSET20UU-OP
Kopierad :-)
|
|
|||
|
SUPER KULBUSSNING m HUS ÖPPEN
Art.nr.
LSET25UU-OP
Kopierad :-)
|
|
|||
|
SUPER KULBUSSNING m HUS ÖPPEN
Art.nr.
LSET30UU-OP
Kopierad :-)
|
|
|||
|
SUPER KULBUSSNING m HUS ÖPPEN
Art.nr.
LSET40UU-OP
Kopierad :-)
|
|
Nedladdning av CAD När du ser en grön
på en artikel i listan betyder det att du kan ladda ner dess CAD-ritning i det format som du först väljer i listan här. Klicka sedan på ikonen så genereras CAD-filen och nedladdning påbörjas direkt.
Välj en variant i listan
Hittar du inte det du söker eller kan vi hjälpa dig på något annat vis? Fyll i formuläret nedan så återkommer vi så snart vi bara kan!
Vänligen inkludera ett telefonnummer om du önskar bli uppringd.