NTN Europe
Tandem linjärenhet med super kulbussning
De erbjuder följande fördelar:
Tack vare dess optimerade konstruktion kan linjärenheter i LSET-LUU-serien rekommenderas till alla typer av applikationer som kräver hög lastkapacitet, längre serviceintervaller och hög driftshastighet.
Att tänka på:
Linjärenheter i LSET-LUU-serien erbjuder reducerade konstruktionskostnader och en enkel montering i applikationen.
Minskad vikt erhålls genom användande av höghållfast aluminium vilket möjliggör större accelerationer och högre hastigheter

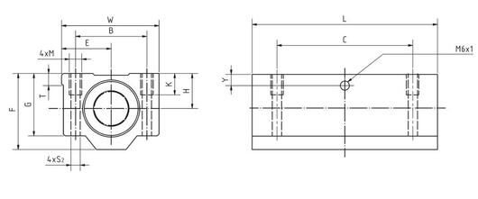
Art.nr | Dimensioner (mm) | |||||||||||||
Ød | H±0,015 | E±0,015 | W | L | F | G | T | Y | B | C | M | K | S | |
LSET8LUU | 8 | 15 | 17,5 | 35 | 62 | 28 | 22 | 5 | 6,5 | 25 | 50 | M4 | 9 | 3,3 |
LSET10LUU | 10 | 16 | 20 | 40 | 70 | 31,5 | 25 | 5 | 7 | 29 | 52 | M5 | 11 | 4,3 |
LSET12LUU | 12 | 18 | 21,5 | 43 | 76 | 35 | 28 | 5 | 7,5 | 32 | 56 | M5 | 11 | 4,3 |
LSET16LUU | 16 | 22 | 26,5 | 53 | 84 | 42 | 35 | 5 | 9,5 | 40 | 64 | M6 | 13 | 5,3 |
LSET20LUU | 20 | 25 | 30 | 60 | 104 | 50 | 42 | 5 | 9 | 45 | 76 | M8 | 18 | 6,6 |
LSET25LUU | 25 | 30 | 39 | 78 | 130 | 60 | 48 | 7 | 10 | 60 | 94 | M10 | 22 | 8,4 |
LSET30LUU | 30 | 35 | 43,5 | 87 | 152 | 70 | 58 | 8 | 11,5 | 68 | 106 | M10 | 22 | 8,4 |
LSET40LUU | 40 | 45 | 54 | 108 | 176 | 90 | 72 | 10 | 14 | 86 | 124 | M12 | 26 | 10,5 |
Art.nr | bärighetstal dynamisk belastning (N) | Bärighetstal statisk belastning (N) | Vikt (g) |
LSET8LUU | 685 | 1068 | 119 |
LSET10LUU | 1215 | 1870 | 175 |
LSET12LUU | 1652 | 2580 | 227 |
LSET16LUU | 2025 | 3100 | 390 |
LSET20LUU | 3390 | 5260 | 630 |
LSET25LUU | 6120 | 9440 | 1210 |
LSET30LUU | 8860 | 13620 | 1880 |
LSET40LUU | 10680 | 16460 | 3280 |
Art./Ordernr |
LSET8LUU |
LSET10LUU |
LSET12LUU |
LSET16LUU |
LSET20LUU |
LSET25LUU |
LSET30LUU |
LSET40LUU |
Tandem linjärenhet med super kulbussning
De erbjuder följande fördelar:
Tack vare dess optimerade konstruktion kan linjärenheter i LSET-LUU-serien rekommenderas till alla typer av applikationer som kräver hög lastkapacitet, längre serviceintervaller och hög driftshastighet.
Att tänka på:
Linjärenheter i LSET-LUU-serien erbjuder reducerade konstruktionskostnader och en enkel montering i applikationen.
Minskad vikt erhålls genom användande av höghållfast aluminium vilket möjliggör större accelerationer och högre hastigheter

Art.nr | Dimensioner (mm) | |||||||||||||
Ød | H±0,015 | E±0,015 | W | L | F | G | T | Y | B | C | M | K | S | |
LSET8LUU | 8 | 15 | 17,5 | 35 | 62 | 28 | 22 | 5 | 6,5 | 25 | 50 | M4 | 9 | 3,3 |
LSET10LUU | 10 | 16 | 20 | 40 | 70 | 31,5 | 25 | 5 | 7 | 29 | 52 | M5 | 11 | 4,3 |
LSET12LUU | 12 | 18 | 21,5 | 43 | 76 | 35 | 28 | 5 | 7,5 | 32 | 56 | M5 | 11 | 4,3 |
LSET16LUU | 16 | 22 | 26,5 | 53 | 84 | 42 | 35 | 5 | 9,5 | 40 | 64 | M6 | 13 | 5,3 |
LSET20LUU | 20 | 25 | 30 | 60 | 104 | 50 | 42 | 5 | 9 | 45 | 76 | M8 | 18 | 6,6 |
LSET25LUU | 25 | 30 | 39 | 78 | 130 | 60 | 48 | 7 | 10 | 60 | 94 | M10 | 22 | 8,4 |
LSET30LUU | 30 | 35 | 43,5 | 87 | 152 | 70 | 58 | 8 | 11,5 | 68 | 106 | M10 | 22 | 8,4 |
LSET40LUU | 40 | 45 | 54 | 108 | 176 | 90 | 72 | 10 | 14 | 86 | 124 | M12 | 26 | 10,5 |
Art.nr | bärighetstal dynamisk belastning (N) | Bärighetstal statisk belastning (N) | Vikt (g) |
LSET8LUU | 685 | 1068 | 119 |
LSET10LUU | 1215 | 1870 | 175 |
LSET12LUU | 1652 | 2580 | 227 |
LSET16LUU | 2025 | 3100 | 390 |
LSET20LUU | 3390 | 5260 | 630 |
LSET25LUU | 6120 | 9440 | 1210 |
LSET30LUU | 8860 | 13620 | 1880 |
LSET40LUU | 10680 | 16460 | 3280 |
Art./Ordernr |
LSET8LUU |
LSET10LUU |
LSET12LUU |
LSET16LUU |
LSET20LUU |
LSET25LUU |
LSET30LUU |
LSET40LUU |
|
|
|
|
|
|
||
|---|---|---|---|---|---|---|
|
|
|
|
|
|
||
|
|
|
|
|
|
||
|
|
|
|
|
|
||
|
|
|
|
|
|
||
|
|
|
|
|
|
||
|
|
|
|
|
|
| Varianter | Nedladdning av CAD | Pris/enhet | ||
|---|---|---|---|---|
|
Lagerenhet med superkulbussning lång
Art.nr.
LSET8LUU
Kopierad :-)
|
| |||
|
Lagerenhet med superkulbussning lång
Art.nr.
LSET10LUU
Kopierad :-)
|
| |||
|
Lagerenhet med superkulbussning lång
Art.nr.
LSET12LUU
Kopierad :-)
|
| |||
|
Lagerenhet med superkulbussning lång
Art.nr.
LSET16LUU
Kopierad :-)
|
| |||
|
Lagerenhet med superkulbussning lång
Art.nr.
LSET20LUU
Kopierad :-)
|
| |||
|
Lagerenhet med superkulbussning lång
Art.nr.
LSET25LUU
Kopierad :-)
|
| |||
|
Lagerenhet med superkulbussning lång
Art.nr.
LSET30LUU
Kopierad :-)
|
| |||
|
Lagerenhet med superkulbussning lång
Art.nr.
LSET40LUU
Kopierad :-)
|
|
Nedladdning av CAD När du ser en grön
på en artikel i listan betyder det att du kan ladda ner dess CAD-ritning i det format som du först väljer i listan här. Klicka sedan på ikonen så genereras CAD-filen och nedladdning påbörjas direkt.
Välj en variant i listan
Fredrik Scholander
Hittar du inte det du söker eller kan vi hjälpa dig på något annat vis? Fyll i formuläret nedan så återkommer vi så snart vi bara kan!
Vänligen inkludera ett telefonnummer om du önskar bli uppringd.