NTN Europe
Tandem linjärenhet med standard cylindrisk kulbussning
Erbjuder följande fördelar:
Tack vare dess optimerade konstruktion kan linjärenheter i LSE_LUU-AO serien rekommenderas till alla typer av applikationer som behöver lång rörelse, då support av axel för att undvika böjning måste användas
Att tänka på:
Linjärenheter i LSE_LUU-AO serien erbjuder reducerade konstruktionskostnader och en enkel montering i applikationen.
Minskad vikt erhålls genom användande av höghållfast aluminium vilket möjliggör större accelerationer och högre hastigheter

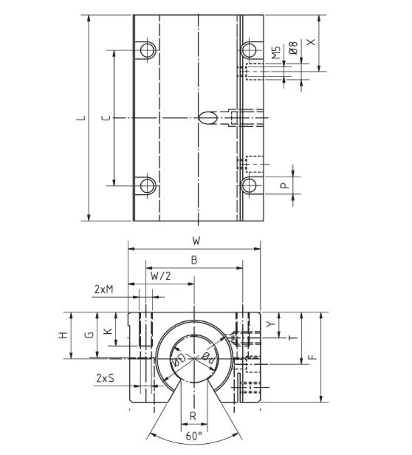
Art.nr | Dimensioner (mm) | ||||||||||||||||
Ød | ØD H6 | H +0,01 -0,02 | W | L +0,3 | F | G | Y | X | T | B | C | M | P | K | S | R +0,6 | |
LSE12LUU-AO | 12 | 22 | 18 | 43 | 76 | 30 | 25 | 8 | 19,5 | 16,65 | 32 | 56 | M5 | 8 | 11 | 4,2 | 7 |
LSE16LUU-AO | 16 | 26 | 22 | 53 | 84 | 35 | 30 | 12 | 21,5 | 22 | 40 | 64 | M6 | 10 | 13 | 5,2 | 9,4 |
LSE20LUU-AO | 20 | 32 | 25 | 60 | 104 | 42 | 34 | 13 | 27 | 25 | 45 | 76 | M8 | 11 | 18 | 6,8 | 10,2 |
LSE25LUU-AO | 25 | 40 | 30 | 78 | 130 | 51 | 40 | 15 | 33,5 | 31,5 | 60 | 94 | M10 | 15 | 22 | 8,6 | 12,5 |
LSE30LUU-AO | 30 | 47 | 35 | 87 | 152 | 60 | 48 | 16 | 39,5 | 33 | 68 | 106 | M10 | 15 | 22 | 8,6 | 13,9 |
LSE40LUU-AO | 40 | 62 | 45 | 108 | 176 | 77 | 60 | 20 | 45,5 | 43,5 | 86 | 124 | M12 | 18 | 34 | 10,3 | 18 |
Art.nr | bärighetstal dynamisk belastning (N) | Bärighetstal statisk belastning (N) | Vikt (g) |
LSE12LUU-AO | 683 | 1570 | 290 |
LSE16LUU-AO | 710 | 1780 | 440 |
LSE20LUU-AO | 1440 | 2740 | 790 |
LSE25LUU-AO | 1490 | 3140 | 1560 |
LSE30LUU-AO | 2600 | 5490 | 2300 |
LSE40LUU-AO | 3872 | 8040 | 4500 |
Art./Ordernr |
LSE12LUU-AO |
LSE16LUU-AO |
LSE20LUU-AO |
LSE25LUU-AO |
LSE30LUU-AO |
LSE40LUU-AO |
För cadfiler, se Tracepartsonline.net
Tandem linjärenhet med standard cylindrisk kulbussning
Erbjuder följande fördelar:
Tack vare dess optimerade konstruktion kan linjärenheter i LSE_LUU-AO serien rekommenderas till alla typer av applikationer som behöver lång rörelse, då support av axel för att undvika böjning måste användas
Att tänka på:
Linjärenheter i LSE_LUU-AO serien erbjuder reducerade konstruktionskostnader och en enkel montering i applikationen.
Minskad vikt erhålls genom användande av höghållfast aluminium vilket möjliggör större accelerationer och högre hastigheter

Art.nr | Dimensioner (mm) | ||||||||||||||||
Ød | ØD H6 | H +0,01 -0,02 | W | L +0,3 | F | G | Y | X | T | B | C | M | P | K | S | R +0,6 | |
LSE12LUU-AO | 12 | 22 | 18 | 43 | 76 | 30 | 25 | 8 | 19,5 | 16,65 | 32 | 56 | M5 | 8 | 11 | 4,2 | 7 |
LSE16LUU-AO | 16 | 26 | 22 | 53 | 84 | 35 | 30 | 12 | 21,5 | 22 | 40 | 64 | M6 | 10 | 13 | 5,2 | 9,4 |
LSE20LUU-AO | 20 | 32 | 25 | 60 | 104 | 42 | 34 | 13 | 27 | 25 | 45 | 76 | M8 | 11 | 18 | 6,8 | 10,2 |
LSE25LUU-AO | 25 | 40 | 30 | 78 | 130 | 51 | 40 | 15 | 33,5 | 31,5 | 60 | 94 | M10 | 15 | 22 | 8,6 | 12,5 |
LSE30LUU-AO | 30 | 47 | 35 | 87 | 152 | 60 | 48 | 16 | 39,5 | 33 | 68 | 106 | M10 | 15 | 22 | 8,6 | 13,9 |
LSE40LUU-AO | 40 | 62 | 45 | 108 | 176 | 77 | 60 | 20 | 45,5 | 43,5 | 86 | 124 | M12 | 18 | 34 | 10,3 | 18 |
Art.nr | bärighetstal dynamisk belastning (N) | Bärighetstal statisk belastning (N) | Vikt (g) |
LSE12LUU-AO | 683 | 1570 | 290 |
LSE16LUU-AO | 710 | 1780 | 440 |
LSE20LUU-AO | 1440 | 2740 | 790 |
LSE25LUU-AO | 1490 | 3140 | 1560 |
LSE30LUU-AO | 2600 | 5490 | 2300 |
LSE40LUU-AO | 3872 | 8040 | 4500 |
Art./Ordernr |
LSE12LUU-AO |
LSE16LUU-AO |
LSE20LUU-AO |
LSE25LUU-AO |
LSE30LUU-AO |
LSE40LUU-AO |
För cadfiler, se Tracepartsonline.net
|
|
|
|
|
|
||
|---|---|---|---|---|---|---|
|
|
|
|
|
|
||
|
|
|
|
|
|
||
|
|
|
|
|
|
||
|
|
|
|
|
|
||
|
|
|
|
|
|
||
|
|
|
|
|
|
| Varianter | Nedladdning av CAD | Pris/enhet | ||
|---|---|---|---|---|
|
Lagerenhet med standard kulbussning lång öppen justerbar
Art.nr.
LSE12LUUAO
Kopierad :-)
|
| |||
|
Lagerenhet med standard kulbussning lång öppen justerbar
Art.nr.
LSE16LUUAO
Kopierad :-)
|
| |||
|
Lagerenhet med standard kulbussning lång öppen justerbar
Art.nr.
LSE20LUUAO
Kopierad :-)
|
| |||
|
Lagerenhet med standard kulbussning lång öppen justerbar
Art.nr.
LSE25LUUAO
Kopierad :-)
|
| |||
|
Lagerenhet med standard kulbussning lång öppen justerbar
Art.nr.
LSE30LUUAO
Kopierad :-)
|
| |||
|
Lagerenhet med standard kulbussning lång öppen justerbar
Art.nr.
LSE40LUUAO
Kopierad :-)
|
|
Nedladdning av CAD När du ser en grön
på en artikel i listan betyder det att du kan ladda ner dess CAD-ritning i det format som du först väljer i listan här. Klicka sedan på ikonen så genereras CAD-filen och nedladdning påbörjas direkt.
Välj en variant i listan
Fredrik Scholander
Hittar du inte det du söker eller kan vi hjälpa dig på något annat vis? Fyll i formuläret nedan så återkommer vi så snart vi bara kan!
Vänligen inkludera ett telefonnummer om du önskar bli uppringd.