NTN Europe
Linjärenhet med super kulbussning
De erbjuder följande fördelar:
Tack vare dess optimerade konstruktion kan linjärenheter i LSET-UUT-LAO serien rekommenderas till alla typer av applikationer som kräver hög lastkapacitet, längre serviceintervaller och hög driftshastighet.
Används med fördel till applikationer med lång rörelse, då support av axel för att undvika böjning måste användas. Fördel är att en styvare konstruktion kan uppnås. Linjärenhet LSEUUT-LAO rekommenderas till alla typer av applikationer som behöver nollspel eller med förspänning.
Det radiella spelet ändras med hjälp av en justerskruv
Att tänka på:
Linjärenheter i LSET-UUT-LAO serien erbjuder reducerade konstruktionskostnader och en enkel montering i applikationen.
Minskad vikt erhålls genom användande av höghållfast aluminium vilket möjliggör större accelarationer och högre hastigheter

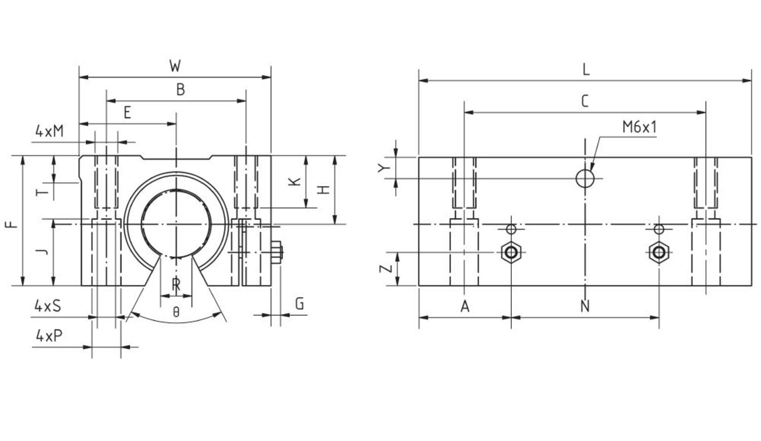
Art.nr | Dimensioner (mm) | ||||||||||||||||||||
Ød | H±0,015 | E±0,015 | W | L | F | G | Z | A | N | T | R | ذ | Y | B | C | M | K | S | P | J | |
LSET12LUU-AO | 12 | 18 | 21,5 | 43 | 76 | 28 | 3,2 | 5 | 19,5 | 37 | 5 | 6,5 | 66 | 7,5 | 32 | 56 | M5 | 11 | 4,3 | 8 | 11,5 |
LSET16LUU-AO | 16 | 22 | 26,5 | 53 | 84 | 35 | 3,2 | 6 | 21,5 | 41 | 5 | 9 | 68 | 9,5 | 40 | 64 | M6 | 13 | 5,3 | 9,5 | 14 |
LSET20LUU-AO | 20 | 25 | 30 | 60 | 104 | 42 | 4,5 | 8 | 27 | 50 | 5 | 9 | 55 | 9 | 45 | 76 | M8 | 18 | 6,6 | 11 | 18 |
LSET25LUU-AO | 25 | 30 | 39 | 78 | 130 | 51 | 5,5 | 10 | 33,5 | 63 | 7 | 11,5 | 57 | 10 | 60 | 94 | M10 | 22 | 8,4 | 14 | 22 |
LSET30LUU-AO | 30 | 35 | 43,5 | 87 | 152 | 60 | 5,5 | 12 | 39,5 | 73 | 8 | 14 | 57 | 11,5 | 68 | 106 | M10 | 22 | 8,4 | 14 | 26 |
LSET40LUU-AO | 40 | 45 | 54 | 108 | 176 | 77 | 5 | 15 | 45,5 | 85 | 10 | 19,5 | 56 | 14 | 86 | 124 | M12 | 26 | 10,5 | 17,5 | 33 |
Art.nr | bärighetstal dynamisk belastning (N) | Bärighetstal statisk belastning (N) | Vikt (g) |
LSET12LUU-AO | 1652 | 2580 | 190 |
LSET16LUU-AO | 2025 | 3100 | 312 |
LSET20LUU-AO | 3390 | 5260 | 505 |
LSET25LUU-AO | 6120 | 9440 | 1050 |
LSET30LUU-AO | 8860 | 13620 | 1630 |
LSET40LUU-AO | 10680 | 16460 | 2880 |
Art./Ordernr |
LSET12LUU-AO |
LSET16LUU-AO |
LSET20LUU-AO |
LSET25LUU-AO |
LSET30LUU-AO |
LSET40LUU-AO |
För cadfiler, se Tracepartsonline.net
Linjärenhet med super kulbussning
De erbjuder följande fördelar:
Tack vare dess optimerade konstruktion kan linjärenheter i LSET-UUT-LAO serien rekommenderas till alla typer av applikationer som kräver hög lastkapacitet, längre serviceintervaller och hög driftshastighet.
Används med fördel till applikationer med lång rörelse, då support av axel för att undvika böjning måste användas. Fördel är att en styvare konstruktion kan uppnås. Linjärenhet LSEUUT-LAO rekommenderas till alla typer av applikationer som behöver nollspel eller med förspänning.
Det radiella spelet ändras med hjälp av en justerskruv
Att tänka på:
Linjärenheter i LSET-UUT-LAO serien erbjuder reducerade konstruktionskostnader och en enkel montering i applikationen.
Minskad vikt erhålls genom användande av höghållfast aluminium vilket möjliggör större accelarationer och högre hastigheter

Art.nr | Dimensioner (mm) | ||||||||||||||||||||
Ød | H±0,015 | E±0,015 | W | L | F | G | Z | A | N | T | R | ذ | Y | B | C | M | K | S | P | J | |
LSET12LUU-AO | 12 | 18 | 21,5 | 43 | 76 | 28 | 3,2 | 5 | 19,5 | 37 | 5 | 6,5 | 66 | 7,5 | 32 | 56 | M5 | 11 | 4,3 | 8 | 11,5 |
LSET16LUU-AO | 16 | 22 | 26,5 | 53 | 84 | 35 | 3,2 | 6 | 21,5 | 41 | 5 | 9 | 68 | 9,5 | 40 | 64 | M6 | 13 | 5,3 | 9,5 | 14 |
LSET20LUU-AO | 20 | 25 | 30 | 60 | 104 | 42 | 4,5 | 8 | 27 | 50 | 5 | 9 | 55 | 9 | 45 | 76 | M8 | 18 | 6,6 | 11 | 18 |
LSET25LUU-AO | 25 | 30 | 39 | 78 | 130 | 51 | 5,5 | 10 | 33,5 | 63 | 7 | 11,5 | 57 | 10 | 60 | 94 | M10 | 22 | 8,4 | 14 | 22 |
LSET30LUU-AO | 30 | 35 | 43,5 | 87 | 152 | 60 | 5,5 | 12 | 39,5 | 73 | 8 | 14 | 57 | 11,5 | 68 | 106 | M10 | 22 | 8,4 | 14 | 26 |
LSET40LUU-AO | 40 | 45 | 54 | 108 | 176 | 77 | 5 | 15 | 45,5 | 85 | 10 | 19,5 | 56 | 14 | 86 | 124 | M12 | 26 | 10,5 | 17,5 | 33 |
Art.nr | bärighetstal dynamisk belastning (N) | Bärighetstal statisk belastning (N) | Vikt (g) |
LSET12LUU-AO | 1652 | 2580 | 190 |
LSET16LUU-AO | 2025 | 3100 | 312 |
LSET20LUU-AO | 3390 | 5260 | 505 |
LSET25LUU-AO | 6120 | 9440 | 1050 |
LSET30LUU-AO | 8860 | 13620 | 1630 |
LSET40LUU-AO | 10680 | 16460 | 2880 |
Art./Ordernr |
LSET12LUU-AO |
LSET16LUU-AO |
LSET20LUU-AO |
LSET25LUU-AO |
LSET30LUU-AO |
LSET40LUU-AO |
För cadfiler, se Tracepartsonline.net
|
|
|
|
|
|
||
|---|---|---|---|---|---|---|
|
|
|
|
|
|
||
|
|
|
|
|
|
||
|
|
|
|
|
|
||
|
|
|
|
|
|
||
|
|
|
|
|
|
||
|
|
|
|
|
|
| Varianter | Nedladdning av CAD | Pris/enhet | ||
|---|---|---|---|---|
|
Lagerenhet med superkulbussning lång öppen justerbar
Art.nr.
LSET12LUUAO
Kopierad :-)
|
| |||
|
Lagerenhet med superkulbussning lång öppen justerbar
Art.nr.
LSET16LUUAO
Kopierad :-)
|
| |||
|
Lagerenhet med superkulbussning lång öppen justerbar
Art.nr.
LSET20LUUAO
Kopierad :-)
|
| |||
|
Lagerenhet med superkulbussning lång öppen justerbar
Art.nr.
LSET25LUUAO
Kopierad :-)
|
| |||
|
Lagerenhet med superkulbussning lång öppen justerbar
Art.nr.
LSET30LUUAO
Kopierad :-)
|
| |||
|
Lagerenhet med superkulbussning lång öppen justerbar
Art.nr.
LSET40LUUAO
Kopierad :-)
|
|
Nedladdning av CAD När du ser en grön
på en artikel i listan betyder det att du kan ladda ner dess CAD-ritning i det format som du först väljer i listan här. Klicka sedan på ikonen så genereras CAD-filen och nedladdning påbörjas direkt.
Välj en variant i listan
Hittar du inte det du söker eller kan vi hjälpa dig på något annat vis? Fyll i formuläret nedan så återkommer vi så snart vi bara kan!
Vänligen inkludera ett telefonnummer om du önskar bli uppringd.