NTN Europe
Linjärenhet med standard cylindrisk kulbussning
Erbjuder följande fördelar:
Tack vare dess optimerade konstruktion kan linjärenheter i LSE serien rekommenderas till alla typer av applikationer
Att tänka på:
Linjärenheter i LSE serien erbjuder reducerade konstruktionskostnader och en enkel montering i applikationen.
Minskad vikt erhålls genom användande av höghållfast aluminium vilket möjliggör större accelerationer och högre hastigheter

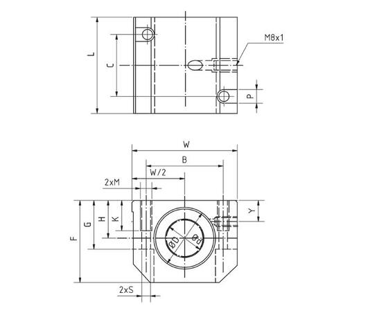
Art.nr | Dimensioner (mm) | |||||||||||||
Ød | ØD H6 | H +0,01 -0,02 | W | L +0,3 | F | G | Y | B | C | M | P | K | S | |
LSE12UU | 12 | 22 | 18 | 43 | 39 | 35 | 25 | 10 | 32 | 23 | M5 | 8 | 11 | 4,2 |
LSE16UU | 16 | 26 | 22 | 53 | 43 | 42 | 30 | 12 | 40 | 26 | M6 | 10 | 13 | 5,2 |
LSE20UU | 20 | 32 | 25 | 60 | 54 | 50 | 34 | 13 | 45 | 32 | M8 | 11 | 18 | 6,8 |
LSE25UU | 25 | 40 | 30 | 78 | 67 | 60 | 40 | 15 | 60 | 40 | M10 | 15 | 22 | 8,6 |
LSE30UU | 30 | 47 | 35 | 87 | 79 | 70 | 48 | 16 | 68 | 45 | M10 | 15 | 22 | 8,6 |
LSE40UU | 40 | 62 | 45 | 108 | 91 | 90 | 60 | 20 | 86 | 58 | M12 | 18 | 26 | 10,3 |
Art.nr | bärighetstal dynamisk belastning (N) | Bärighetstal statisk belastning (N) | Vikt (g) |
LSE12UU | 416 | 784 | 175 |
LSE16UU | 432 | 892 | 260 |
LSE20UU | 877 | 1370 | 442 |
LSE25UU | 908 | 1570 | 885 |
LSE30UU | 1584 | 2740 | 1330 |
LSE40UU | 2357 | 4020 | 2570 |
Art./Ordernr |
LSE12UU |
LSE16UU |
LSE20UU |
LSE25UU |
LSE30UU |
LSE40UU |
För cadfiler, se Tracepartsonline.net
Nedladdning av CAD När du ser en grön
på en artikel i listan betyder det att du kan ladda ner dess CAD-ritning i det format som du först väljer i listan här. Klicka sedan på ikonen så genereras CAD-filen och nedladdning påbörjas direkt.
Linjärenhet med standard cylindrisk kulbussning
Erbjuder följande fördelar:
Tack vare dess optimerade konstruktion kan linjärenheter i LSE serien rekommenderas till alla typer av applikationer
Att tänka på:
Linjärenheter i LSE serien erbjuder reducerade konstruktionskostnader och en enkel montering i applikationen.
Minskad vikt erhålls genom användande av höghållfast aluminium vilket möjliggör större accelerationer och högre hastigheter

Art.nr | Dimensioner (mm) | |||||||||||||
Ød | ØD H6 | H +0,01 -0,02 | W | L +0,3 | F | G | Y | B | C | M | P | K | S | |
LSE12UU | 12 | 22 | 18 | 43 | 39 | 35 | 25 | 10 | 32 | 23 | M5 | 8 | 11 | 4,2 |
LSE16UU | 16 | 26 | 22 | 53 | 43 | 42 | 30 | 12 | 40 | 26 | M6 | 10 | 13 | 5,2 |
LSE20UU | 20 | 32 | 25 | 60 | 54 | 50 | 34 | 13 | 45 | 32 | M8 | 11 | 18 | 6,8 |
LSE25UU | 25 | 40 | 30 | 78 | 67 | 60 | 40 | 15 | 60 | 40 | M10 | 15 | 22 | 8,6 |
LSE30UU | 30 | 47 | 35 | 87 | 79 | 70 | 48 | 16 | 68 | 45 | M10 | 15 | 22 | 8,6 |
LSE40UU | 40 | 62 | 45 | 108 | 91 | 90 | 60 | 20 | 86 | 58 | M12 | 18 | 26 | 10,3 |
Art.nr | bärighetstal dynamisk belastning (N) | Bärighetstal statisk belastning (N) | Vikt (g) |
LSE12UU | 416 | 784 | 175 |
LSE16UU | 432 | 892 | 260 |
LSE20UU | 877 | 1370 | 442 |
LSE25UU | 908 | 1570 | 885 |
LSE30UU | 1584 | 2740 | 1330 |
LSE40UU | 2357 | 4020 | 2570 |
Art./Ordernr |
LSE12UU |
LSE16UU |
LSE20UU |
LSE25UU |
LSE30UU |
LSE40UU |
För cadfiler, se Tracepartsonline.net
|
|
|
|
|
|
||
|---|---|---|---|---|---|---|
|
|
|
|
|
|
||
|
|
|
|
|
|
||
|
|
|
|
|
|
||
|
|
|
|
|
|
||
|
|
|
|
|
|
||
|
|
|
|
|
|
| Varianter | Nedladdning av CAD | Pris/enhet | ||
|---|---|---|---|---|
KULBUSSNING m HUS
Art.nr.
LSE12UU
Kopierad :-)
|
|
|||
KULBUSSNING m HUS
Art.nr.
LSE16UU
Kopierad :-)
|
|
|||
KULBUSSNING m HUS
Art.nr.
LSE20UU
Kopierad :-)
|
|
|||
KULBUSSNING m HUS
Art.nr.
LSE25UU
Kopierad :-)
|
|
|||
KULBUSSNING m HUS
Art.nr.
LSE30UU
Kopierad :-)
|
|
|||
KULBUSSNING m HUS
Art.nr.
LSE40UU
Kopierad :-)
|
|
Nedladdning av CAD När du ser en grön
på en artikel i listan betyder det att du kan ladda ner dess CAD-ritning i det format som du först väljer i listan här. Klicka sedan på ikonen så genereras CAD-filen och nedladdning påbörjas direkt.
Välj en variant i listan
Hittar du inte det du söker eller kan vi hjälpa dig på något annat vis? Fyll i formuläret nedan så återkommer vi så snart vi bara kan!
Vänligen inkludera ett telefonnummer om du önskar bli uppringd.