NTN Europe
Dubbel tandem linjärenhet med standard cylindrisk kulbussning
De erbjuder följande fördelar:
Tack vare dess optimerade konstruktion kan linjärenheter i LSE-QUU serien rekommenderas till alla typer av applikationer som behöver lång rörelse, då support av axel för att undvika böjning måste användas
Att tänka på:
Linjärenheter i LSE-QUU serien erbjuder reducerade konstruktionskostnader och en enkel montering i applikationen.
Minskad vikt erhålls genom användande av höghållfast aluminium vilket möjliggör större accelerationer och högre hastigheter

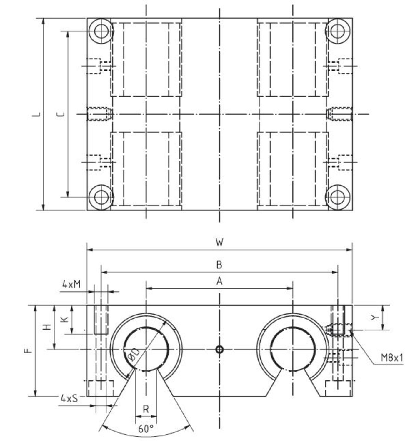
Art.nr | Dimensioner (mm) | |||||||||||||
Ød | ØD H6 | H +0,01 -0,02 | W | L +0,3 | F | Y | A±0,2 | B | C | M | K | S | r +0,6 | |
LSE12QUU-OP | 12 | 22 | 18 | 85 | 85 | 30 | 13 | 42 | 73 | 73 | M6 | 13 | 5,3 | 7 |
LSE16QUU-OP | 16 | 26 | 22 | 100 | 100 | 35 | 15 | 54 | 88 | 88 | M6 | 13 | 5,3 | 9,4 |
LSE20QUU-OP | 20 | 32 | 25 | 130 | 130 | 42 | 19 | 72 | 115 | 115 | M8 | 18 | 6,8 | 10,2 |
LSE25QUU-OP | 25 | 40 | 30 | 160 | 160 | 51 | 24 | 88 | 140 | 140 | M10 | 22 | 9 | 12,9 |
LSE30QUU-OP | 30 | 47 | 35 | 180 | 180 | 60 | 27 | 96 | 158 | 158 | M12 | 26 | 10,5 | 13,9 |
LSE40QUU-OP | 40 | 62 | 45 | 230 | 230 | 77 | 35 | 122 | 202 | 202 | M16 | 34 | 13,5 | 18,2 |
Art.nr | bärighetstal dynamisk belastning (N) | Bärighetstal statisk belastning (N) | Vikt (g) |
LSE12QUU-OP | 1300 | 2000 | 590 |
LSE16QUU-OP | 1400 | 2200 | 920 |
LSE20QUU-OP | 3200 | 4900 | 1820 |
LSE25QUU-OP | 5500 | 8500 | 3460 |
LSE30QUU-OP | 6200 | 9500 | 5190 |
LSE40QUU-OP | 10500 | 14000 | 10780 |
Art./Ordernr |
LSE12QUU-OP |
LSE16QUU-OP |
LSE20QUU-OP |
LSE25QUU-OP |
LSE30QUU-OP |
LSE40QUU-OP |
För cadfiler, se Tracepartsonline.net
Dubbel tandem linjärenhet med standard cylindrisk kulbussning
De erbjuder följande fördelar:
Tack vare dess optimerade konstruktion kan linjärenheter i LSE-QUU serien rekommenderas till alla typer av applikationer som behöver lång rörelse, då support av axel för att undvika böjning måste användas
Att tänka på:
Linjärenheter i LSE-QUU serien erbjuder reducerade konstruktionskostnader och en enkel montering i applikationen.
Minskad vikt erhålls genom användande av höghållfast aluminium vilket möjliggör större accelerationer och högre hastigheter

Art.nr | Dimensioner (mm) | |||||||||||||
Ød | ØD H6 | H +0,01 -0,02 | W | L +0,3 | F | Y | A±0,2 | B | C | M | K | S | r +0,6 | |
LSE12QUU-OP | 12 | 22 | 18 | 85 | 85 | 30 | 13 | 42 | 73 | 73 | M6 | 13 | 5,3 | 7 |
LSE16QUU-OP | 16 | 26 | 22 | 100 | 100 | 35 | 15 | 54 | 88 | 88 | M6 | 13 | 5,3 | 9,4 |
LSE20QUU-OP | 20 | 32 | 25 | 130 | 130 | 42 | 19 | 72 | 115 | 115 | M8 | 18 | 6,8 | 10,2 |
LSE25QUU-OP | 25 | 40 | 30 | 160 | 160 | 51 | 24 | 88 | 140 | 140 | M10 | 22 | 9 | 12,9 |
LSE30QUU-OP | 30 | 47 | 35 | 180 | 180 | 60 | 27 | 96 | 158 | 158 | M12 | 26 | 10,5 | 13,9 |
LSE40QUU-OP | 40 | 62 | 45 | 230 | 230 | 77 | 35 | 122 | 202 | 202 | M16 | 34 | 13,5 | 18,2 |
Art.nr | bärighetstal dynamisk belastning (N) | Bärighetstal statisk belastning (N) | Vikt (g) |
LSE12QUU-OP | 1300 | 2000 | 590 |
LSE16QUU-OP | 1400 | 2200 | 920 |
LSE20QUU-OP | 3200 | 4900 | 1820 |
LSE25QUU-OP | 5500 | 8500 | 3460 |
LSE30QUU-OP | 6200 | 9500 | 5190 |
LSE40QUU-OP | 10500 | 14000 | 10780 |
Art./Ordernr |
LSE12QUU-OP |
LSE16QUU-OP |
LSE20QUU-OP |
LSE25QUU-OP |
LSE30QUU-OP |
LSE40QUU-OP |
För cadfiler, se Tracepartsonline.net
|
|
|
|
|
|
||
|---|---|---|---|---|---|---|
|
|
|
|
|
|
||
|
|
|
|
|
|
||
|
|
|
|
|
|
||
|
|
|
|
|
|
||
|
|
|
|
|
|
||
|
|
|
|
|
|
| Varianter | Nedladdning av CAD | Pris/enhet | ||
|---|---|---|---|---|
|
QUADRO KULBUSSNING m HUS ÖPPEN
Art.nr.
LSE12QUU-OP
Kopierad :-)
|
| |||
|
QUADRO KULBUSSNING m HUS ÖPPEN
Art.nr.
LSE16QUU-OP
Kopierad :-)
|
| |||
|
QUADRO KULBUSSNING m HUS ÖPPEN
Art.nr.
LSE20QUU-OP
Kopierad :-)
|
| |||
|
QUADRO KULBUSSNING m HUS ÖPPEN
Art.nr.
LSE25QUU-OP
Kopierad :-)
|
| |||
|
QUADRO KULBUSSNING m HUS ÖPPEN
Art.nr.
LSE30QUU-OP
Kopierad :-)
|
| |||
|
QUADRO KULBUSSNING m HUS ÖPPEN
Art.nr.
LSE40QUU-OP
Kopierad :-)
|
|
Nedladdning av CAD När du ser en grön
på en artikel i listan betyder det att du kan ladda ner dess CAD-ritning i det format som du först väljer i listan här. Klicka sedan på ikonen så genereras CAD-filen och nedladdning påbörjas direkt.
Välj en variant i listan
Fredrik Scholander
Hittar du inte det du söker eller kan vi hjälpa dig på något annat vis? Fyll i formuläret nedan så återkommer vi så snart vi bara kan!
Vänligen inkludera ett telefonnummer om du önskar bli uppringd.