NTN Europe
Användningsområde:
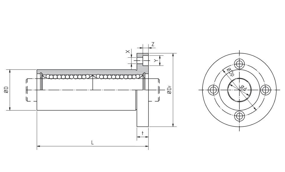
Flänsförsedda kulbussningar av BBER_L serien kombinerar fördelarna med den flänsförsedda kulbussningen med den dubbla kulbussningen eftersom de ger ett snävare toleransområde genom hela bussningslängden.
De erbjuder följande fördelar:
Den integrerade flänsen möjliggör ett effektivare arrangemang av huset eller
monteringshålen.
Att tänka på:
Kulbussningar med fläns är ekonomiska, eftersom färre komponenter krävs och gör installationen enklare. Bytet av kulbussningarna blir lättare. Fungerar med bibehållen precision i arbetsområden från -20°C till 80°C (kulhållare i plast) alternativt -20°C till 110°C (kulhållare i stål)

Art.nr. | Dimensioner | ||||||||||||||
Standard | Rostfritt | Ød | Tolerans | ØD | Tolerans | L | Tolerans | ØDf | T | ØDp | ØX | ØY | Z | ||
Material kulhållare | |||||||||||||||
Plast | Stål | Plast | Stål | ||||||||||||
BBER8L | BBER8LA | BBERS8L | BBERS8LA | 8 | +0,009 -0,001 | 16 | 0 -0,013 | 46 | ±0,3 | 32 | 5 | 24 | 3,5 | 6 | 3,1 |
BBER12L | BBER12LA | BBERS12L | BBERS12LA | 12 | +0,011 -0,001 | 22 | 0 -0,016 | 61 | 42 | 6 | 32 | 4,5 | 7,5 | 4,1 | |
BBER16L | BBER16LA | BBERS16L | BBERS16LA | 16 | 26 | 68 | 46 | 36 | |||||||
BBER20L | BBER20LA | BBERS20L | BBERS20LA | 20 | 32 | 0 -0,019 | 80 | 54 | 8 | 43 | 5,5 | 9 | 5,1 | ||
BBER25L | BBER25LA | BBERS25L | BBERS25LA | 25 | +0,013 -0,002 | 40 | 112 | 62 | 51 | ||||||
BBER30L | BBER30LA | BBERS30L | BBERS30LA | 30 | 47 | 123 | 76 | 10 | 62 | 6,6 | 11 | 6,1 | |||
BBER40L | BBER40LA | BBERS40L | BBERS40LA | 40 | +0,016 -0,004 | 62 | 0 -0,022 | 151 | 98 | 13 | 80 | 9 | 14 | 8,1 | |
BBER50L | BBER50LA | BBERS50L | BBERS50LA | 50 | 75 | 192 | 112 | 94 | |||||||
BBER60L | BBER60LA | BBERS60L | BBERS60LA | 60 | 90 | 0 -0,025 | 209 | 134 | 18 | 112 | 11 | 17 | 11,1 | ||
Art.nr. | Antal kulrader | Max excentricitet (µm) | Max vinkelavvikelse µ | bärighetstal dynamisk belastning (N) | Bärighetstal statisk belastning (N) | Vikt (g) | |||
Standard | Rostfritt | ||||||||
Material kulhållare | |||||||||
Plast | Stål | Plast | Stål | ||||||
BBER8L | BBER8LA | BBERS8L | BBERS8LA | 4 | 15 | 15 | 320 | 804 | 59 |
BBER12L | BBER12LA | BBERS12L | BBERS12LA | 683 | 1570 | 110 | |||
BBER16L | BBER16LA | BBERS16L | BBERS16LA | 710 | 1780 | 160 | |||
BBER20L | BBER20LA | BBERS20L | BBERS20LA | 5 | 17 | 17 | 1440 | 2740 | 260 |
BBER25L | BBER25LA | BBERS25L | BBERS25LA | 6 | 1490 | 3140 | 540 | ||
BBER30L | BBER30LA | BBERS30L | BBERS30LA | 2600 | 5490 | 815 | |||
BBER40L | BBER40LA | BBERS40L | BBERS40LA | 20 | 20 | 3872 | 8040 | 1805 | |
BBER50L | BBER50LA | BBERS50L | BBERS50LA | 7701 | 15900 | 2820 | |||
BBER60L | BBER60LA | BBERS60L | BBERS60LA | 25 | 25 | 9940 | 20000 | 4920 | |
Art.nr. | Inre Ø | Exempel på ordernummer | ||||
Standard | Rostfritt | |||||
Material kulhållare | ||||||
Plast | Stål | Plast | Stål | |||
BBER8L | BBER8LA | BBERS8L | BBERS8LA | 8 | Kulbussning med dubbelsidig tätning standard
| |
BBER12L | BBER12LA | BBERS12L | BBERS12LA | 12 | ||
BBER16L | BBER16LA | BBERS16L | BBERS16LA | 16 | ||
BBER20L | BBER20LA | BBERS20L | BBERS20LA | 20 | ||
BBER25L | BBER25LA | BBERS25L | BBERS25LA | 25 | ||
BBER30L | BBER30LA | BBERS30L | BBERS30LA | 30 | ||
BBER40L | BBER40LA | BBERS40L | BBERS40LA | 40 | ||
BBER50L | BBER50LA | BBERS50L | BBERS50LA | 50 | ||
BBER60L | BBER60LA | BBERS60L | BBERS60LA | 60 | ||
För cadfiler, se Tracepartsonline.net
Nedladdning av CAD När du ser en grön
på en artikel i listan betyder det att du kan ladda ner dess CAD-ritning i det format som du först väljer i listan här. Klicka sedan på ikonen så genereras CAD-filen och nedladdning påbörjas direkt.
Användningsområde:
Flänsförsedda kulbussningar av BBER_L serien kombinerar fördelarna med den flänsförsedda kulbussningen med den dubbla kulbussningen eftersom de ger ett snävare toleransområde genom hela bussningslängden.
De erbjuder följande fördelar:
Den integrerade flänsen möjliggör ett effektivare arrangemang av huset eller
monteringshålen.
Att tänka på:
Kulbussningar med fläns är ekonomiska, eftersom färre komponenter krävs och gör installationen enklare. Bytet av kulbussningarna blir lättare. Fungerar med bibehållen precision i arbetsområden från -20°C till 80°C (kulhållare i plast) alternativt -20°C till 110°C (kulhållare i stål)

Art.nr. | Dimensioner | ||||||||||||||
Standard | Rostfritt | Ød | Tolerans | ØD | Tolerans | L | Tolerans | ØDf | T | ØDp | ØX | ØY | Z | ||
Material kulhållare | |||||||||||||||
Plast | Stål | Plast | Stål | ||||||||||||
BBER8L | BBER8LA | BBERS8L | BBERS8LA | 8 | +0,009 -0,001 | 16 | 0 -0,013 | 46 | ±0,3 | 32 | 5 | 24 | 3,5 | 6 | 3,1 |
BBER12L | BBER12LA | BBERS12L | BBERS12LA | 12 | +0,011 -0,001 | 22 | 0 -0,016 | 61 | 42 | 6 | 32 | 4,5 | 7,5 | 4,1 | |
BBER16L | BBER16LA | BBERS16L | BBERS16LA | 16 | 26 | 68 | 46 | 36 | |||||||
BBER20L | BBER20LA | BBERS20L | BBERS20LA | 20 | 32 | 0 -0,019 | 80 | 54 | 8 | 43 | 5,5 | 9 | 5,1 | ||
BBER25L | BBER25LA | BBERS25L | BBERS25LA | 25 | +0,013 -0,002 | 40 | 112 | 62 | 51 | ||||||
BBER30L | BBER30LA | BBERS30L | BBERS30LA | 30 | 47 | 123 | 76 | 10 | 62 | 6,6 | 11 | 6,1 | |||
BBER40L | BBER40LA | BBERS40L | BBERS40LA | 40 | +0,016 -0,004 | 62 | 0 -0,022 | 151 | 98 | 13 | 80 | 9 | 14 | 8,1 | |
BBER50L | BBER50LA | BBERS50L | BBERS50LA | 50 | 75 | 192 | 112 | 94 | |||||||
BBER60L | BBER60LA | BBERS60L | BBERS60LA | 60 | 90 | 0 -0,025 | 209 | 134 | 18 | 112 | 11 | 17 | 11,1 | ||
Art.nr. | Antal kulrader | Max excentricitet (µm) | Max vinkelavvikelse µ | bärighetstal dynamisk belastning (N) | Bärighetstal statisk belastning (N) | Vikt (g) | |||
Standard | Rostfritt | ||||||||
Material kulhållare | |||||||||
Plast | Stål | Plast | Stål | ||||||
BBER8L | BBER8LA | BBERS8L | BBERS8LA | 4 | 15 | 15 | 320 | 804 | 59 |
BBER12L | BBER12LA | BBERS12L | BBERS12LA | 683 | 1570 | 110 | |||
BBER16L | BBER16LA | BBERS16L | BBERS16LA | 710 | 1780 | 160 | |||
BBER20L | BBER20LA | BBERS20L | BBERS20LA | 5 | 17 | 17 | 1440 | 2740 | 260 |
BBER25L | BBER25LA | BBERS25L | BBERS25LA | 6 | 1490 | 3140 | 540 | ||
BBER30L | BBER30LA | BBERS30L | BBERS30LA | 2600 | 5490 | 815 | |||
BBER40L | BBER40LA | BBERS40L | BBERS40LA | 20 | 20 | 3872 | 8040 | 1805 | |
BBER50L | BBER50LA | BBERS50L | BBERS50LA | 7701 | 15900 | 2820 | |||
BBER60L | BBER60LA | BBERS60L | BBERS60LA | 25 | 25 | 9940 | 20000 | 4920 | |
Art.nr. | Inre Ø | Exempel på ordernummer | ||||
Standard | Rostfritt | |||||
Material kulhållare | ||||||
Plast | Stål | Plast | Stål | |||
BBER8L | BBER8LA | BBERS8L | BBERS8LA | 8 | Kulbussning med dubbelsidig tätning standard
| |
BBER12L | BBER12LA | BBERS12L | BBERS12LA | 12 | ||
BBER16L | BBER16LA | BBERS16L | BBERS16LA | 16 | ||
BBER20L | BBER20LA | BBERS20L | BBERS20LA | 20 | ||
BBER25L | BBER25LA | BBERS25L | BBERS25LA | 25 | ||
BBER30L | BBER30LA | BBERS30L | BBERS30LA | 30 | ||
BBER40L | BBER40LA | BBERS40L | BBERS40LA | 40 | ||
BBER50L | BBER50LA | BBERS50L | BBERS50LA | 50 | ||
BBER60L | BBER60LA | BBERS60L | BBERS60LA | 60 | ||
För cadfiler, se Tracepartsonline.net
|
|
|
|
|
|
||
|---|---|---|---|---|---|---|
|
|
|
|
|
|
||
|
|
|
|
|
|
||
|
|
|
|
|
|
||
|
|
|
|
|
|
||
|
|
|
|
|
|
||
|
|
|
|
|
|
| Varianter | Nedladdning av CAD | Pris/enhet | ||
|---|---|---|---|---|
Flänsad kulbussning lång
Art.nr.
BBER8LUU
Kopierad :-)
|
| |||
Flänsad kulbussning lång
Art.nr.
BBER12LUU
Kopierad :-)
|
| |||
Flänsad kulbussning lång
Art.nr.
BBER16LUU
Kopierad :-)
|
| |||
Flänsad kulbussning lång
Art.nr.
BBER20LUU
Kopierad :-)
|
| |||
KULBUSSNING FLÄNS LÅNG
Art.nr.
BBER25LUU
Kopierad :-)
|
| |||
Flänsad kulbussning lång
Art.nr.
BBER30LUU
Kopierad :-)
|
| |||
Flänsad kulbussning lång
Art.nr.
BBER40LUU
Kopierad :-)
|
| |||
Flänsad kulbussning lång
Art.nr.
BBER50LUU
Kopierad :-)
|
| |||
Flänsad kulbussning lång
Art.nr.
BBER60LUU
Kopierad :-)
|
|
Nedladdning av CAD När du ser en grön
på en artikel i listan betyder det att du kan ladda ner dess CAD-ritning i det format som du först väljer i listan här. Klicka sedan på ikonen så genereras CAD-filen och nedladdning påbörjas direkt.
Välj en variant i listan
Fredrik Scholander
Hittar du inte det du söker eller kan vi hjälpa dig på något annat vis? Fyll i formuläret nedan så återkommer vi så snart vi bara kan!
Vänligen inkludera ett telefonnummer om du önskar bli uppringd.