NTN Europe
Användningsområde:
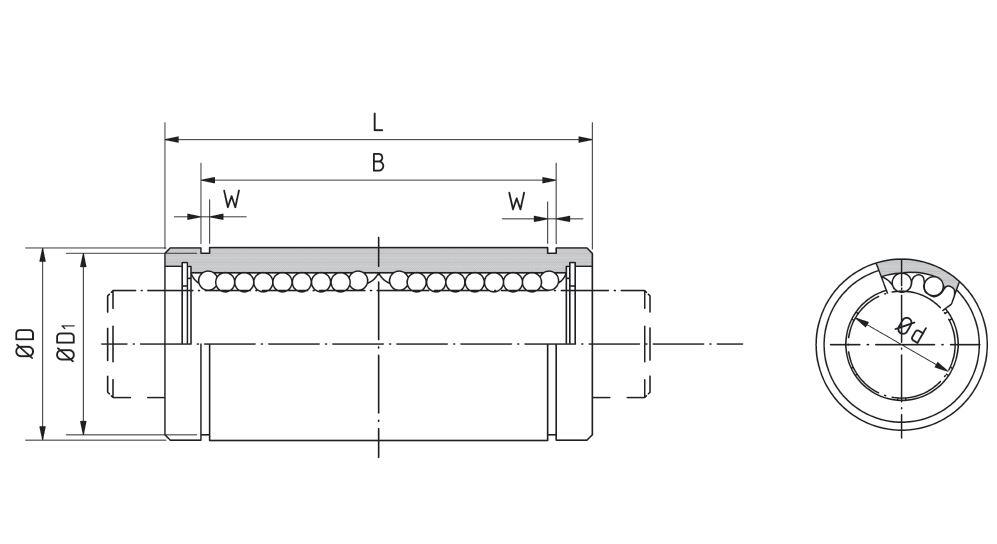
Dubbel kulbussning BBEL lämpar har samma dimensioner och toleranser som kulbussningar av BBE-typ , de är dock dubbelt så långa och klarar därför högre belastning
Att tänka på:
Fördelen med dubbel kulbussning är att den kan ersätta 2 korta kulbussningar av BBE-typ. Då koncentriteten blir densamma över hela bussningslängden uppnås en högre noggrannhet och reducerar därmed inbyggnadsarbetet. Fungerar med bibehållen precision i arbetsområden från -20°C till 80°C (kulhållare i plast) alternativt -20°C till 110°C (kulhållare i stål)

Art.nr. | Dimensioner | ||||||||||||
Standard | Rostfritt | Ød | Tolerans | ØD | Tolerans | L | Tolerans | B | Tolerans | W | ØD1 | ||
Material kulhållare | |||||||||||||
Plast | Stål | Plast | Stål | ||||||||||
BBE8L | BBE8LA | BBES8L | BBES8LA | 8 | +0,09 0 | 16 | 0 -0,009 | 46 | 0 -0,3 | 33 | 0 -0,3 | 1,1 | 15,2 |
BBE12L | BBE12LA | BBES12L | BBES12LA | 12 | 22 | 0 -0,011 | 61 | 45,8 | 1,3 | 21 | |||
BBE16L | BBE16LA | BBES16L | BBES16LA | 16 | +0,011 -0,001 | 26 | 68 | 49,8 | 24,9 | ||||
BBE20L | BBE20LA | BBES20L | BBES20LA | 20 | 32 | 0 -0,013 | 80 | 61 | 1,6 | 30,3 | |||
BBE25L | BBE25LA | BBES25L | BBES25LA | 25 | +0,013 -0,002 | 40 | 112 | 0 -0,4 | 82 | 0 -0,4 | 1,85 | 37,5 | |
BBE30L | BBE30LA | BBES30L | BBES30LA | 30 | 47 | 123 | 104,2 | 44,5 | |||||
BBE40L | BBE40LA | BBES40L | BBES40LA | 40 | +0,016 -0,004 | 62 | 0 -0,015 | 151 | 121,2 | 2,15 | 59 | ||
BBE50L | BBE50LA | BBES50L | BBES50LA | 50 | 75 | 192 | 155,2 | 2,65 | 72 | ||||
BBE60L | BBE60LA | BBS60L | BBS60LA | 60 | 90 | 0 -0,020 | 209 | 170 | 3,15 | 86,5 | |||
Art.nr. | Antal kulrader | Max excentricitet (µm) | bärighetstal dynamisk belastning (N) | Bärighetstal statisk belastning (N) | Vikt (g) | |||
Standard | Rostfritt | |||||||
Material kulhållare | ||||||||
Plast | Stål | Plast | Stål | |||||
BBE8L | BBE8LA | BBES8L | BBES8LA | 4 | 15 | 320 | 804 | 40 |
BBE12L | BBE12LA | BBES12L | BBES12LA | 683 | 1570 | 80 | ||
BBE16L | BBE16LA | BBES16L | BBES16LA | 710 | 1780 | 115 | ||
BBE20L | BBE20LA | BBES20L | BBES20LA | 5 | 17 | 1440 | 2740 | 18 |
BBE25L | BBE25LA | BBES25L | BBES25LA | 6 | 1490 | 3140 | 430 | |
BBE30L | BBE30LA | BBES30L | BBES30LA | 2600 | 5490 | 615 | ||
BBE40L | BBE40LA | BBES40L | BBES40LA | 20 | 3872 | 8040 | 1400 | |
BBE50L | BBE50LA | BBES50L | BBES50LA | 7701 | 15900 | 2320 | ||
BBE60L | BBE60LA | BBS60L | BBS60LA | 25 | 9940 | 20000 | 3920 | |
Art.nr. | Inre Ø | Exempel på ordernummer | ||||
Standard | Rostfritt | |||||
Material kulhållare | ||||||
Plast | Stål | Plast | Stål | |||
BBE8L | BBE8LA | BBES8L | BBES8LA | 8 | Kulbussning med dubbelsidig tätning standard | |
BBE12L | BBE12LA | BBES12L | BBES12LA | 12 | ||
BBE16L | BBE16LA | BBES16L | BBES16LA | 16 | ||
BBE20L | BBE20LA | BBES20L | BBES20LA | 20 | ||
BBE25L | BBE25LA | BBES25L | BBES25LA | 25 | ||
BBE30L | BBE30LA | BBES30L | BBES30LA | 30 | ||
BBE40L | BBE40LA | BBES40L | BBES40LA | 40 | ||
BBE50L | BBE50LA | BBES50L | BBES50LA | 50 | ||
BBE60L | BBE60LA | BBS60L | BBS60LA | 60 | ||
För cadfiler, se Tracepartsonline.net
| B | 33 mm |
|---|---|
| d (innerdiameter) | 8 mm |
| D (ytterdiameter) | 16 mm |
| L | 46 mm |
|---|---|
| Vikt | 0,04 kg |
Nedladdning av CAD När du ser en grön
på en artikel i listan betyder det att du kan ladda ner dess CAD-ritning i det format som du först väljer i listan här. Klicka sedan på ikonen så genereras CAD-filen och nedladdning påbörjas direkt.
Användningsområde:
Dubbel kulbussning BBEL lämpar har samma dimensioner och toleranser som kulbussningar av BBE-typ , de är dock dubbelt så långa och klarar därför högre belastning
Att tänka på:
Fördelen med dubbel kulbussning är att den kan ersätta 2 korta kulbussningar av BBE-typ. Då koncentriteten blir densamma över hela bussningslängden uppnås en högre noggrannhet och reducerar därmed inbyggnadsarbetet. Fungerar med bibehållen precision i arbetsområden från -20°C till 80°C (kulhållare i plast) alternativt -20°C till 110°C (kulhållare i stål)

Art.nr. | Dimensioner | ||||||||||||
Standard | Rostfritt | Ød | Tolerans | ØD | Tolerans | L | Tolerans | B | Tolerans | W | ØD1 | ||
Material kulhållare | |||||||||||||
Plast | Stål | Plast | Stål | ||||||||||
BBE8L | BBE8LA | BBES8L | BBES8LA | 8 | +0,09 0 | 16 | 0 -0,009 | 46 | 0 -0,3 | 33 | 0 -0,3 | 1,1 | 15,2 |
BBE12L | BBE12LA | BBES12L | BBES12LA | 12 | 22 | 0 -0,011 | 61 | 45,8 | 1,3 | 21 | |||
BBE16L | BBE16LA | BBES16L | BBES16LA | 16 | +0,011 -0,001 | 26 | 68 | 49,8 | 24,9 | ||||
BBE20L | BBE20LA | BBES20L | BBES20LA | 20 | 32 | 0 -0,013 | 80 | 61 | 1,6 | 30,3 | |||
BBE25L | BBE25LA | BBES25L | BBES25LA | 25 | +0,013 -0,002 | 40 | 112 | 0 -0,4 | 82 | 0 -0,4 | 1,85 | 37,5 | |
BBE30L | BBE30LA | BBES30L | BBES30LA | 30 | 47 | 123 | 104,2 | 44,5 | |||||
BBE40L | BBE40LA | BBES40L | BBES40LA | 40 | +0,016 -0,004 | 62 | 0 -0,015 | 151 | 121,2 | 2,15 | 59 | ||
BBE50L | BBE50LA | BBES50L | BBES50LA | 50 | 75 | 192 | 155,2 | 2,65 | 72 | ||||
BBE60L | BBE60LA | BBS60L | BBS60LA | 60 | 90 | 0 -0,020 | 209 | 170 | 3,15 | 86,5 | |||
Art.nr. | Antal kulrader | Max excentricitet (µm) | bärighetstal dynamisk belastning (N) | Bärighetstal statisk belastning (N) | Vikt (g) | |||
Standard | Rostfritt | |||||||
Material kulhållare | ||||||||
Plast | Stål | Plast | Stål | |||||
BBE8L | BBE8LA | BBES8L | BBES8LA | 4 | 15 | 320 | 804 | 40 |
BBE12L | BBE12LA | BBES12L | BBES12LA | 683 | 1570 | 80 | ||
BBE16L | BBE16LA | BBES16L | BBES16LA | 710 | 1780 | 115 | ||
BBE20L | BBE20LA | BBES20L | BBES20LA | 5 | 17 | 1440 | 2740 | 18 |
BBE25L | BBE25LA | BBES25L | BBES25LA | 6 | 1490 | 3140 | 430 | |
BBE30L | BBE30LA | BBES30L | BBES30LA | 2600 | 5490 | 615 | ||
BBE40L | BBE40LA | BBES40L | BBES40LA | 20 | 3872 | 8040 | 1400 | |
BBE50L | BBE50LA | BBES50L | BBES50LA | 7701 | 15900 | 2320 | ||
BBE60L | BBE60LA | BBS60L | BBS60LA | 25 | 9940 | 20000 | 3920 | |
Art.nr. | Inre Ø | Exempel på ordernummer | ||||
Standard | Rostfritt | |||||
Material kulhållare | ||||||
Plast | Stål | Plast | Stål | |||
BBE8L | BBE8LA | BBES8L | BBES8LA | 8 | Kulbussning med dubbelsidig tätning standard | |
BBE12L | BBE12LA | BBES12L | BBES12LA | 12 | ||
BBE16L | BBE16LA | BBES16L | BBES16LA | 16 | ||
BBE20L | BBE20LA | BBES20L | BBES20LA | 20 | ||
BBE25L | BBE25LA | BBES25L | BBES25LA | 25 | ||
BBE30L | BBE30LA | BBES30L | BBES30LA | 30 | ||
BBE40L | BBE40LA | BBES40L | BBES40LA | 40 | ||
BBE50L | BBE50LA | BBES50L | BBES50LA | 50 | ||
BBE60L | BBE60LA | BBS60L | BBS60LA | 60 | ||
För cadfiler, se Tracepartsonline.net
|
|
|
|
|
|
||
|---|---|---|---|---|---|---|
|
|
|
|
|
|
||
|
|
|
|
|
|
||
|
|
|
|
|
|
||
|
|
|
|
|
|
||
|
|
|
|
|
|
||
|
|
|
|
|
|
| Varianter | Nedladdning av CAD | B | d (innerdiameter) | D (ytterdiameter) | L | Vikt | Pris/enhet | ||
|---|---|---|---|---|---|---|---|---|---|
|
Standard kulbussning lång
Art.nr.
BBE8LUU
Kopierad :-)
|
33 mm
|
8 mm
|
16 mm
|
46 mm
|
0,04 kg
|
| |||
|
Standard kulbussning lång
Art.nr.
BBE12LUU
Kopierad :-)
|
45,8 mm
|
12 mm
|
22 mm
|
61 mm
|
0,08 kg
|
| |||
|
Standard kulbussning lång
Art.nr.
BBE16LUU
Kopierad :-)
|
49,8 mm
|
16 mm
|
26 mm
|
68 mm
|
0,115 kg
|
| |||
|
Standard kulbussning lång
Art.nr.
BBE20LUU
Kopierad :-)
|
61 mm
|
20 mm
|
32 mm
|
80 mm
|
0,18 kg
|
| |||
|
KULBUSSNING LÅNG
Art.nr.
BBE25LUU
Kopierad :-)
|
82 mm
|
25 mm
|
40 mm
|
112 mm
|
0,43 kg
|
| |||
|
Standard kulbussning lång
Art.nr.
BBE30LUU
Kopierad :-)
|
104,2 mm
|
30 mm
|
47 mm
|
123 mm
|
0,615 kg
|
| |||
|
Standard kulbussning lång
Art.nr.
BBE40LUU
Kopierad :-)
|
121,2 mm
|
40 mm
|
62 mm
|
151 mm
|
1,4 kg
|
| |||
|
Standard kulbussning lång
Art.nr.
BBE50LUU
Kopierad :-)
|
155,2 mm
|
50 mm
|
75 mm
|
192 mm
|
2,32 kg
|
| |||
|
Standard kulbussning lång
Art.nr.
BBE60LUU
Kopierad :-)
|
170 mm
|
60 mm
|
90 mm
|
209 mm
|
3,92 kg
|
|
Nedladdning av CAD När du ser en grön
på en artikel i listan betyder det att du kan ladda ner dess CAD-ritning i det format som du först väljer i listan här. Klicka sedan på ikonen så genereras CAD-filen och nedladdning påbörjas direkt.
Välj en variant i listan
Hittar du inte det du söker eller kan vi hjälpa dig på något annat vis? Fyll i formuläret nedan så återkommer vi så snart vi bara kan!
Vänligen inkludera ett telefonnummer om du önskar bli uppringd.