• 15 000 artiklar Över 9 000 artiklar i lager
  • Utleverans samma dag Webborder 30min innan stängning skickas samma dag
  • Lager Vi samarbetar med ledande tillverkare

NTN Europe

Rostfria Spårkullager

Livsmedelsgodkända

Rostfria spårkullager anpassade för livsmedelshantering. Alla komponenter i lagret är tillverkade av rostfritt material för bättre korrosionsbeständighet. Smörjmedlet som används i lagren är FDA-godkänt för att klara alla krav inom livsmedelshantering.
  • 100% rostfritt material, även den blå nitriltätningen är förstärkt med rostfritt material
  • Brett temperaturområde -30°C till +120°C
  • NSF kategori H1 godkänd

Vald variant

Vald variant

Teknisk data

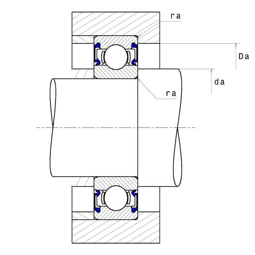
d (innerdiameter) 10 mm
D (ytterdiameter) 26 mm
B 8 mm
Varvtal 19000 rpm
Vikt 0,019 kg
Stat Cor (Statiskt bärighetstal) 1,97 kN
Dyn Cr (Dynamiskt bärighetstal) 3,52 kN

Nedladdningsbara filer

Nedladdning av CAD

S6000EEFD

Nedladdning av CAD När du ser en grön  Solid component icon på en artikel i listan betyder det att du kan ladda ner dess CAD-ritning i det format som du först väljer i listan här. Klicka sedan på ikonen så genereras CAD-filen och nedladdning påbörjas direkt. 

 

Mått och inkopplingar

Tekniska illustrationer

Produktbeskrivning

Rostfria spårkullager anpassade för livsmedelshantering. Alla komponenter i lagret är tillverkade av rostfritt material för bättre korrosionsbeständighet. Smörjmedlet som används i lagren är FDA-godkänt för att klara alla krav inom livsmedelshantering.

 

Den förbättrade tätningen förhindrar genomträngning av partiklar, vilket förlänger livslängden på lagret. Den blå färgen på tätningen är noggrant utvald för att vara enkel att se och därmed detekterbar med visionkamera.

 

Det breda temperaturområdet sträcker sig från -30°C till +120°C.

Tillbehör

TechKnow - kunskap, kundcase och företagsnytt

Varianter Nedladdning av CAD d (innerdiameter) D (ytterdiameter) B Varvtal Vikt Stat Cor (Statiskt bärighetstal) Dyn Cr (Dynamiskt bärighetstal) Pris/enhet
10 mm
26 mm
8 mm
19000 rpm
0,019 kg
1,97 kN
3,52 kN
12 mm
28 mm
8 mm
17000 rpm
0,02 kg
2,39 kN
3,93 kN
15 mm
32 mm
9 mm
14000 rpm
0,03 kg
2,85 kN
4,3 kN
17 mm
35 mm
10 mm
13000 rpm
0,04 kg
3,25 kN
4,6 kN
20 mm
42 mm
12 mm
11000 rpm
0,067 kg
5 kN
7,5 kN
25 mm
47 mm
12 mm
9100 rpm
0,08 kg
5,9 kN
7,7 kN
30 mm
55 mm
13 mm
7500 rpm
0,115 kg
8,3 kN
10,2 kN
35 mm
62 mm
14 mm
6700 rpm
0,152 kg
10,3 kN
12,3 kN
40 mm
68 mm
15 mm
5900 rpm
0,19 kg
11,5 kN
12,9 kN
10 mm
30 mm
9 mm
17000 rpm
0,032 kg
2,39 kN
3,93 kN
12 mm
32 mm
10 mm
16000 rpm
0,036 kg
3,05 kN
5,2 kN
15 mm
35 mm
11 mm
13000 rpm
0,045 kg
3,7 kN
5,9 kN
17 mm
40 mm
12 mm
12000 rpm
0,065 kg
4,8 kN
7,4 kN
20 mm
47 mm
14 mm
9900 rpm
0,103 kg
6,7 kN
9,9 kN
25 mm
52 mm
15 mm
8600 rpm
0,135 kg
7,9 kN
10,8 kN
30 mm
62 mm
16 mm
7200 rpm
0,197 kg
11,3 kN
15 kN
35 mm
72 mm
17 mm
6200 rpm
0,289 kg
15,3 kN
19,7 kN
40 mm
80 mm
18 mm
5500 rpm
0,362 kg
18,1 kN
22,7 kN
10 mm
35 mm
11 mm
15000 rpm
0,054 kg
3,45 kN
5,9 kN
12 mm
37 mm
12 mm
15000 rpm
0,06 kg
4,2 kN
7,5 kN
15 mm
42 mm
13 mm
12000 rpm
0,08 kg
5,4 kN
8,8 kN
17 mm
47 mm
14 mm
11000 rpm
0,12 kg
6,6 kN
10,4 kN
20 mm
52 mm
15 mm
9700 rpm
0,15 kg
7,9 kN
12,3 kN
25 mm
62 mm
17 mm
8000 rpm
0,232 kg
11,5 kN
17,2 kN

Nedladdning av CAD När du ser en grön  Solid component icon på en artikel i listan betyder det att du kan ladda ner dess CAD-ritning i det format som du först väljer i listan här. Klicka sedan på ikonen så genereras CAD-filen och nedladdning påbörjas direkt. 

 

Vald variant

Välj en variant i listan

Har du frågor?

Fredrik Scholander

075-24 24 971
Skicka e-post
Kundsupport
Vi finns här för att hjälpa till och om det finns frågor
075-24 24 956
Skicka e-post
Vanliga frågor
+ Hur blir man kund hos er?
+ Kan jag köpa produkter hos er som privatperson?
+ Kan jag se lagersaldo?
+ Vilka priser ser jag?
+ Kan jag se min orderhistorik på er hemsida?

Skicka ett mail

Hittar du inte det du söker eller kan vi hjälpa dig på något annat vis? Fyll i formuläret nedan så återkommer vi så snart vi bara kan!

Vänligen inkludera ett telefonnummer om du önskar bli uppringd.

Tack för ditt meddelande!

Tack för att du kontaktar oss på Internordic! Vi återkommer till dig så snart vi kan.

Hoppsan, något gick fel!

Något verkar ha gått fel. Vänligen kontrollera din information eller försök igen senare.
Behöver du hjälp?
Logo

Cookieinställningar för internordic.com

Cookies hjälper oss förbättra din upplevelse hos oss. Så för att kunna analysera trafiken, hantera inloggningsuppgifter, erbjuda dig personlig information och för att grundläggande funktionalitet ska fungera på webbplatsen behöver vi använda oss av lite cookies.

 

Psst! Vi säljer självklart inte vidare information om dig.

Nödvändiga cookies

Dessa cookies är nödvändiga för att webbplatsen ska fungera och kan inte stängas av i våra system. De används vanligtvis endast som svar på åtgärder som du har gjort i anslutning till en tjänstebegäran, till exempel när du ställer in personliga preferenser, loggar in eller fyller i ett formulär.

Analys och mätning

Dessa cookies tillåter oss att räkna antal besök och trafikkällor så att vi kan mäta och förbättra vår webbplatsprestanda. De hjälper oss att veta vilka sidor som är mer eller mindre populära och hur besökare navigerar runt på webbplatsen. Informationen som dessa cookies samlar in är aggregerad och därför helt anonym. Om du inte tillåter dessa cookies vet vi inte när du har besökt vår webbplats.

Marknadsföring

Dessa cookies kan läggas till av våra partners. De kan använda dem för att skapa en profil av dig, baserad på dina intressen, för att visa dig mer relevant information. De sparar ingen personlig information – endast information om din webbläsare och enhet. Om du inte godkänner dessa cookies, kommer du att få en mer allmän och mindre anpassad användarupplevelse.