• 15 000 artiklar Över 9 000 artiklar i lager
  • Utleverans samma dag Pris, lagersaldo och weborder direkt här på hemsidan
  • Lager Vi samarbetar med ledande tillverkare

NTN Europe

Kamrulle NUKR

Användningsområde

Kamrulle NUKR lämpar sig som lagring i olika applikationer där rullen ska löpa i en skena. Finns med både bomberad och cylindrisk mantelyta. Bomberad förhindrar kantbelastning om snedställning uppstår vid montering. Då ytterringen styrs av rullarna är belastningen axiellt högre än KR/KRV. NUKR är mer lämplig vi högre axiella belastningar. Enheten är försmord och försedd med skyddsplåtar. Då enheten är av fullrull-typ krävs det att man eftersmörjer ofta.

X- cylindrisk mantelyta

 Att tänka på

Mot angränsade maskindelar bör noggrannhet beaktas att sidobrickor och innerringen monteras utan axiellt spel.

 

Läs mer
  • 2-radig fullrull kamrulle för stora radiella laster
  • Gängad axeltapp för enkel montering

Vald variant

Vald variant

Teknisk data

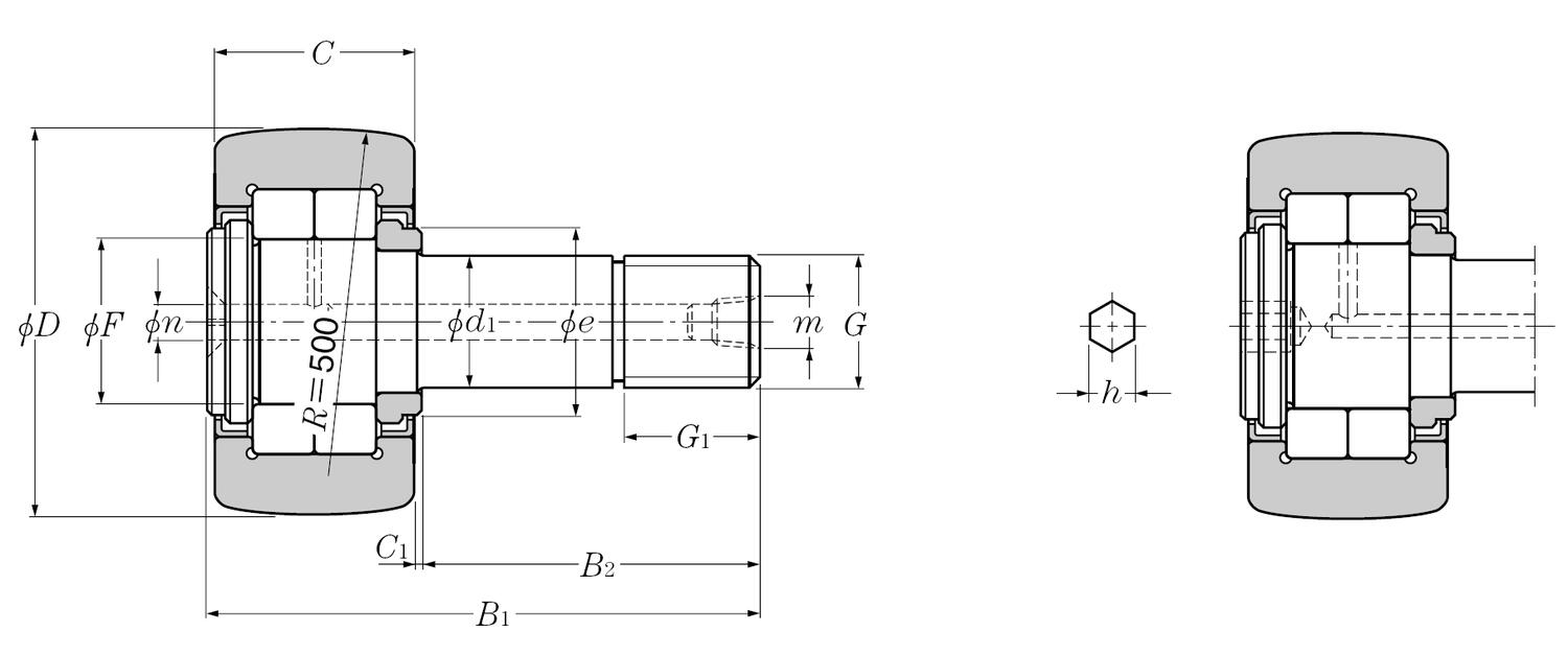
B 52 mm
C 18 mm
d 16
D (ytterdiameter) 35 mm
Dyn (Dynamiskt bärighetstal) 22300
Gänga M16x1,5
Sfärisk ytterring 3200 mm
Stat (Statiskt bärighetstal) 25700
Varvtal fett 5500 rpm
Vikt 0,165 kg

Nedladdning av CAD

NUKR35

Nedladdning av CAD När du ser en grön  Solid component icon på en artikel i listan betyder det att du kan ladda ner dess CAD-ritning i det format som du först väljer i listan här. Klicka sedan på ikonen så genereras CAD-filen och nedladdning påbörjas direkt. 

 

Mått och inkopplingar

Produktbeskrivning

Användningsområde

Kamrulle NUKR lämpar sig som lagring i olika applikationer där rullen ska löpa i en skena. Finns med både bomberad och cylindrisk mantelyta. Bomberad förhindrar kantbelastning om snedställning uppstår vid montering. Då ytterringen styrs av rullarna är belastningen axiellt högre än KR/KRV. NUKR är mer lämplig vi högre axiella belastningar. Enheten är försmord och försedd med skyddsplåtar. Då enheten är av fullrull-typ krävs det att man eftersmörjer ofta.

X- cylindrisk mantelyta

 Att tänka på

Mot angränsade maskindelar bör noggrannhet beaktas att sidobrickor och innerringen monteras utan axiellt spel.

 

Tillbehör

TechKnow - kunskap, kundcase och företagsnytt

Varianter Nedladdning av CAD B C Cylindrisk ytterring d D (ytterdiameter) Dyn (Dynamiskt bärighetstal) Gänga Sfärisk ytterring Stat (Statiskt bärighetstal) Varvtal fett Vikt Pris/enhet
52 mm
18 mm
16
35 mm
22300
M16x1,5
3200 mm
25700
5500 rpm
0,165 kg
52 mm
18 mm
11900
16
35 mm
22300
M16x1,5
25700
5500 rpm
0,165 kg
58 mm
20 mm
18
40 mm
24100
M18x1,5
3850 mm
29100
4700 rpm
0,242 kg
58 mm
20 mm
14500
18
40 mm
24100
M18x,15
29100
4700 rpm
0,242 kg
66 mm
24 mm
20
47 mm
38500
M20x1,5
4700 mm
48000
4000 rpm
0,38 kg
66 mm
24 mm
21000
20
47 mm
38500
M20x1,5
48000
4000 rpm
0,38 kg
66 mm
24 mm
20
50 mm
42500
M20x1,5
5550 mm
57500
3300 rpm
0,45 kg
66 mm
24 mm
23300
20
50 mm
42500
M20x1,5
57500
3300 rpm
0,45 kg
80 mm
29 mm
24
62 mm
56500
M24x1,5
6950 mm
72500
2900 rpm
0,795 kg
80 mm
29 mm
34500
24
62 mm
56500
M24x1,5
72500
2900 rpm
0,795 kg
80 mm
29 mm
24
72 mm
62000
M24x1,5
8050 mm
85500
2400 rpm
1,01 kg
80 mm
29 mm
38500
24
72 mm
62000
M24x1,5
85500
2400 rpm
1,01 kg
100 mm
35 mm
30
80 mm
101000
M30x1,5
9800 mm
151000
2100 rpm
1,54 kg
100 mm
35 mm
53000
30
80 mm
101000
M30x1,5
151000
2100 rpm
1,54 kg
100 mm
35 mm
30
90 mm
101000
M30x1,5
11400 mm
151000
2100 rpm
1,96 kg
100 mm
35 mm
59000
30
90 mm
101000
M30x1,5
151000
2100 rpm
1,96 kg

Nedladdning av CAD När du ser en grön  Solid component icon på en artikel i listan betyder det att du kan ladda ner dess CAD-ritning i det format som du först väljer i listan här. Klicka sedan på ikonen så genereras CAD-filen och nedladdning påbörjas direkt. 

 

Vald variant

Välj en variant i listan

Har du frågor?

Fredrik Scholander

Säljkontakt & produktansvarig

075-24 24 971
Skicka e-post
Kundsupport
Vi finns här för att hjälpa till och om det finns frågor
075-24 24 956
Skicka e-post
Vanliga frågor
+ Hur blir man kund hos er?
+ Kan jag köpa produkter hos er som privatperson?
+ Kan jag se lagersaldo?
+ Vilka priser ser jag?
+ Kan jag se min orderhistorik på er hemsida?

Skicka ett mail

Hittar du inte det du söker eller kan vi hjälpa dig på något annat vis? Fyll i formuläret nedan så återkommer vi så snart vi bara kan!

Vänligen inkludera ett telefonnummer om du önskar bli uppringd.

Tack för ditt meddelande!

Tack för att du kontaktar oss på Internordic! Vi återkommer till dig så snart vi kan.

Hoppsan, något gick fel!

Något verkar ha gått fel. Vänligen kontrollera din information eller försök igen senare.
Behöver du hjälp?
Logo

Cookieinställningar för internordic.com

Cookies hjälper oss förbättra din upplevelse hos oss. Så för att kunna analysera trafiken, hantera inloggningsuppgifter, erbjuda dig personlig information och för att grundläggande funktionalitet ska fungera på webbplatsen behöver vi använda oss av lite cookies.

 

Psst! Vi säljer självklart inte vidare information om dig.

Nödvändiga cookies

Dessa cookies är nödvändiga för att webbplatsen ska fungera och kan inte stängas av i våra system. De används vanligtvis endast som svar på åtgärder som du har gjort i anslutning till en tjänstebegäran, till exempel när du ställer in personliga preferenser, loggar in eller fyller i ett formulär.

Analys och mätning

Dessa cookies tillåter oss att räkna antal besök och trafikkällor så att vi kan mäta och förbättra vår webbplatsprestanda. De hjälper oss att veta vilka sidor som är mer eller mindre populära och hur besökare navigerar runt på webbplatsen. Informationen som dessa cookies samlar in är aggregerad och därför helt anonym. Om du inte tillåter dessa cookies vet vi inte när du har besökt vår webbplats.

Marknadsföring

Dessa cookies kan läggas till av våra partners. De kan använda dem för att skapa en profil av dig, baserad på dina intressen, för att visa dig mer relevant information. De sparar ingen personlig information – endast information om din webbläsare och enhet. Om du inte godkänner dessa cookies, kommer du att få en mer allmän och mindre anpassad användarupplevelse.