• 15 000 artiklar Över 9 000 artiklar i lager
  • Utleverans samma dag Pris, lagersaldo och weborder direkt här på hemsidan
  • Lager Vi samarbetar med ledande tillverkare

NTN Europe

Kamrulle KR

Användningsområde

Kamrulle KR/KRV lämpar sig som lagring i olika applikationer där rullen ska löpa i en skena. Finns med både bomberad och cylindrisk mantelyta. Bomberad förhindrar kantbelastning om snedställning uppstår vid montering. Då ytterringen ej styrs av rullarna är belastningen axiellt begränsad. NUKR är mer lämplig vid högre axiella belastningar. Enheten är försmord och finns att tillgå med tätningar. KR har hållare för rullkropparna och KRV är av fullrull-typ, vilket innebär att KRV tål högre belastning. Dock klarar KRV ej lika höga varvtal.

LL- tätning

X- cylindrisk mantelyta

 Att tänka på

Mot angränsade maskindelar bör noggrannhet beaktas att sidobrickor och innerringen monteras utan axiellt spel.

 

Läs mer
  • Monteringsfärdig enhet för lagring i skenor, transportörer mm
  • Gängad axeltapp för enkel montering
  • Försmord och finns att tillgå med tätningar

Vald variant

Vald variant

Teknisk data

Nedladdning av CAD

KR16

Nedladdning av CAD När du ser en grön  Solid component icon på en artikel i listan betyder det att du kan ladda ner dess CAD-ritning i det format som du först väljer i listan här. Klicka sedan på ikonen så genereras CAD-filen och nedladdning påbörjas direkt. 

 

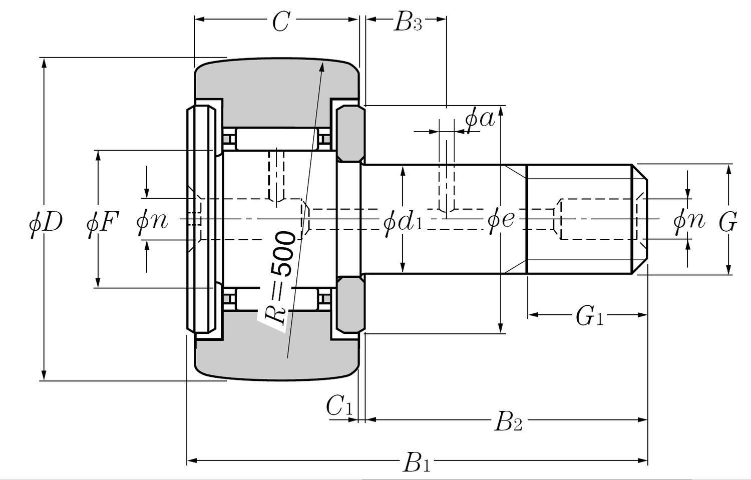
Mått och inkopplingar

Produktbeskrivning

Användningsområde

Kamrulle KR/KRV lämpar sig som lagring i olika applikationer där rullen ska löpa i en skena. Finns med både bomberad och cylindrisk mantelyta. Bomberad förhindrar kantbelastning om snedställning uppstår vid montering. Då ytterringen ej styrs av rullarna är belastningen axiellt begränsad. NUKR är mer lämplig vid högre axiella belastningar. Enheten är försmord och finns att tillgå med tätningar. KR har hållare för rullkropparna och KRV är av fullrull-typ, vilket innebär att KRV tål högre belastning. Dock klarar KRV ej lika höga varvtal.

LL- tätning

X- cylindrisk mantelyta

 Att tänka på

Mot angränsade maskindelar bör noggrannhet beaktas att sidobrickor och innerringen monteras utan axiellt spel.

 

Tillbehör

TechKnow - kunskap, kundcase och företagsnytt

Varianter Nedladdning av CAD Pris/enhet

Nedladdning av CAD När du ser en grön  Solid component icon på en artikel i listan betyder det att du kan ladda ner dess CAD-ritning i det format som du först väljer i listan här. Klicka sedan på ikonen så genereras CAD-filen och nedladdning påbörjas direkt. 

 

Vald variant

Välj en variant i listan

Har du frågor?

Fredrik Scholander

Säljkontakt & produktansvarig

075-24 24 971
Skicka e-post
Kundsupport
Vi finns här för att hjälpa till och om det finns frågor
075-24 24 956
Skicka e-post
Vanliga frågor
+ Hur blir man kund hos er?
+ Kan jag köpa produkter hos er som privatperson?
+ Kan jag se lagersaldo?
+ Vilka priser ser jag?
+ Kan jag se min orderhistorik på er hemsida?

Skicka ett mail

Hittar du inte det du söker eller kan vi hjälpa dig på något annat vis? Fyll i formuläret nedan så återkommer vi så snart vi bara kan!

Vänligen inkludera ett telefonnummer om du önskar bli uppringd.

Tack för ditt meddelande!

Tack för att du kontaktar oss på Internordic! Vi återkommer till dig så snart vi kan.

Hoppsan, något gick fel!

Något verkar ha gått fel. Vänligen kontrollera din information eller försök igen senare.
Behöver du hjälp?
Logo

Cookieinställningar för internordic.com

Cookies hjälper oss förbättra din upplevelse hos oss. Så för att kunna analysera trafiken, hantera inloggningsuppgifter, erbjuda dig personlig information och för att grundläggande funktionalitet ska fungera på webbplatsen behöver vi använda oss av lite cookies.

 

Psst! Vi säljer självklart inte vidare information om dig.

Nödvändiga cookies

Dessa cookies är nödvändiga för att webbplatsen ska fungera och kan inte stängas av i våra system. De används vanligtvis endast som svar på åtgärder som du har gjort i anslutning till en tjänstebegäran, till exempel när du ställer in personliga preferenser, loggar in eller fyller i ett formulär.

Analys och mätning

Dessa cookies tillåter oss att räkna antal besök och trafikkällor så att vi kan mäta och förbättra vår webbplatsprestanda. De hjälper oss att veta vilka sidor som är mer eller mindre populära och hur besökare navigerar runt på webbplatsen. Informationen som dessa cookies samlar in är aggregerad och därför helt anonym. Om du inte tillåter dessa cookies vet vi inte när du har besökt vår webbplats.

Marknadsföring

Dessa cookies kan läggas till av våra partners. De kan använda dem för att skapa en profil av dig, baserad på dina intressen, för att visa dig mer relevant information. De sparar ingen personlig information – endast information om din webbläsare och enhet. Om du inte godkänner dessa cookies, kommer du att få en mer allmän och mindre anpassad användarupplevelse.