• 15 000 artiklar Över 9 000 artiklar i lager
  • Utleverans samma dag Pris, lagersaldo och weborder direkt här på hemsidan
  • Lager Vi samarbetar med ledande tillverkare

TR

Lagerenhet UCFC

Gjuten i robust gjutjärn med 4-bulthål och styrkant för enkel montering. Självjusterande sfäriskt lager för kompensation av axelfel. Lätt att montera med få bultar. Tål stötbelastningar. Passar för olika tillämpningar som transportanordningar och lantbruksmaskiner. Livstidssmord under vissa förhållanden, men medföljande smörjnippel för extrema miljöer. Välj mellan stoppskruv (UC/SB), låsring (SA) eller klämhylsa (UK).
  • Rund lagerenhet i gjutjärn för 4 fästbultar
  • Styrkant på baksidan för centrering

Vald variant

Vald variant

Teknisk data

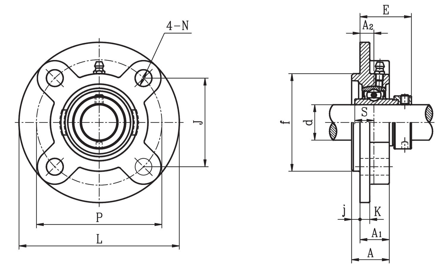
A 23 mm
A1 19 mm
A2 10 mm
Bultstorlek M8
d (innerdiameter) 15 mm
E 25,9 mm
f 55 mm
Hus nummer FC203
i 4 mm
Insatslager nummer UC202
J 49,5 mm
K 5 mm
L 90 mm
N 10 mm
P 70 mm
S 11,5 mm
Vikt 0,6 kg

Nedladdning av CAD

UCFC202#

Nedladdning av CAD När du ser en grön  Solid component icon på en artikel i listan betyder det att du kan ladda ner dess CAD-ritning i det format som du först väljer i listan här. Klicka sedan på ikonen så genereras CAD-filen och nedladdning påbörjas direkt. 

 

Mått och inkopplingar

Produktbeskrivning

 Lagerenheter består av ett lagerhus med sfäriskt lagerläge och ett spårkullager med en motsvarande sfärisk ytterdiameter. Lagret får därmed en självinställande förmåga och kan kompensera för eventuella uppriktningsfel av axeln.

  • Lätta att montera med ett fåtal fästbultar
  • Lätta att montera på axel tack vare plustolerans i lagrets innerdiameter
  • Självinställande förmåga
  • Tål stötbelastningar

Typiska applikationer är transportanordningar, lantbruks-, byggnads-, livsmedels- och trädgårdsmaskiner. Lagerenheter kan under vissa förhållanden betraktas som livstidssmorda, men onormalt hög driftstemperatur, varvtal eller förorenade miljöer kräver eftersmörjning, därför medlevereras smörjnippel. Insatslager kan förses med lock och tätningar för extrema miljöer. Specialgängor för automatisk smörjning samt tumdimensioner kan levereras. Lagerenheter finns med olika typer av insatslager; stoppskruvar, excentrisk låsring eller klämhylsa.

  • UC/SB – stoppskruv
  • SA – låsring
  • UK - klämhylsa monteras med anpassad hylsa

Vid montering, var noggrann med uppriktning mellan husen. Snedställning medför minskad livslängd.

Att tänka på vid val av lagerenhet

Val av hustyp

Belastning, speciellt om axiell belastning förekommer då begränsningar generellt finns för denna typ av enheter för att undvika att lager inte kläms vid värmeutvidgning av axeln.

Typ av miljö

Varvtal

Fixeringsmetod på axel, stoppskruv/excentrisk låsring/klämhylsa

Axeltolerans

 

Tillbehör

Relaterade produkter

TechKnow - kunskap, kundcase och företagsnytt

Varianter Nedladdning av CAD A A1 A2 Bultstorlek d (innerdiameter) E f Hus nummer i Insatslager nummer J K L N P S Vikt Pris/enhet
23 mm
19 mm
10 mm
M8
15 mm
25,9 mm
55 mm
FC203
4 mm
UC202
49,5 mm
5 mm
90 mm
10 mm
70 mm
11,5 mm
0,6 kg
23 mm
19 mm
10 mm
M10
17 mm
25,9 mm
55 mm
FC203
4 mm
UC203
49,5 mm
5 mm
90 mm
10 mm
70 mm
11,5 mm
0,5 kg
25,5 mm
20,5 mm
10 mm
M10
20 mm
28,3 mm
62 mm
FC204
5 mm
UC204
55,1 mm
6 mm
100 mm
12 mm
78 mm
12,7 mm
0,8 kg
27 mm
21 mm
10 mm
M10
25 mm
29,7 mm
70 mm
FC205
6 mm
UC205
63,6 mm
7 mm
115 mm
12 mm
90 mm
14,3 mm
1 kg
31 mm
23 mm
10 mm
M12
30 mm
32,2 mm
80 mm
FC206
8 mm
UC206
70,7 mm
8 mm
125 mm
12 mm
100 mm
15,9 mm
1,4 kg
34 mm
26 mm
11 mm
M12
35 mm
36,4 mm
90 mm
FC207
8 mm
UC207
77,8 mm
9 mm
135 mm
14 mm
110 mm
17,5 mm
1,7 kg
36 mm
26 mm
11 mm
M14
40 mm
41,2 mm
100 mm
FC208
10 mm
UC208
84,8 mm
9 mm
145 mm
14 mm
120 mm
19 mm
2 kg
38 mm
26 mm
10 mm
M14
45 mm
40,2 mm
105 mm
FC209
12 mm
UC209
93,3 mm
10 mm
160 mm
16 mm
132 mm
19 mm
3 kg
40 mm
28 mm
10 mm
M16
50 mm
42,6 mm
110 mm
FC210
12 mm
UC210
97,6 mm
14 mm
165 mm
16 mm
138 mm
19 mm
3 kg
42 mm
30 mm
13 mm
M16
55 mm
46,4 mm
125 mm
FC211
12 mm
UC211
106,1 mm
13 mm
185 mm
19 mm
150 mm
22,2 mm
4 kg
48 mm
36 mm
17 mm
M16
60 mm
56,7 mm
135 mm
FC212
12 mm
UC212
113 mm
15 mm
195 mm
19 mm
160 mm
25,4 mm
5 kg
49 mm
35 mm
16 mm
M16
65 mm
55,7 mm
145 mm
FC213
14 mm
UC213
120 mm
15 mm
205 mm
19 mm
170 mm
25,4 mm
6 kg
52 mm
38 mm
17 mm
M16
70 mm
61,4 mm
150 mm
FC214
14 mm
UC214
125 mm
16 mm
215 mm
19 mm
177 mm
30,2 mm
6,8 kg
55 mm
39 mm
18 mm
M16
75 mm
62,5 mm
160 mm
FC215
16 mm
UC215
130,1 mm
17 mm
220 mm
19 mm
184 mm
33,3 mm
7,2 kg
58 mm
42 mm
18 mm
M20
80 mm
67,3 mm
170 mm
FC216
16 mm
UC216
141,4 mm
18 mm
240 mm
23 mm
200 mm
33,3 mm
8,7 kg
63 mm
45 mm
18 mm
M20
85 mm
70 mm
180 mm
FC217
18 mm
UC217
147,1 mm
20 mm
250 mm
23 mm
208 mm
34 mm
10 kg
68 mm
50 mm
22 mm
M20
90 mm
78 mm
190 mm
FC218
18 mm
UC218
156 mm
20 mm
265 mm
23 mm
220 mm
40 mm
14 kg

Nedladdning av CAD När du ser en grön  Solid component icon på en artikel i listan betyder det att du kan ladda ner dess CAD-ritning i det format som du först väljer i listan här. Klicka sedan på ikonen så genereras CAD-filen och nedladdning påbörjas direkt. 

 

Vald variant

Välj en variant i listan

Har du frågor?

Torbjörn Gustafsson

Kundsupportchef och Produktansvarig Nässjö

075 - 24 24 944
Skicka e-post
Kundsupport
Vi finns här för att hjälpa till och om det finns frågor
075-24 24 956
Skicka e-post
Vanliga frågor
+ Hur blir man kund hos er?
+ Kan jag köpa produkter hos er som privatperson?
+ Kan jag se lagersaldo?
+ Vilka priser ser jag?
+ Kan jag se min orderhistorik på er hemsida?

Skicka ett mail

Hittar du inte det du söker eller kan vi hjälpa dig på något annat vis? Fyll i formuläret nedan så återkommer vi så snart vi bara kan!

Vänligen inkludera ett telefonnummer om du önskar bli uppringd.

Tack för ditt meddelande!

Tack för att du kontaktar oss på Internordic! Vi återkommer till dig så snart vi kan.

Hoppsan, något gick fel!

Något verkar ha gått fel. Vänligen kontrollera din information eller försök igen senare.
Behöver du hjälp?
Logo

Cookieinställningar för internordic.com

Cookies hjälper oss förbättra din upplevelse hos oss. Så för att kunna analysera trafiken, hantera inloggningsuppgifter, erbjuda dig personlig information och för att grundläggande funktionalitet ska fungera på webbplatsen behöver vi använda oss av lite cookies.

 

Psst! Vi säljer självklart inte vidare information om dig.

Nödvändiga cookies

Dessa cookies är nödvändiga för att webbplatsen ska fungera och kan inte stängas av i våra system. De används vanligtvis endast som svar på åtgärder som du har gjort i anslutning till en tjänstebegäran, till exempel när du ställer in personliga preferenser, loggar in eller fyller i ett formulär.

Analys och mätning

Dessa cookies tillåter oss att räkna antal besök och trafikkällor så att vi kan mäta och förbättra vår webbplatsprestanda. De hjälper oss att veta vilka sidor som är mer eller mindre populära och hur besökare navigerar runt på webbplatsen. Informationen som dessa cookies samlar in är aggregerad och därför helt anonym. Om du inte tillåter dessa cookies vet vi inte när du har besökt vår webbplats.

Marknadsföring

Dessa cookies kan läggas till av våra partners. De kan använda dem för att skapa en profil av dig, baserad på dina intressen, för att visa dig mer relevant information. De sparar ingen personlig information – endast information om din webbläsare och enhet. Om du inte godkänner dessa cookies, kommer du att få en mer allmän och mindre anpassad användarupplevelse.