• 15 000 artiklar Över 9 000 artiklar i lager
  • Utleverans samma dag Pris, lagersaldo och weborder direkt här på hemsidan
  • Lager Vi samarbetar med ledande tillverkare

TR

Lagerenhet UCC

Användningsområde

Gjutjärnshus i runt utförande utan bulthål.

Tabell visar med UC-insatslager, finns med andra insatslager.

Lagerenheter består av ett lagerhus med sfäriskt lagerläge och ett spårkullager med en motsvarande sfärisk ytterdiameter. Lagret får därmed en självinställande förmåga och kan kompensera för eventuella uppriktningsfel av axeln.

  • Lätta att montera på axel tack vare plustolerans i lagrets innerdiameter
  • Självinställande förmåga
  • Tål stötbelastningar

Typiska applikationer är transportanordningar, lantbruks-, byggnads-, livsmedels- och trädgårdsmaskiner. Lagerenheter kan under vissa förhållanden betraktas som livstidssmorda, men onormalt hög driftstemperatur, varvtal eller förorenade miljöer kräver eftersmörjning, därför medlevereras smörjnippel. Insatslager kan förses med lock och tätningar för extrema miljöer. Specialgängor för automatisk smörjning samt tumdimensioner kan levereras. Lagerenheter finns med olika typer av insatslager; stoppskruvar, excentrisk låsring eller klämhylsa.

  • UC/SB – stoppskruv
  • SA – låsring
  • UK - klämhylsa monteras med anpassad hylsa

 Att tänka på

Vid montering, var noggrann med uppriktning mellan husen. Snedställning medför minskad livslängd.

 

ATT TÄNKA PÅ VID VAL AV LAGERENHET


Val av hustyp
Belastning, speciellt om axiell belastning förekommer då begränsningar generellt finns för denna typ av enheter för att undvika att lager inte kläms vid värmeutvidgning av axeln.
Typ av miljö
Varvtal
Fixeringsmetod på axel, stoppskruv/excentrisk låsring/klämhylsa
Axeltolerans

Läs mer
  • Runt gjutjärnhus utan fästhål
  • Självinställande och enkla att montera
NTN/SNR_UCC

Lagerenhet med helt cylindriskt gjutjärnshus

Vald variant

Vald variant

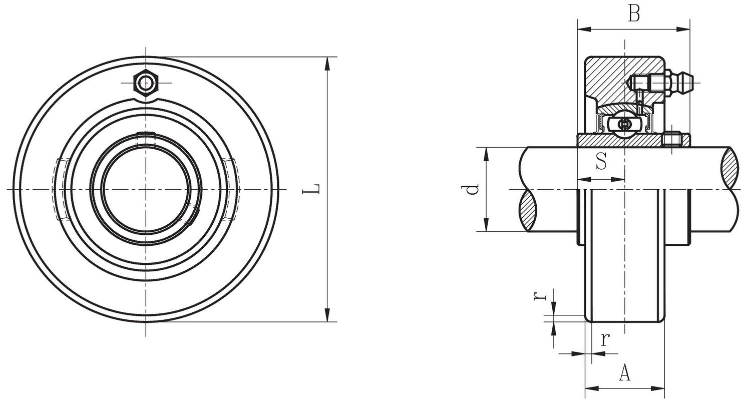
Teknisk data

A 20 mm
B 27,4 mm
d (innerdiameter) 17 mm
Hus nummer C203
Insatslager nummer UC203
L 67 mm
r 1,5 mm
S 11,5 mm
Vikt 0,5 kg

Nedladdning av CAD

UCC203#

Nedladdning av CAD När du ser en grön  Solid component icon på en artikel i listan betyder det att du kan ladda ner dess CAD-ritning i det format som du först väljer i listan här. Klicka sedan på ikonen så genereras CAD-filen och nedladdning påbörjas direkt. 

 

Mått och inkopplingar

Produktbeskrivning

Användningsområde

Gjutjärnshus i runt utförande utan bulthål.

Tabell visar med UC-insatslager, finns med andra insatslager.

Lagerenheter består av ett lagerhus med sfäriskt lagerläge och ett spårkullager med en motsvarande sfärisk ytterdiameter. Lagret får därmed en självinställande förmåga och kan kompensera för eventuella uppriktningsfel av axeln.

  • Lätta att montera på axel tack vare plustolerans i lagrets innerdiameter
  • Självinställande förmåga
  • Tål stötbelastningar

Typiska applikationer är transportanordningar, lantbruks-, byggnads-, livsmedels- och trädgårdsmaskiner. Lagerenheter kan under vissa förhållanden betraktas som livstidssmorda, men onormalt hög driftstemperatur, varvtal eller förorenade miljöer kräver eftersmörjning, därför medlevereras smörjnippel. Insatslager kan förses med lock och tätningar för extrema miljöer. Specialgängor för automatisk smörjning samt tumdimensioner kan levereras. Lagerenheter finns med olika typer av insatslager; stoppskruvar, excentrisk låsring eller klämhylsa.

  • UC/SB – stoppskruv
  • SA – låsring
  • UK - klämhylsa monteras med anpassad hylsa

 Att tänka på

Vid montering, var noggrann med uppriktning mellan husen. Snedställning medför minskad livslängd.

 

ATT TÄNKA PÅ VID VAL AV LAGERENHET


Val av hustyp
Belastning, speciellt om axiell belastning förekommer då begränsningar generellt finns för denna typ av enheter för att undvika att lager inte kläms vid värmeutvidgning av axeln.
Typ av miljö
Varvtal
Fixeringsmetod på axel, stoppskruv/excentrisk låsring/klämhylsa
Axeltolerans

Tillbehör

Relaterade produkter

TechKnow - kunskap, kundcase och företagsnytt

Varianter Nedladdning av CAD A B d (innerdiameter) Hus nummer Insatslager nummer L r S Vikt Pris/enhet
20 mm
27,4 mm
17 mm
C203
UC203
67 mm
1,5 mm
11,5 mm
0,5 kg
20 mm
31 mm
20 mm
C204
UC204
72 mm
1,5 mm
12,7 mm
0,5 kg
22 mm
34 mm
25 mm
C205
UC205
80 mm
1,5 mm
14,3 mm
0,7 kg
27 mm
38,1 mm
30 mm
C206
UC206
85 mm
1,5 mm
15,9 mm
0,8 kg
28 mm
42,9 mm
35 mm
C207
UC207
90 mm
2 mm
17,5 mm
0,9 kg
30 mm
49,2 mm
40 mm
C208
UC208
100 mm
2 mm
19 mm
1,3 kg
31 mm
49,2 mm
45 mm
C209
UC209
110 mm
2 mm
19 mm
2 kg
33 mm
51,6 mm
50 mm
C210
UC210
120 mm
2 mm
19 mm
2 kg
35 mm
55,6 mm
55 mm
C211
UC211
125 mm
2,5 mm
22,2 mm
2 kg
38 mm
65,1 mm
60 mm
C212
UC212
130 mm
2,5 mm
25,4 mm
3 kg
40 mm
65,1 mm
65 mm
C213
UC213
140 mm
2,5 mm
25,4 mm
3 kg

Nedladdning av CAD När du ser en grön  Solid component icon på en artikel i listan betyder det att du kan ladda ner dess CAD-ritning i det format som du först väljer i listan här. Klicka sedan på ikonen så genereras CAD-filen och nedladdning påbörjas direkt. 

 

Vald variant

Välj en variant i listan

Har du frågor?

Torbjörn Gustafsson

Kundsupportchef och Produktansvarig Nässjö

075 - 24 24 944
Skicka e-post
Kundsupport
Vi finns här för att hjälpa till och om det finns frågor
075-24 24 956
Skicka e-post
Vanliga frågor
+ Hur blir man kund hos er?
+ Kan jag köpa produkter hos er som privatperson?
+ Kan jag se lagersaldo?
+ Vilka priser ser jag?
+ Kan jag se min orderhistorik på er hemsida?

Skicka ett mail

Hittar du inte det du söker eller kan vi hjälpa dig på något annat vis? Fyll i formuläret nedan så återkommer vi så snart vi bara kan!

Vänligen inkludera ett telefonnummer om du önskar bli uppringd.

Tack för ditt meddelande!

Tack för att du kontaktar oss på Internordic! Vi återkommer till dig så snart vi kan.

Hoppsan, något gick fel!

Något verkar ha gått fel. Vänligen kontrollera din information eller försök igen senare.
Behöver du hjälp?
Logo

Cookieinställningar för internordic.com

Cookies hjälper oss förbättra din upplevelse hos oss. Så för att kunna analysera trafiken, hantera inloggningsuppgifter, erbjuda dig personlig information och för att grundläggande funktionalitet ska fungera på webbplatsen behöver vi använda oss av lite cookies.

 

Psst! Vi säljer självklart inte vidare information om dig.

Nödvändiga cookies

Dessa cookies är nödvändiga för att webbplatsen ska fungera och kan inte stängas av i våra system. De används vanligtvis endast som svar på åtgärder som du har gjort i anslutning till en tjänstebegäran, till exempel när du ställer in personliga preferenser, loggar in eller fyller i ett formulär.

Analys och mätning

Dessa cookies tillåter oss att räkna antal besök och trafikkällor så att vi kan mäta och förbättra vår webbplatsprestanda. De hjälper oss att veta vilka sidor som är mer eller mindre populära och hur besökare navigerar runt på webbplatsen. Informationen som dessa cookies samlar in är aggregerad och därför helt anonym. Om du inte tillåter dessa cookies vet vi inte när du har besökt vår webbplats.

Marknadsföring

Dessa cookies kan läggas till av våra partners. De kan använda dem för att skapa en profil av dig, baserad på dina intressen, för att visa dig mer relevant information. De sparar ingen personlig information – endast information om din webbläsare och enhet. Om du inte godkänner dessa cookies, kommer du att få en mer allmän och mindre anpassad användarupplevelse.