• 15 000 artiklar Över 9 000 artiklar i lager
  • Utleverans samma dag Pris, lagersaldo och weborder direkt här på hemsidan
  • Lager Vi samarbetar med ledande tillverkare

SFERO

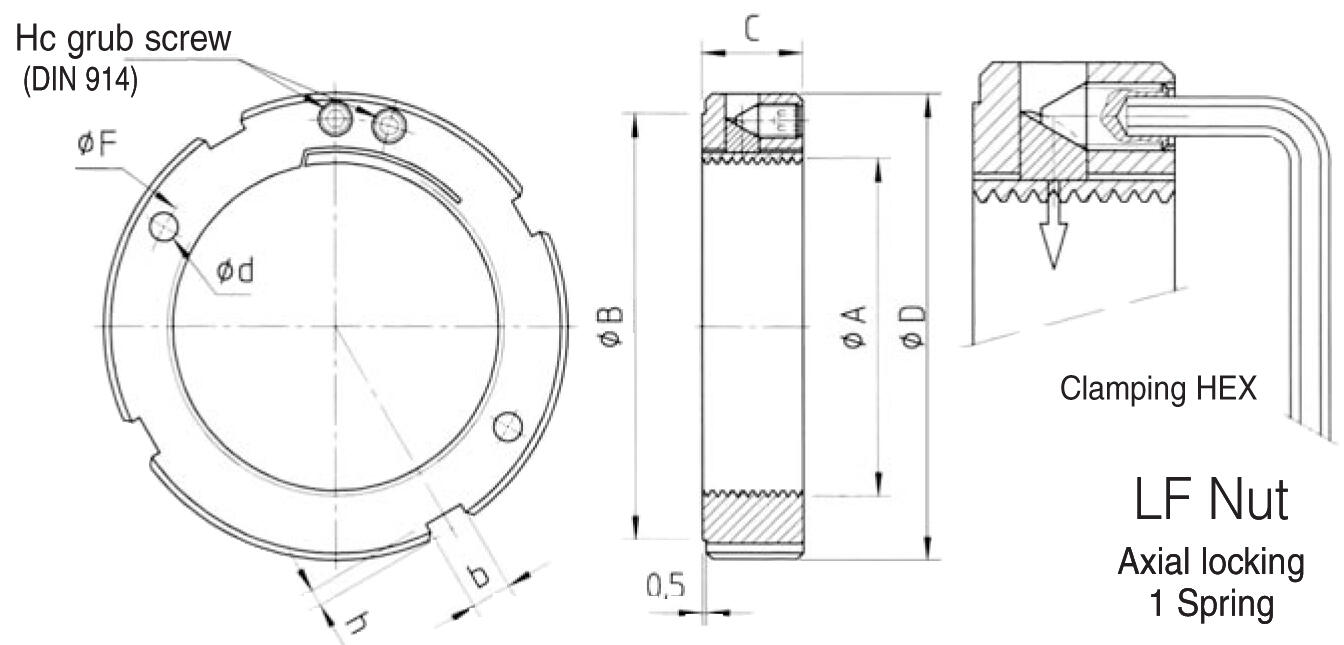
Låsmutter LF med front låsning

LF Frontlåsning

LF mutter med frontlåsning används där radiell låsning ej är ett alternativ pga utrymme. Låseffekten uppkommer då låsskruven vrids och trycker på gängslitsen 90° via en låskil. Radiellkraften pressar ned låsslitsen mot gängan och en kraftfull och precis låseffekt uppstår utan att skada gängan på axeln. Den vinkelräta kontaktytan, gentemot gängan, medför en mycket precis låsning av lager eller annan mekanisk komponent. För montering finns det hål på gavelsidan för att enkelt montera muttern.

PERFEKT FÖR FÖLJANDE BRANSCHER OCH ANVÄNDNINGSOMRÅDEN

  • Fixering och injustering av alla typer av lager
  • Montering av kulskruvar
  • Roterande höghastighetsspindlar
  • System med högfrekventa växlingar av rörelseriktning
  • Kalibrering av fjädersystem
  • Kontruktioner som utsätts för höga temperaturer och/eller vibrationer
  • Kontruktioner som regelbundet demonteras eller åtemonteras

 

Exempel på branscher är fordons-, flyg-, process-, offshore/marinindustri, vals/järnverk.
Men också alla typer av maskintillverkare som t.ex. tryckeri, emballage, samt motorer, turbiner, kompressorer etc.
 

Teknisk fakta & Att tänka på

  • Muttrarna är tillverkade i 20MV6, ett stål med hög sträck- & brottgräns
  • Gängtolerans 4H, andra låsmuttrar har vanligen endast 5H eller 6H
  • Slitsarna är laserskurna
  • Slipad och polerad anläggningsyta
  • Vinkelräthet, framsida mot hål; 0,005
  • 4 st urfräsningar i 90 grader för haknyckel
  • Svarteloxerad
  • Kundanpassning kan erbjudas med tillverkning i ett flertal olika material och gängtyper.

Åtdragningsmoment stoppskruvar

M4 skruv 2,5 Nm M8 skruv 18 Nm

M5 skruv 5 Nm M10 skruv 36 Nm

M6 skruv 8 Nm

 

 

 

 

NOTERAS! Stoppskruvarna får EJ röras när muttern ej är monterad på axel.

 

Läs mer
  • Front låsning för trånga utrymmen
  • Skadar ej gängor - återmonteringsbar utan försämrad låseffekt
SFERO_LF

Lås och reglermutter med frontlåsning som är aktuellt vid montage på en axel inuti ett rör eller annat hålrum där det är svårt med radiell låsning

Vald variant

Vald variant

Teknisk data

Axiell last max 36200 N
b+h 4 x 2
Bredd C 15 mm
Diameter B 22 mm
Diameter d 3,2 mm
Diameter F 20 mm
Gänga 12x1,00
Lossningsmoment 4
Stoppskruv 1xM4
Vikt 0,05 kg
Ytterdiameter D 28 mm

Nedladdning av CAD

LF01

Nedladdning av CAD När du ser en grön  Solid component icon på en artikel i listan betyder det att du kan ladda ner dess CAD-ritning i det format som du först väljer i listan här. Klicka sedan på ikonen så genereras CAD-filen och nedladdning påbörjas direkt. 

 

Mått och inkopplingar

Produktbeskrivning

LF Frontlåsning

LF mutter med frontlåsning används där radiell låsning ej är ett alternativ pga utrymme. Låseffekten uppkommer då låsskruven vrids och trycker på gängslitsen 90° via en låskil. Radiellkraften pressar ned låsslitsen mot gängan och en kraftfull och precis låseffekt uppstår utan att skada gängan på axeln. Den vinkelräta kontaktytan, gentemot gängan, medför en mycket precis låsning av lager eller annan mekanisk komponent. För montering finns det hål på gavelsidan för att enkelt montera muttern.

PERFEKT FÖR FÖLJANDE BRANSCHER OCH ANVÄNDNINGSOMRÅDEN

  • Fixering och injustering av alla typer av lager
  • Montering av kulskruvar
  • Roterande höghastighetsspindlar
  • System med högfrekventa växlingar av rörelseriktning
  • Kalibrering av fjädersystem
  • Kontruktioner som utsätts för höga temperaturer och/eller vibrationer
  • Kontruktioner som regelbundet demonteras eller åtemonteras

 

Exempel på branscher är fordons-, flyg-, process-, offshore/marinindustri, vals/järnverk.
Men också alla typer av maskintillverkare som t.ex. tryckeri, emballage, samt motorer, turbiner, kompressorer etc.
 

Teknisk fakta & Att tänka på

  • Muttrarna är tillverkade i 20MV6, ett stål med hög sträck- & brottgräns
  • Gängtolerans 4H, andra låsmuttrar har vanligen endast 5H eller 6H
  • Slitsarna är laserskurna
  • Slipad och polerad anläggningsyta
  • Vinkelräthet, framsida mot hål; 0,005
  • 4 st urfräsningar i 90 grader för haknyckel
  • Svarteloxerad
  • Kundanpassning kan erbjudas med tillverkning i ett flertal olika material och gängtyper.

Åtdragningsmoment stoppskruvar

M4 skruv 2,5 Nm M8 skruv 18 Nm

M5 skruv 5 Nm M10 skruv 36 Nm

M6 skruv 8 Nm

 

 

 

 

NOTERAS! Stoppskruvarna får EJ röras när muttern ej är monterad på axel.

 

Tillbehör

Relaterade produkter

TechKnow - kunskap, kundcase och företagsnytt

Varianter Nedladdning av CAD Axiell last max b+h Bredd C Diameter B Diameter d Diameter F Gänga Lossningsmoment Stoppskruv Vikt Ytterdiameter D Pris/enhet
36200 N
4 x 2
15 mm
22 mm
3,2 mm
20 mm
12x1,00
4
1xM4
0,05 kg
28 mm
42600 N
4 x 2
15 mm
25 mm
3,2 mm
22 mm
14x1,00
6
1xM4
0,055 kg
30 mm
51500 N
4 x 2
15 mm
26 mm
3,2 mm
23 mm
15x1,00
6
1xM4
0,06 kg
31 mm
58700 N
4 x 2
15 mm
28 mm
3,2 mm
26 mm
17x1,00
7
1xM4
0,065 kg
33 mm
55400 N
4 x 2
15 mm
29 mm
3,2 mm
26 mm
18x1,00
9
2xM4
0,07 kg
34 mm
61800 N
4 x 2
15 mm
32 mm
3,2 mm
29 mm
20x1,00
10
2xM4
0,08 kg
37 mm
64700 N
4 x 2
15 mm
34 mm
3,2 mm
30 mm
22x1,50
12
2xM4
0,09 kg
39 mm
80200 N
5 x 2
15 mm
38 mm
4,2 mm
33 mm
25x1,50
15
2xM5
0,1 kg
43 mm
100600 N
5 x 2
15 mm
43 mm
4,2 mm
39 mm
30x1,50
20
2xM5
0,12 kg
48 mm
118500 N
5 x 2
15 mm
48 mm
4,2 mm
44 mm
35x1,50
29
2xM5
0,14 kg
53 mm
124500 N
5 x 2
15 mm
51 mm
4,2 mm
47 mm
38x1,50
35
2xM5
0,145 kg
56 mm
131300 N
6 x 2,5
15 mm
56 mm
4,2 mm
52 mm
42x1,50
45
2xM5
0,175 kg
62 mm
143400 N
6 x 2,5
15 mm
59 mm
4,2 mm
55 mm
45x1,50
55
2xM5
0,185 kg
65 mm
171900 N
6 x 2,5
15 mm
66 mm
4,2 mm
62 mm
52x1,50
85
2xM5
0,215 kg
72 mm
241300 N
7 x 3
15 mm
68 mm
4,2 mm
65 mm
55x2,00
105
2xM5
0,23 kg
75 mm
263800 N
7 x 3
20 mm
73 mm
4,2 mm
72 mm
60x2,00
130
2xM5
0,33 kg
80 mm
313900 N
8 x 3,5
20 mm
82 mm
4,2 mm
81 mm
70x2,00
200
2xM5
0,36 kg
90 mm
347800 N
8 x 3,5
20 mm
87 mm
4,2 mm
86 mm
75x2,00
220
2xM5
0,39 kg
95 mm
371300 N
8 x 3,5
20 mm
97 mm
5,2 mm
93 mm
80x2,00
240
2xM6
0,55 kg
105 mm
394900 N
8 x 3,5
20 mm
102 mm
5,2 mm
98 mm
85x2,00
250
2xM6
0,57 kg
110 mm
446300 N
10 x 4
20 mm
111 mm
5,2 mm
107 mm
95x2,00
295
2xM6
0,63 kg
120 mm
470200 N
10 x 4
20 mm
116 mm
5,2 mm
114 mm
100x2,00
325
2xM6
0,65 kg
125 mm
494000 N
12 x 5
20 mm
119 mm
5,2 mm
118 mm
105x2,00
365
2xM6
0,68 kg
130 mm
517800 N
12 x 5
20 mm
124 mm
5,2 mm
122 mm
110x2,00
405
2xM6
0,72 kg
135 mm
574300 N
12 x 5
20 mm
134 mm
5,2 mm
132 mm
120x2,00
500
2xM6
0,78 kg
145 mm
598500 N
12 x 5
20 mm
139 mm
5,2 mm
137 mm
125x2,00
560
2xM6
0,8 kg
150 mm
626600 N
12 x 5
20 mm
144 mm
5,2 mm
142 mm
130x2,00
635
2xM6
0,85 kg
155 mm
723300 N
14 x 6
22 mm
152 mm
6,2 mm
150 mm
135x2,00
680
2xM8
1,15 kg
165 mm
761900 N
14 x 6
22 mm
157 mm
6,2 mm
155 mm
140x2,00
1065
2xM8
1,2 kg
170 mm
789300 N
14 x 6
22 mm
162 mm
6,2 mm
160 mm
145x2,00
1065
2xM8
1,25 kg
175 mm
821700 N
14 x 6
22 mm
167 mm
6,2 mm
165 mm
150x2,00
1065
2xM8
1,3 kg
180 mm
127100 N
6 x 2,5
15 mm
52 mm
4,2 mm
50 mm
40x1,50
41
2xM5
0,15 kg
58 mm
165200 N
6 x 2,5
15 mm
63 mm
4,2 mm
59 mm
50x1,50
70
2xM5
0,19 kg
69 mm
422500 N
10 x 4
20 mm
106 mm
5,2 mm
104 mm
90x2,00
265
2xM6
0,6 kg
115 mm

Nedladdning av CAD När du ser en grön  Solid component icon på en artikel i listan betyder det att du kan ladda ner dess CAD-ritning i det format som du först väljer i listan här. Klicka sedan på ikonen så genereras CAD-filen och nedladdning påbörjas direkt. 

 

Vald variant

Välj en variant i listan

Har du frågor?

Torbjörn Gustafsson

Kundsupportchef och Produktansvarig Nässjö

075 - 24 24 944
Skicka e-post
Kundsupport
Vi finns här för att hjälpa till och om det finns frågor
075-24 24 956
Skicka e-post
Vanliga frågor
+ Hur blir man kund hos er?
+ Kan jag köpa produkter hos er som privatperson?
+ Kan jag se lagersaldo?
+ Vilka priser ser jag?
+ Kan jag se min orderhistorik på er hemsida?

Skicka ett mail

Hittar du inte det du söker eller kan vi hjälpa dig på något annat vis? Fyll i formuläret nedan så återkommer vi så snart vi bara kan!

Vänligen inkludera ett telefonnummer om du önskar bli uppringd.

Tack för ditt meddelande!

Tack för att du kontaktar oss på Internordic! Vi återkommer till dig så snart vi kan.

Hoppsan, något gick fel!

Något verkar ha gått fel. Vänligen kontrollera din information eller försök igen senare.
Behöver du hjälp?
Logo

Cookieinställningar för internordic.com

Cookies hjälper oss förbättra din upplevelse hos oss. Så för att kunna analysera trafiken, hantera inloggningsuppgifter, erbjuda dig personlig information och för att grundläggande funktionalitet ska fungera på webbplatsen behöver vi använda oss av lite cookies.

 

Psst! Vi säljer självklart inte vidare information om dig.

Nödvändiga cookies

Dessa cookies är nödvändiga för att webbplatsen ska fungera och kan inte stängas av i våra system. De används vanligtvis endast som svar på åtgärder som du har gjort i anslutning till en tjänstebegäran, till exempel när du ställer in personliga preferenser, loggar in eller fyller i ett formulär.

Analys och mätning

Dessa cookies tillåter oss att räkna antal besök och trafikkällor så att vi kan mäta och förbättra vår webbplatsprestanda. De hjälper oss att veta vilka sidor som är mer eller mindre populära och hur besökare navigerar runt på webbplatsen. Informationen som dessa cookies samlar in är aggregerad och därför helt anonym. Om du inte tillåter dessa cookies vet vi inte när du har besökt vår webbplats.

Marknadsföring

Dessa cookies kan läggas till av våra partners. De kan använda dem för att skapa en profil av dig, baserad på dina intressen, för att visa dig mer relevant information. De sparar ingen personlig information – endast information om din webbläsare och enhet. Om du inte godkänner dessa cookies, kommer du att få en mer allmän och mindre anpassad användarupplevelse.