• 15 000 artiklar Över 9 000 artiklar i lager
  • Utleverans samma dag Pris, lagersaldo och weborder direkt här på hemsidan
  • Lager Vi samarbetar med ledande tillverkare

RINGSPANN

Frihjul ZZ..P2RS

ANVÄNDNINGSOMRÅDE

Med kilspår i innerring och med tätningar är detta ett perfekt val vid applikationer i förorenad miljö och där presspassning ej är möjlig. Tätningarna medför förlängd livslängd och säkrare applikation med minskad risk för stillestånd om miljön är tuff.

Att tänka på

Då vridmomentet överförs till huset måste minimum godstjockleken K-mått i tabellen följas. Huset ska vara av stål eller gjutjärn.

Hustoleransen måste vara ISO N6, axeltoleransen måste vara ISO K6.

Temperaturområde: +5°C till +60°C

Tätningar gör att frihjulet är bredare än utan tätningar.

Kilspår enl DIN6885, tolerans på kilspår JS10

Läs mer
  • Försmort frihjul med effektiva tätningar för förorenad miljö
  • Effektiv backspärrfunktion

Vald variant

Vald variant

Teknisk data

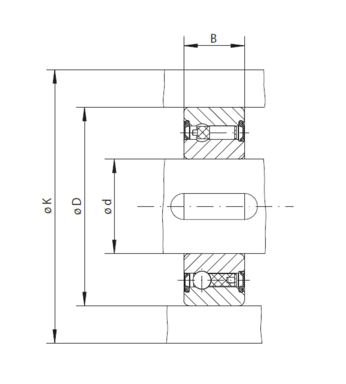
B 14 mm
d (innerdiameter) 12 mm
D (ytterdiameter) 32 mm
Dyn Cr (Dynamiskt bärighetstal) 10700 N
K 39 mm
Stat Cor (Statiskt bärighetstal) 5500 N
Vridmoment M 9,3

Nedladdning av CAD

ZZ12P-2RS

Nedladdning av CAD När du ser en grön  Solid component icon på en artikel i listan betyder det att du kan ladda ner dess CAD-ritning i det format som du först väljer i listan här. Klicka sedan på ikonen så genereras CAD-filen och nedladdning påbörjas direkt. 

 

Mått och inkopplingar

Produktbeskrivning

ANVÄNDNINGSOMRÅDE

Med kilspår i innerring och med tätningar är detta ett perfekt val vid applikationer i förorenad miljö och där presspassning ej är möjlig. Tätningarna medför förlängd livslängd och säkrare applikation med minskad risk för stillestånd om miljön är tuff.

Att tänka på

Då vridmomentet överförs till huset måste minimum godstjockleken K-mått i tabellen följas. Huset ska vara av stål eller gjutjärn.

Hustoleransen måste vara ISO N6, axeltoleransen måste vara ISO K6.

Temperaturområde: +5°C till +60°C

Tätningar gör att frihjulet är bredare än utan tätningar.

Kilspår enl DIN6885, tolerans på kilspår JS10

Tillbehör

TechKnow - kunskap, kundcase och företagsnytt

Varianter Nedladdning av CAD B d (innerdiameter) D (ytterdiameter) Dyn Cr (Dynamiskt bärighetstal) K Stat Cor (Statiskt bärighetstal) Vridmoment M Pris/enhet
14 mm
12 mm
32 mm
10700 N
39 mm
5500 N
9,3
16 mm
15 mm
35 mm
11700 N
42 mm
6500 N
17
17 mm
17 mm
40 mm
12600 N
51 mm
7300 N
30
19 mm
20 mm
47 mm
15500 N
58 mm
12300 N
50
20 mm
25 mm
52 mm
6100 N
63 mm
2800 N
85
21 mm
30 mm
62 mm
7400 N
73 mm
3400 N
138
22 mm
35 mm
72 mm
7900 N
85 mm
3800 N
175
27 mm
40 mm
80 mm
9400 N
94 mm
4500 N
325

Nedladdning av CAD När du ser en grön  Solid component icon på en artikel i listan betyder det att du kan ladda ner dess CAD-ritning i det format som du först väljer i listan här. Klicka sedan på ikonen så genereras CAD-filen och nedladdning påbörjas direkt. 

 

Vald variant

Välj en variant i listan

Har du frågor?

Torbjörn Gustafsson

Kundsupportchef och Produktansvarig Nässjö

075 - 24 24 944
Skicka e-post
Kundsupport
Vi finns här för att hjälpa till och om det finns frågor
075-24 24 956
Skicka e-post
Vanliga frågor
+ Hur blir man kund hos er?
+ Kan jag köpa produkter hos er som privatperson?
+ Kan jag se lagersaldo?
+ Vilka priser ser jag?
+ Kan jag se min orderhistorik på er hemsida?

Skicka ett mail

Hittar du inte det du söker eller kan vi hjälpa dig på något annat vis? Fyll i formuläret nedan så återkommer vi så snart vi bara kan!

Vänligen inkludera ett telefonnummer om du önskar bli uppringd.

Tack för ditt meddelande!

Tack för att du kontaktar oss på Internordic! Vi återkommer till dig så snart vi kan.

Hoppsan, något gick fel!

Något verkar ha gått fel. Vänligen kontrollera din information eller försök igen senare.
Behöver du hjälp?
Logo

Cookieinställningar för internordic.com

Cookies hjälper oss förbättra din upplevelse hos oss. Så för att kunna analysera trafiken, hantera inloggningsuppgifter, erbjuda dig personlig information och för att grundläggande funktionalitet ska fungera på webbplatsen behöver vi använda oss av lite cookies.

 

Psst! Vi säljer självklart inte vidare information om dig.

Nödvändiga cookies

Dessa cookies är nödvändiga för att webbplatsen ska fungera och kan inte stängas av i våra system. De används vanligtvis endast som svar på åtgärder som du har gjort i anslutning till en tjänstebegäran, till exempel när du ställer in personliga preferenser, loggar in eller fyller i ett formulär.

Analys och mätning

Dessa cookies tillåter oss att räkna antal besök och trafikkällor så att vi kan mäta och förbättra vår webbplatsprestanda. De hjälper oss att veta vilka sidor som är mer eller mindre populära och hur besökare navigerar runt på webbplatsen. Informationen som dessa cookies samlar in är aggregerad och därför helt anonym. Om du inte tillåter dessa cookies vet vi inte när du har besökt vår webbplats.

Marknadsföring

Dessa cookies kan läggas till av våra partners. De kan använda dem för att skapa en profil av dig, baserad på dina intressen, för att visa dig mer relevant information. De sparar ingen personlig information – endast information om din webbläsare och enhet. Om du inte godkänner dessa cookies, kommer du att få en mer allmän och mindre anpassad användarupplevelse.