• 15 000 artiklar Över 9 000 artiklar i lager
  • Utleverans samma dag Pris, lagersaldo och weborder direkt här på hemsidan
  • Lager Vi samarbetar med ledande tillverkare

SPIROL

Gänginsatser för plast INS19

Serie 19 och 29 är gänginsatser primärt designade för eftermontering i cylindriska hål. Serie 19 har en konisk ände för enklare montage medan serie 29 är symmetrisk vilket innebär att den inte går att vända fel. Båda typerna har utmärkta egenskaper gällande vrid- och draghållfasthet. Gängdimension M2 till M6 finns i 2 olika längder medan M8 finns i en längd.

 

Läs mer
  • Konisk ände för enklare montage
  • Utmärkt vrid- och draghållfasthet
  • Finns i två olika längder
  • Gängstorlek M2-M8

Vald variant

Vald variant

Teknisk data

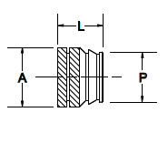
A (Rillning Diameter) 3,58 mm
D*Rec (Håldiameter i plasten) 3,2 mm
Gänga M2 x 0.4
Längd 3,18 mm
T (Tjocklek fläns) 0,46 mm

Nedladdning av CAD

INS19SM2

Nedladdning av CAD När du ser en grön  Solid component icon på en artikel i listan betyder det att du kan ladda ner dess CAD-ritning i det format som du först väljer i listan här. Klicka sedan på ikonen så genereras CAD-filen och nedladdning påbörjas direkt. 

 

Mått och inkopplingar

Produktbeskrivning

Serie 19 och 29 är gänginsatser primärt designade för eftermontering i cylindriska hål. Serie 19 har en konisk ände för enklare montage medan serie 29 är symmetrisk vilket innebär att den inte går att vända fel. Båda typerna har utmärkta egenskaper gällande vrid- och draghållfasthet. Gängdimension M2 till M6 finns i 2 olika längder medan M8 finns i en längd.

 

Tillbehör

TechKnow - kunskap, kundcase och företagsnytt

Varianter Nedladdning av CAD A (Rillning Diameter) D*Rec (Håldiameter i plasten) Gänga Längd T (Tjocklek fläns) Pris/enhet
3,58 mm
3,2 mm
M2 x 0.4
3,18 mm
0,46 mm
3,63 mm
3,2 mm
M2 x 0.4
3,99 mm
0,46 mm
4,62 mm
3,99 mm
M3 x 0.5
3,56 mm
0,53 mm
4,62 mm
3,99 mm
M3 x 0.5
3,56 mm
0,53 mm
6,25 mm
5,61 mm
M4 x 0.7
4,7 mm
0,84 mm
6,38 mm
5,61 mm
M4 x 0.7
8,15 mm
0,84 mm
7,04 mm
6,4 mm
M5 x 0.8
6,35 mm
1,02 mm
7,16 mm
6,4 mm
M5 x 0.8
9,53 mm
1,02 mm
8,64 mm
8 mm
M6 x 1.0
7,92 mm
1,27 mm
8,76 mm
8 mm
M6 x 1.0
12,7 mm
1,27 mm
10,34 mm
9,58 mm
M8 x 1.25
12,7 mm
1,27 mm

Nedladdning av CAD När du ser en grön  Solid component icon på en artikel i listan betyder det att du kan ladda ner dess CAD-ritning i det format som du först väljer i listan här. Klicka sedan på ikonen så genereras CAD-filen och nedladdning påbörjas direkt. 

 

Vald variant

Välj en variant i listan

Kundsupport
Vi finns här för att hjälpa till och om det finns frågor
075-24 24 956
Skicka e-post
Vanliga frågor
+ Hur blir man kund hos er?
+ Kan jag köpa produkter hos er som privatperson?
+ Kan jag se lagersaldo?
+ Vilka priser ser jag?
+ Kan jag se min orderhistorik på er hemsida?

Skicka ett mail

Hittar du inte det du söker eller kan vi hjälpa dig på något annat vis? Fyll i formuläret nedan så återkommer vi så snart vi bara kan!

Vänligen inkludera ett telefonnummer om du önskar bli uppringd.

Tack för ditt meddelande!

Tack för att du kontaktar oss på Internordic! Vi återkommer till dig så snart vi kan.

Hoppsan, något gick fel!

Något verkar ha gått fel. Vänligen kontrollera din information eller försök igen senare.
Behöver du hjälp?
Logo

Cookieinställningar för internordic.com

Cookies hjälper oss förbättra din upplevelse hos oss. Så för att kunna analysera trafiken, hantera inloggningsuppgifter, erbjuda dig personlig information och för att grundläggande funktionalitet ska fungera på webbplatsen behöver vi använda oss av lite cookies.

 

Psst! Vi säljer självklart inte vidare information om dig.

Nödvändiga cookies

Dessa cookies är nödvändiga för att webbplatsen ska fungera och kan inte stängas av i våra system. De används vanligtvis endast som svar på åtgärder som du har gjort i anslutning till en tjänstebegäran, till exempel när du ställer in personliga preferenser, loggar in eller fyller i ett formulär.

Analys och mätning

Dessa cookies tillåter oss att räkna antal besök och trafikkällor så att vi kan mäta och förbättra vår webbplatsprestanda. De hjälper oss att veta vilka sidor som är mer eller mindre populära och hur besökare navigerar runt på webbplatsen. Informationen som dessa cookies samlar in är aggregerad och därför helt anonym. Om du inte tillåter dessa cookies vet vi inte när du har besökt vår webbplats.

Marknadsföring

Dessa cookies kan läggas till av våra partners. De kan använda dem för att skapa en profil av dig, baserad på dina intressen, för att visa dig mer relevant information. De sparar ingen personlig information – endast information om din webbläsare och enhet. Om du inte godkänner dessa cookies, kommer du att få en mer allmän och mindre anpassad användarupplevelse.