KASTAS
Hydraulik- och Pneumatiktätningar
Användningsområden
Entreprenadmaskiner, truckar, formsprutningsmaskiner, jordbruksmaskiner, lastkaj- och standardcylindrar
Tätningar för fram- och återgående rörelse i hydraulik- och pneumatiksystem.
Att tänka på vid val av hydraulik/pneumatiktätningar
• Bestämma val av ett för applikationen lämpligt inbyggnadsmått.
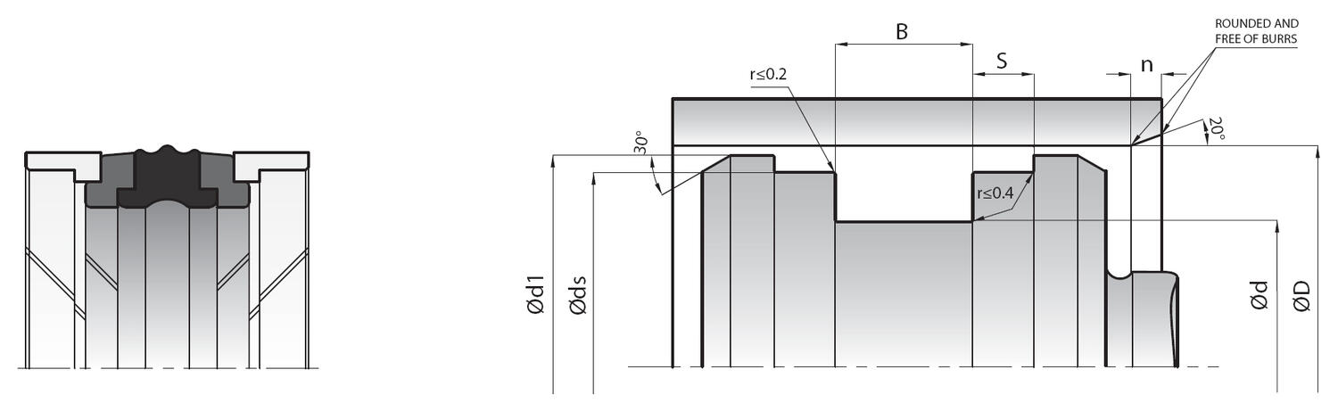
• Att följa de rekommendationer som gäller toleranser, ytfinhet, radier etc. för inbyggnaden.
• Att tänka igenom hur tätningen kommer att monteras. Hur mycket den behöver töjas eller om den kan skadas av skarpa kanter.
• Tryck (min/normalt/max)
• Hastighet (cykler/slaglängd)
• Temperatur (min/normalt/max)
• Media (typ, viskositet etc.)
I ett hydraul- eller pneumatiksystem är det av stor vikt att man väljer rätt anpassade typer av tätningar.
Driftsäkerhet samt livslängd kommer att påverkas av detta val.
Produktfördelar
• Överlägsen tätningsprestanda
•Ekonomisk tätningslösning
• Enkel spårdesign
• Lång livslängd
• Enkel och snabb montering
MATERIAL |
|
|
|
NBR | 80 SHORE A | NB8001 |
|
TPE |
| TP7301 |
|
POM |
| PM9901 |
|
| DRIFTSFÖRHÅLLANDEN |
|
|
MEDIA | Mineralolja (DIN 51524) | HFA och HFB | HFC |
TEMPERATUR | -30 °C | +5 °C | -30 °C |
| +105 °C | +60 °C | +60 °C |
TRYCK | ≤400 bar | ≤400 bar | ≤400 bar |
HASTIGHET | ≤0,5 m/s | ≤0,5 m/s | ≤0,5 m/s |
| Höjd B (-0/+0,2) | 12,5 mm |
|---|---|
| Innerdiameter d (h9) | 15 mm |
| Ytterdiameter D (H8) | 25 mm |
|---|
Hydraulik- och Pneumatiktätningar
Användningsområden
Entreprenadmaskiner, truckar, formsprutningsmaskiner, jordbruksmaskiner, lastkaj- och standardcylindrar
Tätningar för fram- och återgående rörelse i hydraulik- och pneumatiksystem.
Att tänka på vid val av hydraulik/pneumatiktätningar
• Bestämma val av ett för applikationen lämpligt inbyggnadsmått.
• Att följa de rekommendationer som gäller toleranser, ytfinhet, radier etc. för inbyggnaden.
• Att tänka igenom hur tätningen kommer att monteras. Hur mycket den behöver töjas eller om den kan skadas av skarpa kanter.
• Tryck (min/normalt/max)
• Hastighet (cykler/slaglängd)
• Temperatur (min/normalt/max)
• Media (typ, viskositet etc.)
I ett hydraul- eller pneumatiksystem är det av stor vikt att man väljer rätt anpassade typer av tätningar.
Driftsäkerhet samt livslängd kommer att påverkas av detta val.
Produktfördelar
• Överlägsen tätningsprestanda
•Ekonomisk tätningslösning
• Enkel spårdesign
• Lång livslängd
• Enkel och snabb montering
MATERIAL |
|
|
|
NBR | 80 SHORE A | NB8001 |
|
TPE |
| TP7301 |
|
POM |
| PM9901 |
|
| DRIFTSFÖRHÅLLANDEN |
|
|
MEDIA | Mineralolja (DIN 51524) | HFA och HFB | HFC |
TEMPERATUR | -30 °C | +5 °C | -30 °C |
| +105 °C | +60 °C | +60 °C |
TRYCK | ≤400 bar | ≤400 bar | ≤400 bar |
HASTIGHET | ≤0,5 m/s | ≤0,5 m/s | ≤0,5 m/s |
|
|
|
|
|
|
||
|---|---|---|---|---|---|---|
|
|
|
|
|
|
||
|
|
|
|
|
|
||
|
|
|
|
|
|
||
|
|
|
|
|
|
||
|
|
|
|
|
|
||
|
|
|
|
|
|
| Varianter | Nedladdning av CAD | Höjd B (-0/+0,2) | Innerdiameter d (h9) | Ytterdiameter D (H8) | Pris/enhet | ||
|---|---|---|---|---|---|---|---|
25X15X12,5 K18 KOMPAKT-TÄT
Art.nr.
025015125K18
Kopierad :-)
|
12,5 mm
|
15 mm
|
25 mm
|
|
|||
25X16X13.5 K18 KOMPAKT-TÄTNING
Art.nr.
02501613K18
Kopierad :-)
|
13,5 mm
|
16 mm
|
25 mm
|
|
|||
32X22X16.4 K18 KOMPAKT-TÄTNING
Art.nr.
03202216K18
Kopierad :-)
|
16,4 mm
|
22 mm
|
32 mm
|
|
|||
32X22X15 K18 KOMPAKT-TÄTNING
Art.nr.
03202215K18
Kopierad :-)
|
15 mm
|
22 mm
|
32 mm
|
|
|||
32X22X12.5 K18 KOMPAKT-TÄTNING
Art.nr.
03202212K18
Kopierad :-)
|
12,5 mm
|
22 mm
|
32 mm
|
|
|||
32X24X15.5 K18 KOMPAKT-TÄTNING
Art.nr.
03202415K18
Kopierad :-)
|
15,5 mm
|
24 mm
|
32 mm
|
|
|||
32X24X9.5 K18 KOMPAKT-TÄTNING
Art.nr.
03202409K18
Kopierad :-)
|
9,5 mm
|
24 mm
|
32 mm
|
|
|||
32X24X10 K18 KOMPAKT-TÄTNING
Art.nr.
03202410K18
Kopierad :-)
|
10 mm
|
24 mm
|
32 mm
|
|
|||
35X25X16.4/6.35 K18 KOMPAKT.TÄ
Art.nr.
03502516K18
Kopierad :-)
|
16,4 mm
|
25 mm
|
35 mm
|
|
|||
40X26X15 K18 KOMPAKT-TÄTNING
Art.nr.
04002615K18
Kopierad :-)
|
15 mm
|
26 mm
|
40 mm
|
|
|||
40X30X16.4 K18 KOMPAKT-TÄTNING
Art.nr.
04003016K18
Kopierad :-)
|
16,4 mm
|
30 mm
|
40 mm
|
|
|||
40X30X12.4(2.0) K18 KOMPAKT-T.
Art.nr.
040030124K18
Kopierad :-)
|
12,4 mm
|
30 mm
|
40 mm
|
|
|||
40X32X15.5 K18 KOLVTÄTNING
Art.nr.
04003215K18
Kopierad :-)
|
15,5 mm
|
32 mm
|
40 mm
|
|
|||
45X29X18.4 K18 KOMPAKT-TÄTNING
Art.nr.
04502918K18
Kopierad :-)
|
18,4 mm
|
29 mm
|
45 mm
|
|
|||
45X31X15.5 K18 KOMPAKT-TÄTNING
Art.nr.
04503115K18
Kopierad :-)
|
15,5 mm
|
31 mm
|
45 mm
|
|
|||
45X35X16.4 K18 KOMPAKT-TÄTNING
Art.nr.
04503516K18
Kopierad :-)
|
16,4 mm
|
35 mm
|
45 mm
|
|
|||
45X37X15.5 K18 KOMPAKT-TÄTNING
Art.nr.
04503715K18
Kopierad :-)
|
15,5 mm
|
37 mm
|
45 mm
|
|
|||
50X34X20.5 K18 KOMPAKT-TÄTNING
Art.nr.
05003420K18
Kopierad :-)
|
20,5 mm
|
34 mm
|
50 mm
|
|
|||
50X35X19.5 K18 KOMPAKT-TÄTNING
Art.nr.
05003519K18
Kopierad :-)
|
19,5 mm
|
35 mm
|
50 mm
|
|
|||
50X38X20.5 K18 KOMPAKT-TÄTNING
Art.nr.
05003820K18
Kopierad :-)
|
20,5 mm
|
38 mm
|
50 mm
|
|
|||
50X40X12.5 K18 KOMPAKT-TÄTNING
Art.nr.
05004012K18
Kopierad :-)
|
12,5 mm
|
40 mm
|
50 mm
|
|
|||
55X39X20.5 K18 KOMPAKT-TÄTNING
Art.nr.
05503920K18
Kopierad :-)
|
20,5 mm
|
39 mm
|
55 mm
|
|
|||
55X39X18.4 K18 KOMPAKT-TÄTNING
Art.nr.
05503918K18
Kopierad :-)
|
18,4 mm
|
39 mm
|
55 mm
|
|
|||
60X44X20.2 K18 KOMPAKT-TÄTNING
Art.nr.
06004420K18
Kopierad :-)
|
20,2 mm
|
44 mm
|
60 mm
|
|
|||
60X48X20.5 K18 KOMPAKT-TÄTNING
Art.nr.
06004820K18
Kopierad :-)
|
20,5 mm
|
48 mm
|
60 mm
|
|
|||
63X47X18.4 K18 KOMPAKT-TÄTNING
Art.nr.
06304718K18
Kopierad :-)
|
18,4 mm
|
47 mm
|
63 mm
|
|
|||
63X47X19.4 K18 KOMPAKT-TÄTNING
Art.nr.
06304719K18
Kopierad :-)
|
19,4 mm
|
47 mm
|
63 mm
|
|
|||
63X48X20 K18 KOMPAKT-TÄTNING
Art.nr.
06304820K18
Kopierad :-)
|
20 mm
|
48 mm
|
63 mm
|
|
|||
63X51X20.5 K18 KOMPAKT-TÄTNING
Art.nr.
06305120K18
Kopierad :-)
|
20,5 mm
|
51 mm
|
63 mm
|
|
|||
65X49X20.5 K18 KOMPAKT-TÄTNING
Art.nr.
06504920K18
Kopierad :-)
|
20,5 mm
|
49 mm
|
65 mm
|
|
|||
70X50X22.4 K18 KOMPAKT-TÄTNING
Art.nr.
07005022K18
Kopierad :-)
|
22,4 mm
|
50 mm
|
70 mm
|
|
|||
70X54X20.5 K18 KOMPAKT-TÄTNING
Art.nr.
07005420K18
Kopierad :-)
|
20,5 mm
|
54 mm
|
70 mm
|
|
|||
70X55X20 K18 KOMPAKT-TÄTNING
Art.nr.
07005520K18
Kopierad :-)
|
20 mm
|
55 mm
|
70 mm
|
|
|||
70X58X20.5 K18 KOMPAKT-TÄTNING
Art.nr.
07005820K18
Kopierad :-)
|
20,5 mm
|
58 mm
|
70 mm
|
|
|||
75X55X22.4 K18 KOMPAKT-TÄTNING
Art.nr.
07505522K18
Kopierad :-)
|
22,4 mm
|
55 mm
|
75 mm
|
|
|||
75X59X20.5 K18 KOMPAKT-TÄTNIN
Art.nr.
07505920K18
Kopierad :-)
|
20,5 mm
|
59 mm
|
75 mm
|
|
|||
80X60X22.4 K18 KOMPAKT-TÄTNING
Art.nr.
08006022K18
Kopierad :-)
|
22,4 mm
|
60 mm
|
80 mm
|
|
|||
80X60X35 K18 KOMPAKT-TÄTNING
Art.nr.
08006035K18
Kopierad :-)
|
35 mm
|
60 mm
|
80 mm
|
|
|||
80X62X22.5 K18 KOMPAKT-TÄTNING
Art.nr.
08006222K18
Kopierad :-)
|
22,5 mm
|
62 mm
|
80 mm
|
|
|||
80X65X20 K18 KOMPAKT-TÄTNING
Art.nr.
08006520K18
Kopierad :-)
|
20 mm
|
65 mm
|
80 mm
|
|
|||
80X66X22.4 K18 KOMPAKT-TÄTNING
Art.nr.
08006622K18
Kopierad :-)
|
22,4 mm
|
66 mm
|
80 mm
|
|
|||
85X65X22.4 K18 KOMPAKT-TÄTNING
Art.nr.
08506522K18
Kopierad :-)
|
22,4 mm
|
65 mm
|
85 mm
|
|
|||
90X70X22.4 K18 KOMPAKT-TÄTNING
Art.nr.
09007022K18
Kopierad :-)
|
22,4 mm
|
70 mm
|
90 mm
|
|
|||
90X72X22.5 K18 KOMPAKT-TÄTNING
Art.nr.
09007222K18
Kopierad :-)
|
22,5 mm
|
72 mm
|
90 mm
|
|
|||
90X75X20 K18 KOMPAKT-TÄTNING
Art.nr.
09007520K18
Kopierad :-)
|
20 mm
|
75 mm
|
90 mm
|
|
|||
90X76X22.4 K18 KOMPAKT-TÄTNING
Art.nr.
09007622K18
Kopierad :-)
|
22,4 mm
|
76 mm
|
90 mm
|
|
|||
95X75X22.4 K18 KOMPAKT-TÄTNING
Art.nr.
09507522K18
Kopierad :-)
|
22,4 mm
|
75 mm
|
95 mm
|
|
|||
100X75X22.4 K18 KOLVTÄTNING
Art.nr.
10007522K18
Kopierad :-)
|
22,4 mm
|
75 mm
|
100 mm
|
|
|||
Art.nr.
10008035K18
Kopierad :-)
|
35 mm
|
80 mm
|
100 mm
|
|
|||
100X80X25 K18 KOMPAKT-TÄTNIN
Art.nr.
10008025K18
Kopierad :-)
|
25 mm
|
80 mm
|
100 mm
|
|
|||
100X85X19.5 K18 KOMPAKT-TÄTN.
Art.nr.
10008519K18
Kopierad :-)
|
19,5 mm
|
85 mm
|
100 mm
|
|
|||
100X86X22.4 K18 KOMPAKT-TÄTNIN
Art.nr.
10008622K18
Kopierad :-)
|
22,4 mm
|
86 mm
|
100 mm
|
|
|||
100X80X25.4 K18 KOMPAKT-TÄTNI.
Art.nr.
100080254K18
Kopierad :-)
|
25,4 mm
|
80 mm
|
100 mm
|
|
|||
110X85X22.4 K18 KOMPAKT-TÄTN.
Art.nr.
11008522K18
Kopierad :-)
|
22,4 mm
|
85 mm
|
110 mm
|
|
|||
110X85X25.4 K18 KOMPAKT-TÄTNIN
Art.nr.
11008525K18
Kopierad :-)
|
25,4 mm
|
85 mm
|
110 mm
|
|
|||
110X92X22.5 K18 KOMPAKT-TÄTNIN
Art.nr.
11009222K18
Kopierad :-)
|
22,5 mm
|
92 mm
|
110 mm
|
|
|||
110X95X20 K18 DUBBELV.KOLVTÄTN
Art.nr.
11009520K18
Kopierad :-)
|
20 mm
|
95 mm
|
110 mm
|
|
|||
Art.nr.
11009622K18
Kopierad :-)
|
22,4 mm
|
96 mm
|
110 mm
|
|
|||
115X90X22.4 K18 KOMPAKT-TÄTNIN
Art.nr.
11509022K18
Kopierad :-)
|
22,4 mm
|
90 mm
|
115 mm
|
|
|||
120X95X22.4 K18 KOMPAKT-TÄTNIN
Art.nr.
12009522K18
Kopierad :-)
|
22,4 mm
|
95 mm
|
120 mm
|
|
|||
120X106X22.4 K18 KOMPAKT-TÄTNI
Art.nr.
12010622K18
Kopierad :-)
|
22,4 mm
|
106 mm
|
120 mm
|
|
|||
125X100X25.4 K18 KOMPAKT.TÄTNI
Art.nr.
12510025K18
Kopierad :-)
|
25,4 mm
|
100 mm
|
125 mm
|
|
|||
125X103X26.5 K18 KOMPAKT-TÄTNI
Art.nr.
12510326K18
Kopierad :-)
|
26,5 mm
|
103 mm
|
125 mm
|
|
|||
125X108X26.5 K18 KOMPAKT-TÄTNI
Art.nr.
12510826K18
Kopierad :-)
|
26,5 mm
|
108 mm
|
125 mm
|
|
|||
130X105X25.4 K18 KOMPAKT-TÄTNI
Art.nr.
13010525K18
Kopierad :-)
|
25,4 mm
|
105 mm
|
130 mm
|
|
|||
130X105X25/9.5 K18 KOMP.TÄTN.
Art.nr.
1301052595K18
Kopierad :-)
|
25 mm
|
105 mm
|
130 mm
|
|
|||
140X115X25.4/6.35 K18 KOMP.TÄT
Art.nr.
14011525K18
Kopierad :-)
|
25 mm
|
115 mm
|
140 mm
|
|
|||
Art.nr.
14011545K18
Kopierad :-)
|
45 mm
|
115 mm
|
140 mm
|
|
|||
140X118X26.5 K18 KOMPAKT-TÄTNI
Art.nr.
14011826K18
Kopierad :-)
|
26,5 mm
|
118 mm
|
140 mm
|
|
|||
140X120X25 K18 KOMPAKT-TÄT
Art.nr.
14012025K18
Kopierad :-)
|
25 mm
|
120 mm
|
140 mm
|
|
|||
140X123X26.5 K18 KOMPAKT-TÄT
Art.nr.
14012326K18
Kopierad :-)
|
26,5 mm
|
123 mm
|
140 mm
|
|
|||
145X120X25.4/9.5 K18 KOMP.TÄTN
Art.nr.
1451202595K18
Kopierad :-)
|
25,4 mm
|
120 mm
|
145 mm
|
|
|||
150X125X25.4 K18 KOMPAKT-TÄTNI
Art.nr.
15012525K18
Kopierad :-)
|
25,4 mm
|
125 mm
|
150 mm
|
|
|||
150X128X26.5 K18 KOMPAKT-TÄTNI
Art.nr.
15012826K18
Kopierad :-)
|
26,5 mm
|
128 mm
|
150 mm
|
|
|||
160X130X25.4/6.35 K18 KOMP.TÄT
Art.nr.
16013025K18
Kopierad :-)
|
25,4 mm
|
130 mm
|
160 mm
|
|
|||
160X135X25.4/9.52 K18 KOMP.TÄT
Art.nr.
16013525K18
Kopierad :-)
|
25,4 mm
|
135 mm
|
160 mm
|
|
|||
Art.nr.
16013545K18
Kopierad :-)
|
45 mm
|
135 mm
|
160 mm
|
|
|||
160X138X26.5 K18 KOMPAKT-TÄTNI
Art.nr.
16013826K18
Kopierad :-)
|
26,5 mm
|
138 mm
|
160 mm
|
|
|||
160X140X25 K18 KOMPAKT-TÄTNING
Art.nr.
16014025K18
Kopierad :-)
|
25 mm
|
140 mm
|
160 mm
|
|
|||
Art.nr.
16014326K18
Kopierad :-)
|
26,5 mm
|
143 mm
|
160 mm
|
|
|||
165X140X25.4/9.5 K18 KOMP.TÄTN
Art.nr.
16514025K18
Kopierad :-)
|
25,4 mm
|
140 mm
|
165 mm
|
|
|||
170X145X25.4/12.7 K18 KOMP.TÄT
Art.nr.
17014525K18
Kopierad :-)
|
25,4 mm
|
145 mm
|
170 mm
|
|
|||
170X148X26.5 K18 KOMPAKT-TÄTN.
Art.nr.
17014826K18
Kopierad :-)
|
26,5 mm
|
148 mm
|
170 mm
|
|
|||
180X150X35.4 K18 KOMPAKT-TÄTNI
Art.nr.
18015035K18
Kopierad :-)
|
35,4 mm
|
150 mm
|
180 mm
|
|
|||
180X155X25.4/12.7 K18 KOMP.TÄT
Art.nr.
1801552512K18
Kopierad :-)
|
25,4 mm
|
155 mm
|
180 mm
|
|
|||
190X165X25.4/12.7 K18 KOMP.TÄT
Art.nr.
19016525K18
Kopierad :-)
|
25,4 mm
|
165 mm
|
190 mm
|
|
|||
200X170X35.4 K18 KOMPAKT-TÄTNI
Art.nr.
20017035K18
Kopierad :-)
|
35,4 mm
|
170 mm
|
200 mm
|
|
|||
200X180X31.5 K18 KOMPAKT-TÄTN.
Art.nr.
20018032K18
Kopierad :-)
|
31,5 mm
|
180 mm
|
200 mm
|
|
|||
220X190X35.4 K18 KOMPAKT-TÄTNI
Art.nr.
22019035K18
Kopierad :-)
|
35,4 mm
|
190 mm
|
220 mm
|
|
|||
220X200X31.5 K18 KOMPAKT-TÄTN.
Art.nr.
22020031K18
Kopierad :-)
|
31,5 mm
|
200 mm
|
220 mm
|
|
|||
230X205X25.4/12.7 K18 KOMP.TÄT
Art.nr.
23020525K18
Kopierad :-)
|
25,4 mm
|
205 mm
|
230 mm
|
|
|||
250X220X35.4 K18 KOMPACT-TÄTNI
Art.nr.
25022035K18
Kopierad :-)
|
35,4 mm
|
220 mm
|
250 mm
|
|
|||
280X250X36.4 K18 KOMPAKT TÄTN.
Art.nr.
28025036K18
Kopierad :-)
|
36,4 mm
|
250 mm
|
280 mm
|
|
|||
25X15X12 K18 KOMPAKT-TÄT
Art.nr.
02501512K18
Kopierad :-)
|
12 mm
|
15 mm
|
25 mm
|
|
|||
40X24X18.4 K18 KOMPAKT-TÄTNING
Art.nr.
04002418K18
Kopierad :-)
|
18,4 mm
|
24 mm
|
40 mm
|
|
|||
50X34X18.4 K18 KOMPAKT-TÄTNING
Art.nr.
05003418K18
Kopierad :-)
|
18,4 mm
|
34 mm
|
50 mm
|
|
|||
60X44X18.4 K18 KOMPAKT-TÄTNING
Art.nr.
06004418K18
Kopierad :-)
|
18,4 mm
|
44 mm
|
60 mm
|
|
|||
63X47X20.5 K18 KOMPAKT-TÄTNING
Art.nr.
06304720K18
Kopierad :-)
|
20,5 mm
|
47 mm
|
63 mm
|
|
|||
63X53X12.5 K18 KOMPAKT-TÄTNING
Art.nr.
06305312K18
Kopierad :-)
|
12,5 mm
|
53 mm
|
63 mm
|
|
|||
65X50X18.4 K18 KOMPAKT-TÄTNING
Art.nr.
06505018K18
Kopierad :-)
|
18,4 mm
|
50 mm
|
65 mm
|
|
|||
100X82X22.5 K18 KOMPAKT-TÄTNIN
Art.nr.
10008222K18
Kopierad :-)
|
22,5 mm
|
82 mm
|
100 mm
|
|
|||
105X80X22.4 K18 KOMPAKT-TÄTNIN
Art.nr.
10508022K18
Kopierad :-)
|
22,4 mm
|
80 mm
|
105 mm
|
|
|||
135X110X25.4/9.5 K18 KOMPAKT-T
Art.nr.
1351102509K18
Kopierad :-)
|
25,4 mm
|
110 mm
|
135 mm
|
|
|||
135X110X25.4/6.35 K18 KOMPAKT-
Art.nr.
13511025K18
Kopierad :-)
|
25,4 mm
|
110 mm
|
135 mm
|
|
|||
125X105X25 K18 KOMPAKT-TÄTN.
Art.nr.
12510525K18
Kopierad :-)
|
25,4 mm
|
105 mm
|
125 mm
|
|
|||
200X175X25.4/12.7 K18 KOMP.TÄT
Art.nr.
20017525K18
Kopierad :-)
|
25,4 mm
|
175 mm
|
200 mm
|
|
Nedladdning av CAD När du ser en grön
på en artikel i listan betyder det att du kan ladda ner dess CAD-ritning i det format som du först väljer i listan här. Klicka sedan på ikonen så genereras CAD-filen och nedladdning påbörjas direkt.
Välj en variant i listan
Hittar du inte det du söker eller kan vi hjälpa dig på något annat vis? Fyll i formuläret nedan så återkommer vi så snart vi bara kan!
Vänligen inkludera ett telefonnummer om du önskar bli uppringd.