• 15 000 artiklar Över 9 000 artiklar i lager
  • Utleverans samma dag Pris, lagersaldo och weborder direkt här på hemsidan
  • Lager Vi samarbetar med ledande tillverkare

NTN Europe

Nålaxialkullager NKX

NKX/NKXZ
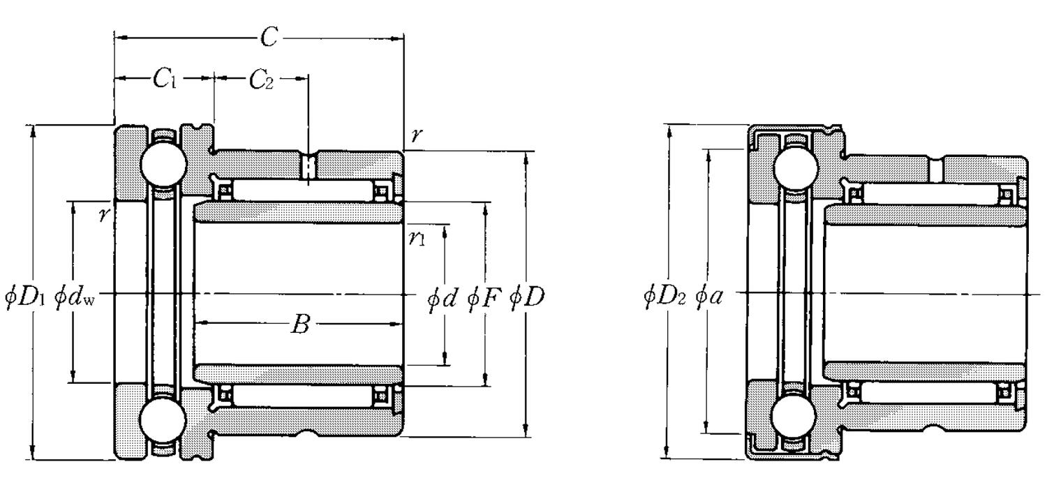
Nålrull/axialkullager är kombinerade nålrullager som kan överföra både radiella och axiella belastningar.

Nålrullager är kompakta lagringar som kan ta höga laster och varvtal och består av flera komponenter. Förutom grundkomponenten, nålrullen, finns innerringen, ytterringen/ytterhylsan och eventuella tätningar. Nålrullager kan användas utan ytter- och/eller innerring där rullkroppar löper direkt mot axel eller hus när särskilt utrymmessnåla lagringar krävs. Vissa av typerna kan levereras med tätningar.

Tätad version har efterbeteckning Z dammtätning

Att tänka på

Beakta noggrannhet vid tillverkning av angränsande maskindelar, livstid och tillfredställande gång påverkas av toleranser och ytfinhet.

Läs mer
  • Nållager för kombinerade laster
  • Utan innerring
NTN/SNR_NKXR

Nålrull/axialrullager är kombinerade nålrullager som kan överföra både radiella och axella belastningar

NKX35T2.tif

Drawing_Needle_Roller_Bearings_With_Thrust_Ball_Bearings_Type_NKX_IR_Page_208_NTN

Vald variant

Vald variant

Teknisk data

a 19,7 mm
Axiellt dynamiskt 10000 kN
Axiellt statiskt 14000 kN
C 23 mm
C2 6,5 mm
D (ytterdiameter) 19 mm
D1 24 mm
dw 1 mm
Fw 10 mm
Radiellt dynamiskt 5450 kN
Radiellt Statiskt 6450 kN
Varvtal fett 6700 rpm
Vikt 0,037 kg

Nedladdning av CAD

NKX10

Nedladdning av CAD När du ser en grön  Solid component icon på en artikel i listan betyder det att du kan ladda ner dess CAD-ritning i det format som du först väljer i listan här. Klicka sedan på ikonen så genereras CAD-filen och nedladdning påbörjas direkt. 

 

Mått och inkopplingar

Produktbeskrivning

NKX/NKXZ
Nålrull/axialkullager är kombinerade nålrullager som kan överföra både radiella och axiella belastningar.

Nålrullager är kompakta lagringar som kan ta höga laster och varvtal och består av flera komponenter. Förutom grundkomponenten, nålrullen, finns innerringen, ytterringen/ytterhylsan och eventuella tätningar. Nålrullager kan användas utan ytter- och/eller innerring där rullkroppar löper direkt mot axel eller hus när särskilt utrymmessnåla lagringar krävs. Vissa av typerna kan levereras med tätningar.

Tätad version har efterbeteckning Z dammtätning

Att tänka på

Beakta noggrannhet vid tillverkning av angränsande maskindelar, livstid och tillfredställande gång påverkas av toleranser och ytfinhet.

Tillbehör

Relaterade produkter

TechKnow - kunskap, kundcase och företagsnytt

Varianter Nedladdning av CAD a Axiellt dynamiskt Axiellt statiskt C C2 D (ytterdiameter) D1 D2 dw Fw Radiellt dynamiskt Radiellt Statiskt Varvtal fett Vikt Pris/enhet
19,7 mm
10000 kN
14000 kN
23 mm
6,5 mm
19 mm
24 mm
1 mm
10 mm
5450 kN
6450 kN
6700 rpm
0,037 kg
19,7 mm
10000 kN
14000 kN
23 mm
6,5 mm
19 mm
25 mm
10 mm
10 mm
5450 kN
6450 kN
6700 rpm
0,039 kg
21,7 mm
10300 kN
15400 kN
23 mm
6,5 mm
21 mm
26 mm
12 mm
12 mm
6000 kN
7700 kN
6400 rpm
0,042 kg
21,7 mm
10300 kN
15400 kN
23 mm
6,5 mm
21 mm
27 mm
12 mm
12 mm
6000 kN
7700 kN
6400 rpm
0,044 kg
23,7 mm
10500 kN
16800 kN
23 mm
6,5 mm
24 mm
28 mm
15 mm
15 mm
8250 kN
10200 kN
6200 rpm
0,044 kg
23,7 mm
10500 kN
16800 kN
23 mm
6,5 mm
24 mm
29 mm
15 mm
15 mm
8250 kN
10200 kN
6200 rpm
0,048 kg
25,7 mm
10800 kN
18200 kN
25 mm
8 mm
26 mm
30 mm
17 mm
17 mm
10400 kN
14400 kN
6000 rpm
0,051 kg
25,7 mm
10800 kN
18200 kN
25 mm
8 mm
26 mm
31 mm
17 mm
17 mm
10400 kN
14400 kN
6000 rpm
0,056 kg
30,7 mm
14200 kN
24700 kN
30 mm
10,5 mm
30 mm
35 mm
20 mm
20 mm
16400 kN
27100 kN
5200 rpm
0,085 kg
30,7 mm
14200 kN
24700 kN
30 mm
10,5 mm
30 mm
36 mm
20 mm
20 mm
16400 kN
27100 kN
5200 rpm
0,09 kg
37,7 mm
19600 kN
37000 kN
30 mm
9,5 mm
37 mm
42 mm
25 mm
25 mm
14200 kN
24000 kN
4600 rpm
0,125 kg
37,7 mm
19600 kN
37000 kN
30 mm
9,5 mm
37 mm
43 mm
25 mm
25 mm
14200 kN
24000 kN
4600 rpm
0,132 kg
42,7 mm
20400 kN
42000 kN
30 mm
9,5 mm
42 mm
47 mm
30 mm
30 mm
22300 kN
39500 kN
4300 rpm
0,14 kg
42,7 mm
20400 kN
42000 kN
30 mm
9,5 mm
42 mm
48 mm
30 mm
30 mm
22300 kN
39500 kN
4300 rpm
0,148 kg
47,7 mm
20400 kN
44500 kN
30 mm
9 mm
47 mm
52 mm
35 mm
35 mm
20000 kN
36000 kN
3900 rpm
0,167 kg
47,7 mm
20400 kN
44500 kN
30 mm
9 mm
47 mm
53 mm
35 mm
35 mm
20000 kN
36000 kN
3900 rpm
0,175 kg
55,7 mm
26900 kN
63000 kN
32 mm
10 mm
52 mm
60 mm
40 mm
40 mm
25900 kN
52500 kN
3500 rpm
0,216 kg
55,7 mm
26900 kN
63000 kN
32 mm
10 mm
52 mm
61 mm
40 mm
40 mm
25900 kN
52500 kN
3500 rpm
0,225 kg
60,5 mm
27900 kN
69000 kN
32 mm
9 mm
58 mm
65 mm
45 mm
45 mm
27600 kN
59000 kN
3200 rpm
0,252 kg
60,5 mm
27900 kN
69000 kN
32 mm
9 mm
58 mm
66,5 mm
45 mm
45 mm
27600 kN
59000 kN
3200 rpm
0,265 kg
65,5 mm
28800 kN
75500 kN
35 mm
10 mm
62 mm
70 mm
50 mm
50 mm
27900 kN
62000 kN
3100 rpm
0,302 kg
65,5 mm
28800 kN
75500 kN
35 mm
10 mm
62 mm
71,5 mm
50 mm
50 mm
27900 kN
62000 kN
3100 rpm
0,318 kg
80,5 mm
41500 kN
113000 kN
40 mm
12 mm
72 mm
85 mm
60 mm
60 mm
29800 kN
71500 kN
2600 rpm
0,465 kg
80,5 mm
41500 kN
113000 kN
40 mm
12 mm
72 mm
86,5 mm
60 mm
60 mm
29800 kN
71500 kN
2600 rpm
0,484 kg
90,5 mm
43000 kN
127000 kN
40 mm
11 mm
85 mm
95 mm
70 mm
70 mm
36500 kN
86000 kN
2400 rpm
0,612 kg
90,5 mm
43000 kN
127000 kN
40 mm
11 mm
85 mm
96,5 mm
70 mm
70 mm
36500 kN
86000 kN
2400 rpm
0,635 kg

Nedladdning av CAD När du ser en grön  Solid component icon på en artikel i listan betyder det att du kan ladda ner dess CAD-ritning i det format som du först väljer i listan här. Klicka sedan på ikonen så genereras CAD-filen och nedladdning påbörjas direkt. 

 

Vald variant

Välj en variant i listan

Har du frågor?

Fredrik Scholander

Säljkontakt & produktansvarig

075-24 24 971
Skicka e-post
Kundsupport
Vi finns här för att hjälpa till och om det finns frågor
075-24 24 956
Skicka e-post
Vanliga frågor
+ Hur blir man kund hos er?
+ Kan jag köpa produkter hos er som privatperson?
+ Kan jag se lagersaldo?
+ Vilka priser ser jag?
+ Kan jag se min orderhistorik på er hemsida?

Skicka ett mail

Hittar du inte det du söker eller kan vi hjälpa dig på något annat vis? Fyll i formuläret nedan så återkommer vi så snart vi bara kan!

Vänligen inkludera ett telefonnummer om du önskar bli uppringd.

Tack för ditt meddelande!

Tack för att du kontaktar oss på Internordic! Vi återkommer till dig så snart vi kan.

Hoppsan, något gick fel!

Något verkar ha gått fel. Vänligen kontrollera din information eller försök igen senare.
Behöver du hjälp?
Logo

Cookieinställningar för internordic.com

Cookies hjälper oss förbättra din upplevelse hos oss. Så för att kunna analysera trafiken, hantera inloggningsuppgifter, erbjuda dig personlig information och för att grundläggande funktionalitet ska fungera på webbplatsen behöver vi använda oss av lite cookies.

 

Psst! Vi säljer självklart inte vidare information om dig.

Nödvändiga cookies

Dessa cookies är nödvändiga för att webbplatsen ska fungera och kan inte stängas av i våra system. De används vanligtvis endast som svar på åtgärder som du har gjort i anslutning till en tjänstebegäran, till exempel när du ställer in personliga preferenser, loggar in eller fyller i ett formulär.

Analys och mätning

Dessa cookies tillåter oss att räkna antal besök och trafikkällor så att vi kan mäta och förbättra vår webbplatsprestanda. De hjälper oss att veta vilka sidor som är mer eller mindre populära och hur besökare navigerar runt på webbplatsen. Informationen som dessa cookies samlar in är aggregerad och därför helt anonym. Om du inte tillåter dessa cookies vet vi inte när du har besökt vår webbplats.

Marknadsföring

Dessa cookies kan läggas till av våra partners. De kan använda dem för att skapa en profil av dig, baserad på dina intressen, för att visa dig mer relevant information. De sparar ingen personlig information – endast information om din webbläsare och enhet. Om du inte godkänner dessa cookies, kommer du att få en mer allmän och mindre anpassad användarupplevelse.