• 15 000 artiklar Över 9 000 artiklar i lager
  • Utleverans samma dag Pris, lagersaldo och weborder direkt här på hemsidan
  • Lager Vi samarbetar med ledande tillverkare

NTN Europe

Rostfria lagerenheter SUCFL

Användningsområde

Från NTN/SNR marknadsför Internordic rostfria lagerenheter anpassade för applikationer där korrosionsbeständighet är viktigt. I dessa områden där hög luftfuktighet och kravet på avspolning av utrustningen är nödvändig för att förhindra bakterietillväxt och konventionella lagerenheter i gjutjärn ej är optimalt har NTN/SNR ett stort produktutbud av rostfria lagerenheter.

Enheterna är försmorda med livsmedelsgodkänt smörjmedel. Temperaturområde -20 °C till
+120 °C. Huset är tillverkat i AISI 304, insatslagret i AISI 440C. För ytterligare skydd mot fukt och partiklar finns det skyddslock och ändlock för genomgående axel tillverkade i AISI304 att tillgå.

Det finns 2 st olika typer av insatslager; SUC med stoppskruv och SES med excentrisk låsring.

 Att tänka på

Vid montering, var noggrann med uppriktning mellan husen. Snedställning medför minskad livslängd.


ATT TÄNKA PÅ VID VAL AV LAGERENHET


• Val av hustyp • Belastning, speciellt om axiell belastning förekommer då begränsningar generellt finns för denna typ av enheter för att undvika att lager inte kläms vid värmeutvidgning av axeln.
• Typ av miljö
• Varvtal
• Fixeringsmetod på axel, stoppskruv/excentrisk låsring
• Axeltolerans

Läs mer
  • Rostfri stålagerenhet med 2 fästhål
  • Rostfritt insatslager och smörjnippel

Vald variant

Vald variant

Teknisk data

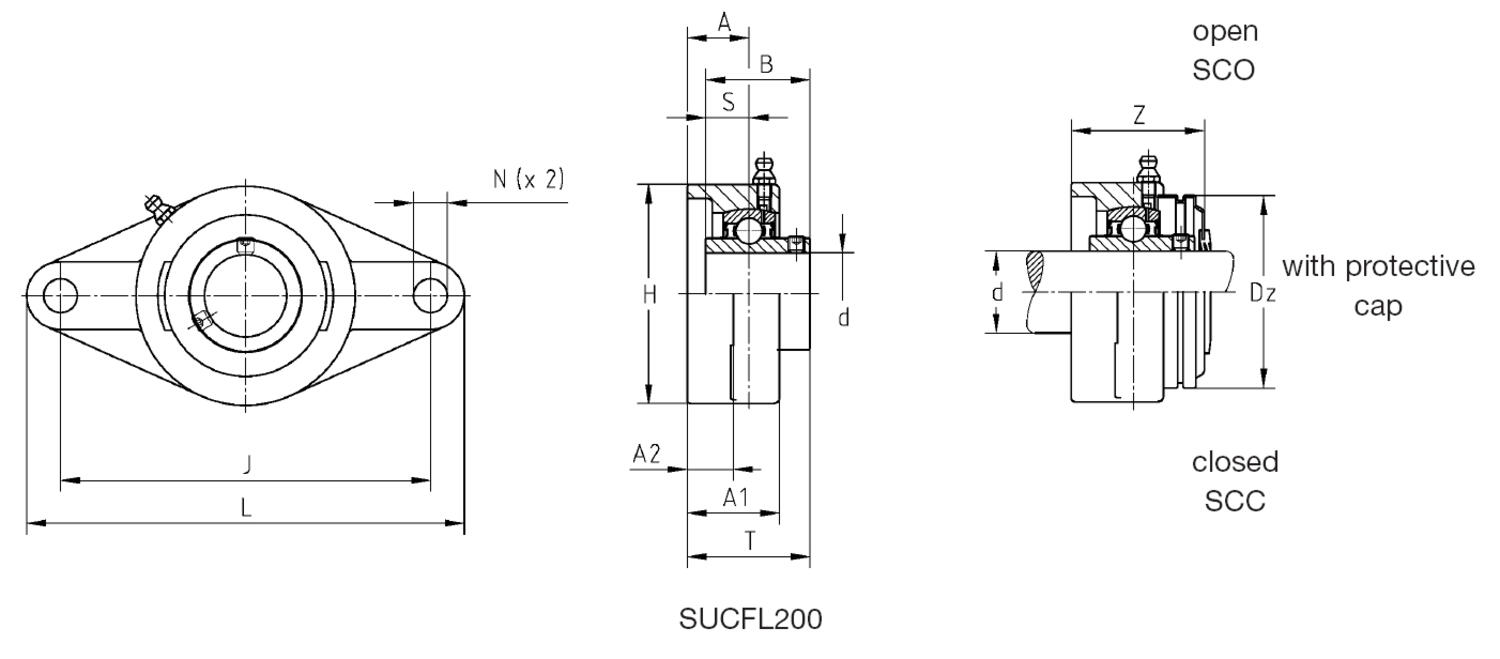
A 15 mm
A1 25,5 mm
A2 12 mm
B 31 mm
d (innerdiameter) 12 mm
Dz 46 mm
H 60 mm
J 90 mm
L 112 mm
N 12 mm
s 12,7 mm
T 33,3 mm
Vikt 0,52 kg
Z max 37,8 mm

Nedladdning av CAD

SUCFL201

Nedladdning av CAD När du ser en grön  Solid component icon på en artikel i listan betyder det att du kan ladda ner dess CAD-ritning i det format som du först väljer i listan här. Klicka sedan på ikonen så genereras CAD-filen och nedladdning påbörjas direkt. 

 

Mått och inkopplingar

Produktbeskrivning

Användningsområde

Från NTN/SNR marknadsför Internordic rostfria lagerenheter anpassade för applikationer där korrosionsbeständighet är viktigt. I dessa områden där hög luftfuktighet och kravet på avspolning av utrustningen är nödvändig för att förhindra bakterietillväxt och konventionella lagerenheter i gjutjärn ej är optimalt har NTN/SNR ett stort produktutbud av rostfria lagerenheter.

Enheterna är försmorda med livsmedelsgodkänt smörjmedel. Temperaturområde -20 °C till
+120 °C. Huset är tillverkat i AISI 304, insatslagret i AISI 440C. För ytterligare skydd mot fukt och partiklar finns det skyddslock och ändlock för genomgående axel tillverkade i AISI304 att tillgå.

Det finns 2 st olika typer av insatslager; SUC med stoppskruv och SES med excentrisk låsring.

 Att tänka på

Vid montering, var noggrann med uppriktning mellan husen. Snedställning medför minskad livslängd.


ATT TÄNKA PÅ VID VAL AV LAGERENHET


• Val av hustyp • Belastning, speciellt om axiell belastning förekommer då begränsningar generellt finns för denna typ av enheter för att undvika att lager inte kläms vid värmeutvidgning av axeln.
• Typ av miljö
• Varvtal
• Fixeringsmetod på axel, stoppskruv/excentrisk låsring
• Axeltolerans

Tillbehör

Relaterade produkter

TechKnow - kunskap, kundcase och företagsnytt

Varianter Nedladdning av CAD A A1 A2 B d (innerdiameter) Dz H J L N s T Vikt Z max Pris/enhet
15 mm
25,5 mm
12 mm
31 mm
12 mm
46 mm
60 mm
90 mm
112 mm
12 mm
12,7 mm
33,3 mm
0,52 kg
37,8 mm
15 mm
25,5 mm
12 mm
31 mm
15 mm
46 mm
60 mm
90 mm
112 mm
12 mm
12,7 mm
33,3 mm
0,51 kg
37,8 mm
15 mm
25,5 mm
12 mm
31 mm
17 mm
46 mm
60 mm
90 mm
112 mm
12 mm
12,7 mm
33,3 mm
0,49 kg
37,8 mm
15 mm
25,5 mm
12 mm
31 mm
20 mm
54 mm
60 mm
90 mm
112 mm
12 mm
12,7 mm
33,3 mm
0,47 kg
37,8 mm
15 mm
25,5 mm
12 mm
31 mm
19,05 mm
54 mm
60 mm
90 mm
112 mm
12 mm
12,7 mm
33,3 mm
0,47 kg
37,8 mm
16 mm
27 mm
13 mm
34,1 mm
25 mm
60 mm
68 mm
99 mm
125 mm
16 mm
14,3 mm
35,8 mm
0,6 kg
39,9 mm
16 mm
27 mm
13 mm
34,1 mm
25,4 mm
60 mm
68 mm
99 mm
125 mm
16 mm
14,3 mm
35,8 mm
0,6 kg
39,9 mm
18 mm
31 mm
13 mm
38,1 mm
30 mm
70 mm
80 mm
117 mm
141 mm
16 mm
15,9 mm
40,2 mm
0,89 kg
44,4 mm
18 mm
31 mm
13 mm
38,1 mm
30,16 mm
70 mm
80 mm
117 mm
141 mm
16 mm
15,9 mm
40,2 mm
0,89 kg
44,4 mm
18 mm
31 mm
13 mm
38,1 mm
31,75 mm
70 mm
80 mm
117 mm
141 mm
16 mm
15,9 mm
40,2 mm
0,89 kg
44,4 mm
19 mm
33 mm
15 mm
42,9 mm
35 mm
80 mm
90 mm
130 mm
156 mm
16 mm
17,5 mm
44,4 mm
1,18 kg
47,7 mm
19 mm
33 mm
15 mm
42,9 mm
34,925 mm
80 mm
90 mm
130 mm
156 mm
16 mm
17,5 mm
44,4 mm
1,18 kg
47,7 mm
19 mm
33 mm
15 mm
42,9 mm
36,51 mm
80 mm
90 mm
130 mm
156 mm
16 mm
17,5 mm
44,4 mm
1,18 kg
47,7 mm
21 mm
36 mm
15 mm
49,2 mm
40 mm
88 mm
100 mm
144 mm
172 mm
16 mm
19 mm
51,2 mm
1,53 kg
54,4 mm
21 mm
36 mm
15 mm
49,2 mm
38,1 mm
88 mm
100 mm
144 mm
172 mm
16 mm
19 mm
51,2 mm
1,53 kg
54,4 mm
22 mm
38 mm
15 mm
49,2 mm
45 mm
95 mm
108 mm
148 mm
180 mm
19 mm
19 mm
52,2 mm
1,81 kg
55,9 mm
22 mm
38 mm
15 mm
49,2 mm
44,45 mm
95 mm
108 mm
148 mm
180 mm
19 mm
19 mm
52,2 mm
1,81 kg
55,9 mm
22 mm
39 mm
16 mm
51,6 mm
50 mm
100 mm
115 mm
157 mm
190 mm
19 mm
19 mm
54,6 mm
2,17 kg
59,8 mm
22 mm
39 mm
16 mm
51,6 mm
49,21 mm
100 mm
115 mm
157 mm
190 mm
19 mm
19 mm
54,6 mm
2,17 kg
59,8 mm

Nedladdning av CAD När du ser en grön  Solid component icon på en artikel i listan betyder det att du kan ladda ner dess CAD-ritning i det format som du först väljer i listan här. Klicka sedan på ikonen så genereras CAD-filen och nedladdning påbörjas direkt. 

 

Vald variant

Välj en variant i listan

Har du frågor?

Fredrik Scholander

Säljkontakt & produktansvarig

075-24 24 971
Skicka e-post
Kundsupport
Vi finns här för att hjälpa till och om det finns frågor
075-24 24 956
Skicka e-post
Vanliga frågor
+ Hur blir man kund hos er?
+ Kan jag köpa produkter hos er som privatperson?
+ Kan jag se lagersaldo?
+ Vilka priser ser jag?
+ Kan jag se min orderhistorik på er hemsida?

Skicka ett mail

Hittar du inte det du söker eller kan vi hjälpa dig på något annat vis? Fyll i formuläret nedan så återkommer vi så snart vi bara kan!

Vänligen inkludera ett telefonnummer om du önskar bli uppringd.

Tack för ditt meddelande!

Tack för att du kontaktar oss på Internordic! Vi återkommer till dig så snart vi kan.

Hoppsan, något gick fel!

Något verkar ha gått fel. Vänligen kontrollera din information eller försök igen senare.
Behöver du hjälp?
Logo

Cookieinställningar för internordic.com

Cookies hjälper oss förbättra din upplevelse hos oss. Så för att kunna analysera trafiken, hantera inloggningsuppgifter, erbjuda dig personlig information och för att grundläggande funktionalitet ska fungera på webbplatsen behöver vi använda oss av lite cookies.

 

Psst! Vi säljer självklart inte vidare information om dig.

Nödvändiga cookies

Dessa cookies är nödvändiga för att webbplatsen ska fungera och kan inte stängas av i våra system. De används vanligtvis endast som svar på åtgärder som du har gjort i anslutning till en tjänstebegäran, till exempel när du ställer in personliga preferenser, loggar in eller fyller i ett formulär.

Analys och mätning

Dessa cookies tillåter oss att räkna antal besök och trafikkällor så att vi kan mäta och förbättra vår webbplatsprestanda. De hjälper oss att veta vilka sidor som är mer eller mindre populära och hur besökare navigerar runt på webbplatsen. Informationen som dessa cookies samlar in är aggregerad och därför helt anonym. Om du inte tillåter dessa cookies vet vi inte när du har besökt vår webbplats.

Marknadsföring

Dessa cookies kan läggas till av våra partners. De kan använda dem för att skapa en profil av dig, baserad på dina intressen, för att visa dig mer relevant information. De sparar ingen personlig information – endast information om din webbläsare och enhet. Om du inte godkänner dessa cookies, kommer du att få en mer allmän och mindre anpassad användarupplevelse.