• 15 000 artiklar Över 9 000 artiklar i lager
  • Utleverans samma dag Pris, lagersaldo och weborder direkt här på hemsidan
  • Lager Vi samarbetar med ledande tillverkare

NTN Europe

Lagerenhet Plåthus USPFT SNR

Plåthus enheter är en prisvärd och utrymmesbesparande lagring som är enkel att montera.
Lagerenheten består av ett lagerhus i pressad plåt med sfäriskt lagerläge samt ett insatslager, av spårkullager typ, med sfärisk ytterdiameter. Detta medför att lagret får en självinställande förmåga och kan kompensera för eventuella uppriktningsfel, max ±5°, som kan uppstå. Var dock uppmärksam att enheten inte klarar ändrad snedställning efter bultarna har dragits åt. Tillskillnad mot gjutjärnshusen klarar plåthuset mindre belastning än vad lagret klarar. Lagren är fettfyllda från fabrik och går ej att eftersmörja, under normala förhållanden betraktas de som livstidssmorda. Husen saknar smörjnippel.
Plåthusen består av två delar som kläms runt lagret, plåtarna är kallvalsad plåt som förzinkats för att stå emot korrosion.

PRODUKTFÖRDELAR
• Lätta att montera med ett fåtal fästbultar
• Lätta att montera på axel tack vare plustolerans i lagrets innerdiameter
• Självinställande förmåga, dock ej efer montering.

Typiska applikationer är transportanordningar, lantbruks-, byggnads-, livsmedels- och trädgårdsmaskiner.

Lagerenheter kan under vissa förhållanden betraktas som livstidssmorda, men onormalt hög driftstemperatur, varvtal eller förorenade miljöer kräver byte av insatslager, då dessa typer ej går att eftersmörja.

Lagerenheterna finns med 2 olika typer av insatslager; stoppskruvar, excentrisk låsring.
• US – stoppskruv
• ES – låsring

Att tänka på

Vid montering, var noggrann med uppriktning mellan husen. Snedställning medför minskad livslängd.

ATT TÄNKA PÅ VID VAL AV LAGERENHET
Val av hustyp
Belastning, speciellt om axiell belastning förekommer då begränsningar generellt finns för denna typ av enheter för att undvika att lager inte kläms vid värmeutvidgning av axeln.
Typ av miljö
Varvtal
Fixeringsmetod på axel, stoppskruv/excentrisk låsring
Axeltolerans
Åtdragningsmoment stoppskruv

 

Insatslager

 

 

Stoppskruv

UC/CUC

US/CUS

ES/CES

EX/CEX

Åtdragninsmoment Nm

Hexagon storlek mm

M5x0,8

 

 

201-203

 

 

 

3,5

2,5

M6x1

201-206

305-306

204-207

201-206

201-206

 

5,5

3,0

M8x1

207-209

307

208-210

207-210

207-210

305-307

11,5

4,0

M10x1,25

210-212

308-309

211-212

211-212

211-215

308-312

22,0

5,0

M12x1,25

213-218

310-314

 

 

216-218

313-314

33,0

6,0

M14x1,5

 

315-316

 

 

 

 

42,0

7,0

M16x1,5

 

317-319

 

 

 

315-317

64,0

8,0

M18x1,5

 

320-324

 

 

 

 

75,0

9,0

M20x1,5

 

326-328

 

 

 

318-320

120,0

10,0

 

Läs mer
  • Insatslager med stoppskruv
  • 3 kantigt plåtlagerhus
  • 3 bulthål

Vald variant

Vald variant

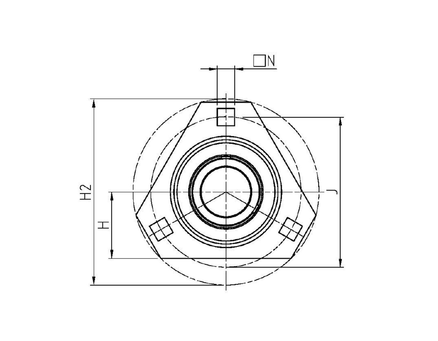
Teknisk data

A 7,2 mm
A1 4 mm
B1 25 mm
d (innerdiameter) 20 mm
D1 29 mm
Dyn (Dynamiskt bärighetstal) 12.8
H 33,3 mm
H2 90,5 mm
Hus nummer PFT204
Insatslager US204
J 71,5 mm
J2 55 mm
N 8,7 mm
s 7 mm
Stat (Statiskt bärighetstal) 6.65
Vikt 0,2 kg

Nedladdning av CAD

USPFT204

Nedladdning av CAD När du ser en grön  Solid component icon på en artikel i listan betyder det att du kan ladda ner dess CAD-ritning i det format som du först väljer i listan här. Klicka sedan på ikonen så genereras CAD-filen och nedladdning påbörjas direkt. 

 

Mått och inkopplingar

Produktbeskrivning

Plåthus enheter är en prisvärd och utrymmesbesparande lagring som är enkel att montera.
Lagerenheten består av ett lagerhus i pressad plåt med sfäriskt lagerläge samt ett insatslager, av spårkullager typ, med sfärisk ytterdiameter. Detta medför att lagret får en självinställande förmåga och kan kompensera för eventuella uppriktningsfel, max ±5°, som kan uppstå. Var dock uppmärksam att enheten inte klarar ändrad snedställning efter bultarna har dragits åt. Tillskillnad mot gjutjärnshusen klarar plåthuset mindre belastning än vad lagret klarar. Lagren är fettfyllda från fabrik och går ej att eftersmörja, under normala förhållanden betraktas de som livstidssmorda. Husen saknar smörjnippel.
Plåthusen består av två delar som kläms runt lagret, plåtarna är kallvalsad plåt som förzinkats för att stå emot korrosion.

PRODUKTFÖRDELAR
• Lätta att montera med ett fåtal fästbultar
• Lätta att montera på axel tack vare plustolerans i lagrets innerdiameter
• Självinställande förmåga, dock ej efer montering.

Typiska applikationer är transportanordningar, lantbruks-, byggnads-, livsmedels- och trädgårdsmaskiner.

Lagerenheter kan under vissa förhållanden betraktas som livstidssmorda, men onormalt hög driftstemperatur, varvtal eller förorenade miljöer kräver byte av insatslager, då dessa typer ej går att eftersmörja.

Lagerenheterna finns med 2 olika typer av insatslager; stoppskruvar, excentrisk låsring.
• US – stoppskruv
• ES – låsring

Att tänka på

Vid montering, var noggrann med uppriktning mellan husen. Snedställning medför minskad livslängd.

ATT TÄNKA PÅ VID VAL AV LAGERENHET
Val av hustyp
Belastning, speciellt om axiell belastning förekommer då begränsningar generellt finns för denna typ av enheter för att undvika att lager inte kläms vid värmeutvidgning av axeln.
Typ av miljö
Varvtal
Fixeringsmetod på axel, stoppskruv/excentrisk låsring
Axeltolerans
Åtdragningsmoment stoppskruv

 

Insatslager

 

 

Stoppskruv

UC/CUC

US/CUS

ES/CES

EX/CEX

Åtdragninsmoment Nm

Hexagon storlek mm

M5x0,8

 

 

201-203

 

 

 

3,5

2,5

M6x1

201-206

305-306

204-207

201-206

201-206

 

5,5

3,0

M8x1

207-209

307

208-210

207-210

207-210

305-307

11,5

4,0

M10x1,25

210-212

308-309

211-212

211-212

211-215

308-312

22,0

5,0

M12x1,25

213-218

310-314

 

 

216-218

313-314

33,0

6,0

M14x1,5

 

315-316

 

 

 

 

42,0

7,0

M16x1,5

 

317-319

 

 

 

315-317

64,0

8,0

M18x1,5

 

320-324

 

 

 

 

75,0

9,0

M20x1,5

 

326-328

 

 

 

318-320

120,0

10,0

 

Tillbehör

TechKnow - kunskap, kundcase och företagsnytt

Varianter Nedladdning av CAD A A1 B1 d (innerdiameter) D1 Dyn (Dynamiskt bärighetstal) H H2 Hus nummer Insatslager J J2 N s Stat (Statiskt bärighetstal) Vikt Pris/enhet
7,2 mm
4 mm
25 mm
20 mm
29 mm
12.8
33,3 mm
90,5 mm
PFT204
US204
71,5 mm
55 mm
8,7 mm
7 mm
6.65
0,2 kg
8,7 mm
4 mm
27 mm
25 mm
34 mm
14
34,2 mm
95,2 mm
PFT205
US205
76 mm
60 mm
8,7 mm
7,5 mm
7.88
0,4 kg
10,5 mm
5 mm
30 mm
30 mm
40,3 mm
19.5
40,2 mm
112,7 mm
PFT206
US206
90,5 mm
71 mm
10,5 mm
8 mm
11.2
0,6 kg
10,5 mm
5 mm
32 mm
35 mm
48 mm
25.7
44,2 mm
122,2 mm
PFT207
US207
100 mm
81 mm
10,2 mm
8,5 mm
15.2
0,9 kg

Nedladdning av CAD När du ser en grön  Solid component icon på en artikel i listan betyder det att du kan ladda ner dess CAD-ritning i det format som du först väljer i listan här. Klicka sedan på ikonen så genereras CAD-filen och nedladdning påbörjas direkt. 

 

Vald variant

Välj en variant i listan

Har du frågor?

Fredrik Scholander

Säljkontakt & produktansvarig

075-24 24 971
Skicka e-post
Kundsupport
Vi finns här för att hjälpa till och om det finns frågor
075-24 24 956
Skicka e-post
Vanliga frågor
+ Hur blir man kund hos er?
+ Kan jag köpa produkter hos er som privatperson?
+ Kan jag se lagersaldo?
+ Vilka priser ser jag?
+ Kan jag se min orderhistorik på er hemsida?

Skicka ett mail

Hittar du inte det du söker eller kan vi hjälpa dig på något annat vis? Fyll i formuläret nedan så återkommer vi så snart vi bara kan!

Vänligen inkludera ett telefonnummer om du önskar bli uppringd.

Tack för ditt meddelande!

Tack för att du kontaktar oss på Internordic! Vi återkommer till dig så snart vi kan.

Hoppsan, något gick fel!

Något verkar ha gått fel. Vänligen kontrollera din information eller försök igen senare.
Behöver du hjälp?
Logo

Cookieinställningar för internordic.com

Cookies hjälper oss förbättra din upplevelse hos oss. Så för att kunna analysera trafiken, hantera inloggningsuppgifter, erbjuda dig personlig information och för att grundläggande funktionalitet ska fungera på webbplatsen behöver vi använda oss av lite cookies.

 

Psst! Vi säljer självklart inte vidare information om dig.

Nödvändiga cookies

Dessa cookies är nödvändiga för att webbplatsen ska fungera och kan inte stängas av i våra system. De används vanligtvis endast som svar på åtgärder som du har gjort i anslutning till en tjänstebegäran, till exempel när du ställer in personliga preferenser, loggar in eller fyller i ett formulär.

Analys och mätning

Dessa cookies tillåter oss att räkna antal besök och trafikkällor så att vi kan mäta och förbättra vår webbplatsprestanda. De hjälper oss att veta vilka sidor som är mer eller mindre populära och hur besökare navigerar runt på webbplatsen. Informationen som dessa cookies samlar in är aggregerad och därför helt anonym. Om du inte tillåter dessa cookies vet vi inte när du har besökt vår webbplats.

Marknadsföring

Dessa cookies kan läggas till av våra partners. De kan använda dem för att skapa en profil av dig, baserad på dina intressen, för att visa dig mer relevant information. De sparar ingen personlig information – endast information om din webbläsare och enhet. Om du inte godkänner dessa cookies, kommer du att få en mer allmän och mindre anpassad användarupplevelse.