• 15 000 artiklar Över 9 000 artiklar i lager
  • Utleverans samma dag Pris, lagersaldo och weborder direkt här på hemsidan
  • Lager Vi samarbetar med ledande tillverkare

NTN Europe

Kompositlagerenheter MUCNFL

Användningsområde

Internordic har genom sin leverantör NTN/SNR tillgång till ett av marknadens största sortiment av lagerenheter. I det breda utbud vi tillhandahåller finns även lagerenheter i kompositmaterial med rostfria insatslager. Dessa enheter är speciellt anpassade för livsmedel, läkemedel samt kemiska industrin. Dimensionsbredden är 20-40 mm axel och i 3 olika utförande (se bilder nedan), allt för att passa så många olika applikationer som möjligt. Det finns även insatslager i vissa tum- dimensioner. Gemensamt för de olika typerna är:

  • Släta hus – motverkar att mögel och bakterier fastnar
  • Rostfria smörjnipplar
  • Rostfria hylsor i bulthål – högre tillförlitlighet, korrosionsbeständig
  • Livsmedelsgodkänt smörjmedel (FDA)
  • Både öppna och slutna ändlock för att ytterligare skydda enheten
    samt att bygga in roterande axeltappar 

Att tänka på

Vid montering, var noggrann med uppriktning mellan husen. Snedställning medför minskad livslängd.


ATT TÄNKA PÅ VID VAL AV LAGERENHET


• Val av hustyp
• Belastning, speciellt om axiell belastning förekommer då begränsningar generellt finns för denna typ av enheter för att undvika att lager inte kläms vid värmeutvidgning av axeln.
• Typ av miljö
• Varvtal
• Åtdragningsmoment av stoppskruv
• Axeltolerans

Åtdragningsmoment stoppskruv

Insatslager

Stoppskruv

Hexagon

Åtdragnings-

 

 

storlek mm

moment Nm

MUC204-206

M6x1

3

3,9

MUC207-208

M8x1

4

8,3

 

Läs mer
  • 2 -bult lagerenhet anpassade för livsmedel, läkemedel samt kemiska industrin
  • Släta hus - motverkar att mögel och bakterier fastnar
  • Utrymmesbesparande

Vald variant

Vald variant

Teknisk data

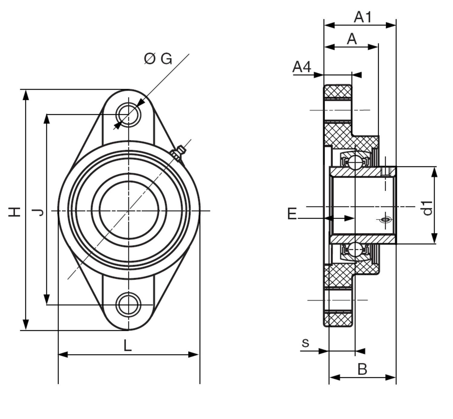
A 26,5 mm
A1 33,7 mm
A4 11,4 mm
Axeldiameter 20 mm
B 31 mm
Begränsat varvtal 7400
d1 29 mm
Dyn (Dynamiskt bärighetstal) 2.2000000000000002
G 11 mm
H 130 mm
J 90 mm
L 64,8 mm
Vikt 0,25 kg

Nedladdning av CAD

MUCNFL204

Nedladdning av CAD När du ser en grön  Solid component icon på en artikel i listan betyder det att du kan ladda ner dess CAD-ritning i det format som du först väljer i listan här. Klicka sedan på ikonen så genereras CAD-filen och nedladdning påbörjas direkt. 

 

Mått och inkopplingar

Produktbeskrivning

Användningsområde

Internordic har genom sin leverantör NTN/SNR tillgång till ett av marknadens största sortiment av lagerenheter. I det breda utbud vi tillhandahåller finns även lagerenheter i kompositmaterial med rostfria insatslager. Dessa enheter är speciellt anpassade för livsmedel, läkemedel samt kemiska industrin. Dimensionsbredden är 20-40 mm axel och i 3 olika utförande (se bilder nedan), allt för att passa så många olika applikationer som möjligt. Det finns även insatslager i vissa tum- dimensioner. Gemensamt för de olika typerna är:

  • Släta hus – motverkar att mögel och bakterier fastnar
  • Rostfria smörjnipplar
  • Rostfria hylsor i bulthål – högre tillförlitlighet, korrosionsbeständig
  • Livsmedelsgodkänt smörjmedel (FDA)
  • Både öppna och slutna ändlock för att ytterligare skydda enheten
    samt att bygga in roterande axeltappar 

Att tänka på

Vid montering, var noggrann med uppriktning mellan husen. Snedställning medför minskad livslängd.


ATT TÄNKA PÅ VID VAL AV LAGERENHET


• Val av hustyp
• Belastning, speciellt om axiell belastning förekommer då begränsningar generellt finns för denna typ av enheter för att undvika att lager inte kläms vid värmeutvidgning av axeln.
• Typ av miljö
• Varvtal
• Åtdragningsmoment av stoppskruv
• Axeltolerans

Åtdragningsmoment stoppskruv

Insatslager

Stoppskruv

Hexagon

Åtdragnings-

 

 

storlek mm

moment Nm

MUC204-206

M6x1

3

3,9

MUC207-208

M8x1

4

8,3

 

Tillbehör

TechKnow - kunskap, kundcase och företagsnytt

Varianter Nedladdning av CAD A A1 A4 Axeldiameter B Begränsat varvtal d1 Dyn (Dynamiskt bärighetstal) G H J L Vikt Pris/enhet
26,5 mm
33,7 mm
11,4 mm
20 mm
31 mm
7400
29 mm
2.2000000000000002
11 mm
130 mm
90 mm
64,8 mm
0,25 kg
29,7 mm
36,7 mm
13,5 mm
25 mm
34 mm
6200
34 mm
2.2000000000000002
11 mm
130 mm
99 mm
70 mm
0,3 kg
30,5 mm
41,2 mm
13,3 mm
30 mm
38,1 mm
6300
40,5 mm
2.9
11 mm
148 mm
117 mm
80 mm
0,45 kg
32,8 mm
43,4 mm
16,1 mm
35 mm
42,9 mm
4500
48 mm
3.2
13 mm
163 mm
130 mm
90 mm
0,67 kg
37,5 mm
51,7 mm
20 mm
40 mm
49,2 mm
4000
53 mm
3.2
14 mm
175 mm
144 mm
100 mm
0,88 kg

Nedladdning av CAD När du ser en grön  Solid component icon på en artikel i listan betyder det att du kan ladda ner dess CAD-ritning i det format som du först väljer i listan här. Klicka sedan på ikonen så genereras CAD-filen och nedladdning påbörjas direkt. 

 

Vald variant

Välj en variant i listan

Har du frågor?

Fredrik Scholander

Säljkontakt & produktansvarig

075-24 24 971
Skicka e-post
Kundsupport
Vi finns här för att hjälpa till och om det finns frågor
075-24 24 956
Skicka e-post
Vanliga frågor
+ Hur blir man kund hos er?
+ Kan jag köpa produkter hos er som privatperson?
+ Kan jag se lagersaldo?
+ Vilka priser ser jag?
+ Kan jag se min orderhistorik på er hemsida?

Skicka ett mail

Hittar du inte det du söker eller kan vi hjälpa dig på något annat vis? Fyll i formuläret nedan så återkommer vi så snart vi bara kan!

Vänligen inkludera ett telefonnummer om du önskar bli uppringd.

Tack för ditt meddelande!

Tack för att du kontaktar oss på Internordic! Vi återkommer till dig så snart vi kan.

Hoppsan, något gick fel!

Något verkar ha gått fel. Vänligen kontrollera din information eller försök igen senare.
Behöver du hjälp?
Logo

Cookieinställningar för internordic.com

Cookies hjälper oss förbättra din upplevelse hos oss. Så för att kunna analysera trafiken, hantera inloggningsuppgifter, erbjuda dig personlig information och för att grundläggande funktionalitet ska fungera på webbplatsen behöver vi använda oss av lite cookies.

 

Psst! Vi säljer självklart inte vidare information om dig.

Nödvändiga cookies

Dessa cookies är nödvändiga för att webbplatsen ska fungera och kan inte stängas av i våra system. De används vanligtvis endast som svar på åtgärder som du har gjort i anslutning till en tjänstebegäran, till exempel när du ställer in personliga preferenser, loggar in eller fyller i ett formulär.

Analys och mätning

Dessa cookies tillåter oss att räkna antal besök och trafikkällor så att vi kan mäta och förbättra vår webbplatsprestanda. De hjälper oss att veta vilka sidor som är mer eller mindre populära och hur besökare navigerar runt på webbplatsen. Informationen som dessa cookies samlar in är aggregerad och därför helt anonym. Om du inte tillåter dessa cookies vet vi inte när du har besökt vår webbplats.

Marknadsföring

Dessa cookies kan läggas till av våra partners. De kan använda dem för att skapa en profil av dig, baserad på dina intressen, för att visa dig mer relevant information. De sparar ingen personlig information – endast information om din webbläsare och enhet. Om du inte godkänner dessa cookies, kommer du att få en mer allmän och mindre anpassad användarupplevelse.