• 15 000 artiklar Över 9 000 artiklar i lager
  • Utleverans samma dag Pris, lagersaldo och weborder direkt här på hemsidan
  • Lager Vi samarbetar med ledande tillverkare

NTN Europe

Insatslager US SNR

Användningsområde

Insatslager till lagerenheter är av samma typ som spårkullager 62-63 serien. De har sfärisk ytterdiameter för att få en självinställande funktion i huset som kompenserar för snedställningar. Den förlängda innerringen som finns på vissa typer underlättar vid montering och för att kunna låsa fast lagret på axeln med stoppskruv eller exentrisk låsring. Det finns även med koniskt hål för montering med passande klämhylsa. Tätningen av nitril, täcks av en avkastarbricka för att skydda mot yttre påverkan. Denna tätning fungerar som en spalttätning. Det finns även 3-läppstätning för riktigt tuffa och orena miljöer. Denna tätning medför högre friktion vilket innebär den inte klarar lika höga hastigheter.

För att förenkla montering har insatslager plustolerans i lagrets axelhål. Lagret fästs på axel med antingen stoppskruvar i innerringen, låsring eller klämhylsa. Lagren har C3 glapp som standard. Normal arbetstemperatur är -20 °C till +100 °C. För att klara temperaturer under eller över detta område har NTN/SNR olika alternativ. Lager med L04 som efterbeteckning klarar ned till -40 °C, och med T20 är för arbetstemperatur upp till +200 °C. Det finns två olika storleksserier inom insatslager och lagerenheter 200- eller 300 serien.

Olika efterbeteckningar hos NTN/SNR

  • L3 3 läppstätning för förorenad arbetsmiljö
  • T04 arbetstemperatur ned till -40 °C
  • T20 arbetstemperatur upp till +200 °C
  • G2 återsmörjningsbara (SNR)

Att tänka på

Vid montering, var noggrann med uppriktning mellan husen. Snedställning medför minskad livslängd.


ATT TÄNKA PÅ VID VAL AV LAGERENHET


• Val av hustyp
• Belastning, speciellt om axiell belastning förekommer då begränsningar generellt finns för denna typ av enheter för att undvika att lager inte kläms vid värmeutvidgning av axeln.
• Typ av miljö
• Varvtal
• Fixeringsmetod på axel, stoppskruv/excentrisk låsring/klämhylsa
• Axeltolerans


Åtdragningsmoment stoppskruv

 

Insatslager

 

 

Stoppskruv

UC/CUC

US/CUS

ES/CES

EX/CEX

Åtdragninsmoment Nm

Hexagon storlek mm

M5x0,8

 

 

201-203

 

 

 

3,5

2,5

M6x1

201-206

305-306

204-207

201-206

201-206

 

5,5

3,0

M8x1

207-209

307

208-210

207-210

207-210

305-307

11,5

4,0

M10x1,25

210-212

308-309

211-212

211-212

211-215

308-312

22,0

5,0

M12x1,25

213-218

310-314

 

 

216-218

313-314

33,0

6,0

M14x1,5

 

315-316

 

 

 

 

42,0

7,0

M16x1,5

 

317-319

 

 

 

315-317

64,0

8,0

M18x1,5

 

320-324

 

 

 

 

75,0

9,0

M20x1,5

 

326-328

 

 

 

318-320

120,0

10,0

 

Läs mer
  • Stoppskruv i innerring
  • Enkel montering
  • Utrymmesbesparnade lager
  • Återsmörjbar

Vald variant

Vald variant

Teknisk data

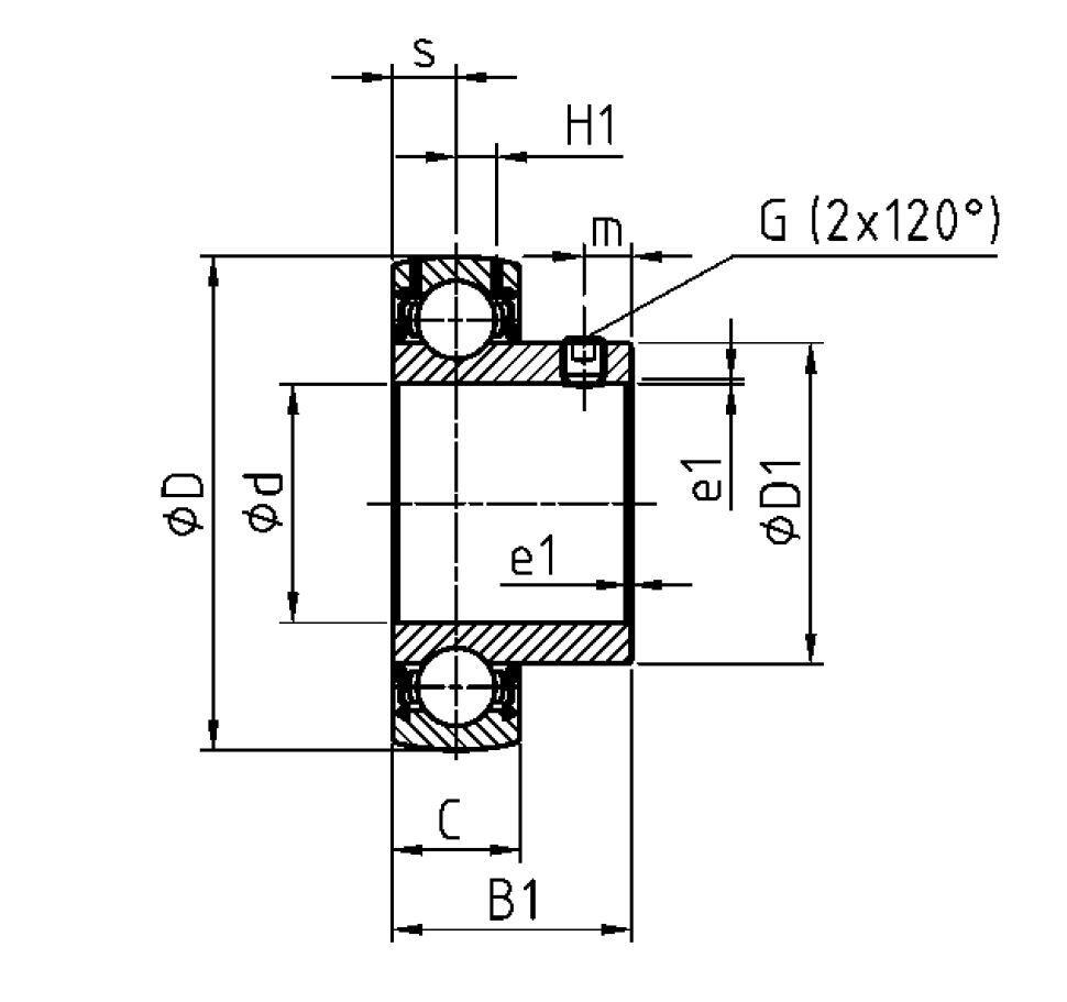
B1 22 mm
C 12 mm
d 12
D (ytterdiameter) 40 mm
D1 24,6 mm
Dyn (Dynamiskt bärighetstal) 9.5500000000000007
Gänga M5x0,8
Stat (Statiskt bärighetstal) 4.78
Vikt 0,09 kg

Nedladdning av CAD

US201

Nedladdning av CAD När du ser en grön  Solid component icon på en artikel i listan betyder det att du kan ladda ner dess CAD-ritning i det format som du först väljer i listan här. Klicka sedan på ikonen så genereras CAD-filen och nedladdning påbörjas direkt. 

 

Mått och inkopplingar

Produktbeskrivning

Användningsområde

Insatslager till lagerenheter är av samma typ som spårkullager 62-63 serien. De har sfärisk ytterdiameter för att få en självinställande funktion i huset som kompenserar för snedställningar. Den förlängda innerringen som finns på vissa typer underlättar vid montering och för att kunna låsa fast lagret på axeln med stoppskruv eller exentrisk låsring. Det finns även med koniskt hål för montering med passande klämhylsa. Tätningen av nitril, täcks av en avkastarbricka för att skydda mot yttre påverkan. Denna tätning fungerar som en spalttätning. Det finns även 3-läppstätning för riktigt tuffa och orena miljöer. Denna tätning medför högre friktion vilket innebär den inte klarar lika höga hastigheter.

För att förenkla montering har insatslager plustolerans i lagrets axelhål. Lagret fästs på axel med antingen stoppskruvar i innerringen, låsring eller klämhylsa. Lagren har C3 glapp som standard. Normal arbetstemperatur är -20 °C till +100 °C. För att klara temperaturer under eller över detta område har NTN/SNR olika alternativ. Lager med L04 som efterbeteckning klarar ned till -40 °C, och med T20 är för arbetstemperatur upp till +200 °C. Det finns två olika storleksserier inom insatslager och lagerenheter 200- eller 300 serien.

Olika efterbeteckningar hos NTN/SNR

  • L3 3 läppstätning för förorenad arbetsmiljö
  • T04 arbetstemperatur ned till -40 °C
  • T20 arbetstemperatur upp till +200 °C
  • G2 återsmörjningsbara (SNR)

Att tänka på

Vid montering, var noggrann med uppriktning mellan husen. Snedställning medför minskad livslängd.


ATT TÄNKA PÅ VID VAL AV LAGERENHET


• Val av hustyp
• Belastning, speciellt om axiell belastning förekommer då begränsningar generellt finns för denna typ av enheter för att undvika att lager inte kläms vid värmeutvidgning av axeln.
• Typ av miljö
• Varvtal
• Fixeringsmetod på axel, stoppskruv/excentrisk låsring/klämhylsa
• Axeltolerans


Åtdragningsmoment stoppskruv

 

Insatslager

 

 

Stoppskruv

UC/CUC

US/CUS

ES/CES

EX/CEX

Åtdragninsmoment Nm

Hexagon storlek mm

M5x0,8

 

 

201-203

 

 

 

3,5

2,5

M6x1

201-206

305-306

204-207

201-206

201-206

 

5,5

3,0

M8x1

207-209

307

208-210

207-210

207-210

305-307

11,5

4,0

M10x1,25

210-212

308-309

211-212

211-212

211-215

308-312

22,0

5,0

M12x1,25

213-218

310-314

 

 

216-218

313-314

33,0

6,0

M14x1,5

 

315-316

 

 

 

 

42,0

7,0

M16x1,5

 

317-319

 

 

 

315-317

64,0

8,0

M18x1,5

 

320-324

 

 

 

 

75,0

9,0

M20x1,5

 

326-328

 

 

 

318-320

120,0

10,0

 

Tillbehör

Relaterade produkter

TechKnow - kunskap, kundcase och företagsnytt

Varianter Nedladdning av CAD B1 C d D (ytterdiameter) D1 Dyn (Dynamiskt bärighetstal) Gänga Stat (Statiskt bärighetstal) Vikt Pris/enhet
22 mm
12 mm
12
40 mm
24,6 mm
9.5500000000000007
M5x0,8
4.78
0,09 kg
22 mm
12 mm
15
40 mm
24,6 mm
9.5500000000000007
M5x0,8
4.78
0,08 kg
22 mm
12 mm
17
40 mm
24,6 mm
9.5500000000000007
M5x0,8
4.78
0,1 kg
25 mm
14 mm
20
47 mm
29 mm
12.8
M6x1
6.65
0,13 kg
27 mm
15 mm
25
52 mm
34 mm
14
M6x1
7.88
0,17 kg
30 mm
16 mm
30
62 mm
40,3 mm
19.5
M6x1
11.2
0,27 kg
32 mm
17 mm
35
72 mm
48 mm
25.7
M6x1
15.2
0,42 kg
34 mm
18 mm
40
80 mm
53 mm
29.6
M8x1
18.2
0,6 kg
41,2 mm
19 mm
45
85 mm
57,2 mm
31.85
M8x1
20.8
0,65 kg
43,5 mm
20 mm
50
90 mm
61,8 mm
35.1
M8x1
23.2
0,76 kg
45,3 mm
23 mm
55
100 mm
69 mm
43.55
M10x1,25
29.2
1,07 kg
53,7 mm
24 mm
60
100 mm
74,9 mm
52.5
M10x1,25
32.799999999999997
1,3 kg

Nedladdning av CAD När du ser en grön  Solid component icon på en artikel i listan betyder det att du kan ladda ner dess CAD-ritning i det format som du först väljer i listan här. Klicka sedan på ikonen så genereras CAD-filen och nedladdning påbörjas direkt. 

 

Vald variant

Välj en variant i listan

Har du frågor?

Fredrik Scholander

Säljkontakt & produktansvarig

075-24 24 971
Skicka e-post
Kundsupport
Vi finns här för att hjälpa till och om det finns frågor
075-24 24 956
Skicka e-post
Vanliga frågor
+ Hur blir man kund hos er?
+ Kan jag köpa produkter hos er som privatperson?
+ Kan jag se lagersaldo?
+ Vilka priser ser jag?
+ Kan jag se min orderhistorik på er hemsida?

Skicka ett mail

Hittar du inte det du söker eller kan vi hjälpa dig på något annat vis? Fyll i formuläret nedan så återkommer vi så snart vi bara kan!

Vänligen inkludera ett telefonnummer om du önskar bli uppringd.

Tack för ditt meddelande!

Tack för att du kontaktar oss på Internordic! Vi återkommer till dig så snart vi kan.

Hoppsan, något gick fel!

Något verkar ha gått fel. Vänligen kontrollera din information eller försök igen senare.
Behöver du hjälp?
Logo

Cookieinställningar för internordic.com

Cookies hjälper oss förbättra din upplevelse hos oss. Så för att kunna analysera trafiken, hantera inloggningsuppgifter, erbjuda dig personlig information och för att grundläggande funktionalitet ska fungera på webbplatsen behöver vi använda oss av lite cookies.

 

Psst! Vi säljer självklart inte vidare information om dig.

Nödvändiga cookies

Dessa cookies är nödvändiga för att webbplatsen ska fungera och kan inte stängas av i våra system. De används vanligtvis endast som svar på åtgärder som du har gjort i anslutning till en tjänstebegäran, till exempel när du ställer in personliga preferenser, loggar in eller fyller i ett formulär.

Analys och mätning

Dessa cookies tillåter oss att räkna antal besök och trafikkällor så att vi kan mäta och förbättra vår webbplatsprestanda. De hjälper oss att veta vilka sidor som är mer eller mindre populära och hur besökare navigerar runt på webbplatsen. Informationen som dessa cookies samlar in är aggregerad och därför helt anonym. Om du inte tillåter dessa cookies vet vi inte när du har besökt vår webbplats.

Marknadsföring

Dessa cookies kan läggas till av våra partners. De kan använda dem för att skapa en profil av dig, baserad på dina intressen, för att visa dig mer relevant information. De sparar ingen personlig information – endast information om din webbläsare och enhet. Om du inte godkänner dessa cookies, kommer du att få en mer allmän och mindre anpassad användarupplevelse.